n
3 串联电路和并联电路
第1课时 串联电路和并联电路 滑动变阻器的两种接法
[学习目标] 1.掌握串、并联电路的电流、电压和电阻关系,并能进行有关计算(重点)。2.理解滑动变阻器的两种接法,并能正确选择(难点)。
一、串联电路和并联电路
1.串联电路:把几个导体或用电器依次首尾连接,接入电路的连接方式,如图甲所示。

2.并联电路:把几个导体或用电器的一端连在一起,另一端也连在一起,再将两端接入电路的连接方式,如图乙所示。
3.串联电路、并联电路的特点
| 串联电路 | 并联电路 |
电流关系 | 各处电流相等,即I=I1=I2=…=In | 总电流等于各支路电流之和,即I=I1+I2+…+In |
电压关系 | 总电压等于各部分电压之和,即U=U1+U2+…+Un | 各支路两端电压相等,即U=U1=U2=…=Un |
电阻关系 | 总电阻等于各部分电阻________,即R=______________ | 总电阻的倒数等于各支路电阻的_______,即1R=________________ |

1.n个相同电阻(R1)串联或并联,其总电阻分别为多少?
________________________________________________________________________
________________________________________________________________________
2.并联电路中,若某一电阻增大,总电阻如何变化?若增加一支路,总电阻如何变化?
________________________________________________________________________
________________________________________________________________________
3.R1和R2并联后的总电阻与其中任一支路的电阻的阻值有什么关系?若R1远大于R2,总电阻R有何规律?
________________________________________________________________________
________________________________________________________________________

(1)电路中电阻的个数越多,电路的总电阻越大。( )
(2)无论是串联电路还是并联电路,只要其中一个电阻增大,总电阻就增大。( )
(2024·普宁市高二期中)阻值分别为R1、R2、R3的电阻串联在电路中。已知R1=10 Ω、R3=5 Ω,R1两端的电压为6 V,R2两端的电压为12 V,则( )
A.电路中的电流为0.6 A
B.R2为15 Ω
C.三只电阻两端的总电压为20 V
D.R3两端的电压为4 V
已知R1=10 Ω,R2=20 Ω,R1允许通过的最大电流为1.5 A,R2两端允许加的最大电压为10 V。若将它们串联,加在电路两端的最大电压是( )
A.45 VB.5 VC.25 VD.15 V
如图所示电路中,已知R1=5 Ω,R2=12 Ω,电压表示数为2 V,电流表示数为0.2 A,求:

(1)电阻R3的阻值;
(2)A、C两端的电压值。
________________________________________________________________________
________________________________________________________________________
________________________________________________________________________
________________________________________________________________________

1.串联电路中各电阻两端的电压跟它们的阻值成正比,即U1R1=U2R2=…=UnRn=UR总=I或U1∶U2∶U3∶…∶Un=R1∶R2∶R3∶…∶Rn。
2.并联电路中通过各支路电阻的电流跟它们的阻值成反比,即I1R1=I2R2=…=InRn=I总R总=U或I1∶I2∶I3∶…∶In=1R1∶1R2∶1R3∶…∶1Rn。
二、滑动变阻器的两种接法
1.两种接法的特点
| 限流式接法 | 分压式接法 |
电路图(图中R为负载电阻,R0为滑动变阻器) | 
滑动变阻器与测量电阻串联 | 
滑动变阻器一部分与测量电阻并联之后,再与滑动变阻器另一部分电阻串联 |
滑动变阻器接入电路的特点 | 采用“一上一下”的接法 | 采用“一上两下”的接法 |
闭合开关前滑片位置 | 应在最______端,即保证滑动变阻器接入电路中的阻值最________ | 应在最________端,即开始时R两端电压为______ |
通过R的电流范围 | UR0+R~UR | 0~UR |
R两端的电压范围 | RR0+RU~U | |
优点 | 电路连接简单,耗电少 | R的电压调节范围大 |
2.两种接法的适用条件
(1)限流式接法适合测量阻值较小的电阻(与滑动变阻器的总电阻相当)。由于R小,限流式接法中滑动变阻器分得的电压大,移动滑片调节范围大。
(2)分压式接法适合测量阻值较大的电阻(比滑动变阻器的总电阻大)。若R很大,分压式接法中R几乎不影响电压的分配,移动滑片电压变化明显,便于调节。
(3)以下几种情况必须采用分压式接法
①要求电压表能从零开始读数,要求电压(电流)测量范围尽可能大;
②当待测电阻R≫R0(滑动变阻器的最大阻值)时(限流式接法滑动变阻器几乎不起作用);
③若采用限流式接法,电路中的最小电流仍超过电路中电表、电阻允许的最大电流。
(4)在两种电路均可使用的情况下,应优先采用限流式接法,因为限流式接法电路简单,能耗低。
(多选)滑动变阻器的原理如图所示,则下列说法中正确的是( )

A.若仅将a、c两端连在电路中,则当滑片OP向右滑动时,滑动变阻器接入电路中的阻值增大
B.若仅将a、d两端连在电路中,则当滑片OP向右滑动时,滑动变阻器接入电路中的阻值减小
C.将滑动变阻器以限流式接法接入电路时,必须连入三个接线柱
D.将滑动变阻器以分压式接法接入电路时,必须连入三个接线柱
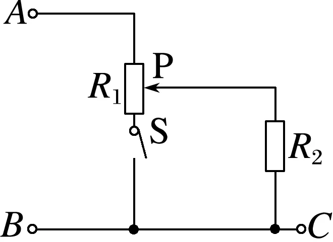
如图所示,滑动变阻器R1的最大阻值是200 Ω,R2=300 Ω,A、B两端电压UAB=8 V。

(1)当S断开时,移动滑片P,R2两端可获得的电压变化范围是多少?
(2)当S闭合时,移动滑片P,R2两端可获得的电压变化范围是多少?
________________________________________________________________________
________________________________________________________________________
________________________________________________________________________
________________________________________________________________________

通过网盘分享的文件:同步PPT课件等3个文件
链接: https://pan.baidu.com/s/1_GzpLu1fXgm2Lbs2dUxo2A?pwd=4321 提取码: 4321
--来自百度网盘超级会员v8的分享