当前位置:首页>学习笔记>NAND flash 学习笔记 (2)-Cell的基本操作介绍

NAND flash 学习笔记 (2)-Cell的基本操作介绍

  • 2026-04-23 19:53:49
NAND flash 学习笔记 (2)-Cell的基本操作介绍

Cell的基本操作介绍

下面简单介绍下NAND cell的基本操作,有三类:Read(读),Program(写),Erase(擦)。

读取操作(Read)

我们从最简单的SLC来讲。它能存储两个状态0和1。我们知道Cell存储信息的原理,是把电子注入或清出FG。因此,在已擦除状态下,FG里的电子清出,留下正电荷;而写入状态下,FG里注入了电子,储存了负电荷。

检测FG里是否存有电子,是通过沟道里是否有Cell电流 I_cell 来判断的。在CG电压为零时,V_gate=0V,如FG是擦除状态,带正电,那么沟道相当于已经有正压,是开启状态有电流通过,状态为“1”。相反,如果FG被写入电子,带负电,则沟道关闭,没有 I_cell 电流,状态为“0”。

Cell read operation

前篇提过,读操作是以Page为单位的,对应同一条WL上(Row)的所有Cell。待读取的WL,是0V,其余WL加V_passR (6V),使得不读取的Cell沟道打开。这里V_passR还会造成Read disturb,将来会说到。

写入(Program)和擦除(Erase)操作

NAND写入操作时,电子注入FG的方式是Fowler-Nordheim(FN)injection。擦除操作时,老式NAND采用Drain FN ejection,现在的NAND采用Channel FN ejection。FN tunneling是一种量子隧穿效应,需要施加的电压更小,电流和功耗很低,对氧化层的损伤更小。

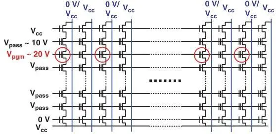
写入Cell时,CG施加电压V_pgm,substrate/source/drain都保持0V。电子通过FN隧穿进入FG,导致cell Vt升高(变正)。Cell Vt变化多少,与CG上施加的电压大小和时长成正比。写入也是以Page为单位,即同一条WL上的Cell同时写入。具体做法是在CG加V_pgm前,先把要写入的数据置于BL上。数据“0”的BL电压为0V,正常写入后Cell Vt变大(2V)。数据“1”的BL上施加V_cc,Cell进入Program inhibit模式,此时沟道电压为V_boost = V_cc - Vt。V_boost降低了CG和channel间的电势差,阻止FN隧穿,使得Cell Vt保持擦除状态(-3V)。不写入的WL,施加V_pass,将沟道打开。至此,一页Page数据写入完成。写入后,会进行写入验证,操作与Read几乎相同,完成的Cell自动进入Program inhibit模式,未达标的Cell进入下一个写入-验证周期。整个Block的写入顺序通常是从Source到Drain,逐条Row (WL0 -> WL31)写入。

擦除时,CG保持0V,substrate(p-well)上施加V_era,将电子清出FG,Cell Vt降低(变负)。擦除操作以Block为单位,整个block的WL接地0V,擦除脉冲(20V)施加到p-well和n-well上。不擦除的Block将WL floating,则Channel和CG的电势差不足以擦除,数据得以保留。NAND不在乎over-erasure,所以一般FG会带正电,Cell Vt到(-3V)。完成擦除后,会立即验证,CG加0V,Source加Vcc,Drain加0V。然后使Drain Floating,如果有Cell没有擦除完成,那么对应String没全部打开,Drain对应BL回不到高电平,则重复擦除操作。

增量步进脉冲编程Incremental Step Pulse Programming (ISSP)

NAND写入的一个重要技术是ISSP,可以有效降低Cell Vt的分布发散,解决工艺和环境影响Cell的快速写入问题。事实上,由于制造工艺和使用环境的影响,Cell与Cell之间有些许差异,有的Cell写入偏快,有的Cell写入偏慢。所以,在一次固定脉冲和时长的写入操作后,一页Page的Cell Vt也会有发散,有的Cell还没到需要的Vt,而有的Cell已经注入了过量电子。为了避免过量注入,就只能用较小的写入脉冲去尝试,但这样写入速度就被最慢的Cell拖累。

ISSP技术通过多次脉冲-验证周期,逐次提高脉冲幅度,来减少写入-验证周期,提高效率。具体来说,初始写入脉冲为15.5V,之后每次增加0.5V,直到20V。因为FN隧穿概率与电压之间是指数级的关系,所以通过一次1V增量的ISSP,可以达到5次固定脉冲的效果。ISSP实现了Cell Vt分布和写入效率的优化,也提高了Cell的良率。

最新文章

随机文章

基本 文件 流程 错误 SQL 调试
  1. 请求信息 : 2026-04-23 20:52:59 HTTP/2.0 GET : https://67808.cn/a/483239.html
  2. 运行时间 : 0.081152s [ 吞吐率:12.32req/s ] 内存消耗:4,476.42kb 文件加载:140
  3. 缓存信息 : 0 reads,0 writes
  4. 会话信息 : SESSION_ID=a92b6a182dab29bd22ed1de0c697f905
  1. /yingpanguazai/ssd/ssd1/www/no.67808.cn/public/index.php ( 0.79 KB )
  2. /yingpanguazai/ssd/ssd1/www/no.67808.cn/vendor/autoload.php ( 0.17 KB )
  3. /yingpanguazai/ssd/ssd1/www/no.67808.cn/vendor/composer/autoload_real.php ( 2.49 KB )
  4. /yingpanguazai/ssd/ssd1/www/no.67808.cn/vendor/composer/platform_check.php ( 0.90 KB )
  5. /yingpanguazai/ssd/ssd1/www/no.67808.cn/vendor/composer/ClassLoader.php ( 14.03 KB )
  6. /yingpanguazai/ssd/ssd1/www/no.67808.cn/vendor/composer/autoload_static.php ( 4.90 KB )
  7. /yingpanguazai/ssd/ssd1/www/no.67808.cn/vendor/topthink/think-helper/src/helper.php ( 8.34 KB )
  8. /yingpanguazai/ssd/ssd1/www/no.67808.cn/vendor/topthink/think-validate/src/helper.php ( 2.19 KB )
  9. /yingpanguazai/ssd/ssd1/www/no.67808.cn/vendor/topthink/think-orm/src/helper.php ( 1.47 KB )
  10. /yingpanguazai/ssd/ssd1/www/no.67808.cn/vendor/topthink/think-orm/stubs/load_stubs.php ( 0.16 KB )
  11. /yingpanguazai/ssd/ssd1/www/no.67808.cn/vendor/topthink/framework/src/think/Exception.php ( 1.69 KB )
  12. /yingpanguazai/ssd/ssd1/www/no.67808.cn/vendor/topthink/think-container/src/Facade.php ( 2.71 KB )
  13. /yingpanguazai/ssd/ssd1/www/no.67808.cn/vendor/symfony/deprecation-contracts/function.php ( 0.99 KB )
  14. /yingpanguazai/ssd/ssd1/www/no.67808.cn/vendor/symfony/polyfill-mbstring/bootstrap.php ( 8.26 KB )
  15. /yingpanguazai/ssd/ssd1/www/no.67808.cn/vendor/symfony/polyfill-mbstring/bootstrap80.php ( 9.78 KB )
  16. /yingpanguazai/ssd/ssd1/www/no.67808.cn/vendor/symfony/var-dumper/Resources/functions/dump.php ( 1.49 KB )
  17. /yingpanguazai/ssd/ssd1/www/no.67808.cn/vendor/topthink/think-dumper/src/helper.php ( 0.18 KB )
  18. /yingpanguazai/ssd/ssd1/www/no.67808.cn/vendor/symfony/var-dumper/VarDumper.php ( 4.30 KB )
  19. /yingpanguazai/ssd/ssd1/www/no.67808.cn/vendor/topthink/framework/src/think/App.php ( 15.30 KB )
  20. /yingpanguazai/ssd/ssd1/www/no.67808.cn/vendor/topthink/think-container/src/Container.php ( 15.76 KB )
  21. /yingpanguazai/ssd/ssd1/www/no.67808.cn/vendor/psr/container/src/ContainerInterface.php ( 1.02 KB )
  22. /yingpanguazai/ssd/ssd1/www/no.67808.cn/app/provider.php ( 0.19 KB )
  23. /yingpanguazai/ssd/ssd1/www/no.67808.cn/vendor/topthink/framework/src/think/Http.php ( 6.04 KB )
  24. /yingpanguazai/ssd/ssd1/www/no.67808.cn/vendor/topthink/think-helper/src/helper/Str.php ( 7.29 KB )
  25. /yingpanguazai/ssd/ssd1/www/no.67808.cn/vendor/topthink/framework/src/think/Env.php ( 4.68 KB )
  26. /yingpanguazai/ssd/ssd1/www/no.67808.cn/app/common.php ( 0.03 KB )
  27. /yingpanguazai/ssd/ssd1/www/no.67808.cn/vendor/topthink/framework/src/helper.php ( 18.78 KB )
  28. /yingpanguazai/ssd/ssd1/www/no.67808.cn/vendor/topthink/framework/src/think/Config.php ( 5.54 KB )
  29. /yingpanguazai/ssd/ssd1/www/no.67808.cn/config/app.php ( 0.95 KB )
  30. /yingpanguazai/ssd/ssd1/www/no.67808.cn/config/cache.php ( 0.78 KB )
  31. /yingpanguazai/ssd/ssd1/www/no.67808.cn/config/console.php ( 0.23 KB )
  32. /yingpanguazai/ssd/ssd1/www/no.67808.cn/config/cookie.php ( 0.56 KB )
  33. /yingpanguazai/ssd/ssd1/www/no.67808.cn/config/database.php ( 2.48 KB )
  34. /yingpanguazai/ssd/ssd1/www/no.67808.cn/vendor/topthink/framework/src/think/facade/Env.php ( 1.67 KB )
  35. /yingpanguazai/ssd/ssd1/www/no.67808.cn/config/filesystem.php ( 0.61 KB )
  36. /yingpanguazai/ssd/ssd1/www/no.67808.cn/config/lang.php ( 0.91 KB )
  37. /yingpanguazai/ssd/ssd1/www/no.67808.cn/config/log.php ( 1.35 KB )
  38. /yingpanguazai/ssd/ssd1/www/no.67808.cn/config/middleware.php ( 0.19 KB )
  39. /yingpanguazai/ssd/ssd1/www/no.67808.cn/config/route.php ( 1.89 KB )
  40. /yingpanguazai/ssd/ssd1/www/no.67808.cn/config/session.php ( 0.57 KB )
  41. /yingpanguazai/ssd/ssd1/www/no.67808.cn/config/trace.php ( 0.34 KB )
  42. /yingpanguazai/ssd/ssd1/www/no.67808.cn/config/view.php ( 0.82 KB )
  43. /yingpanguazai/ssd/ssd1/www/no.67808.cn/app/event.php ( 0.25 KB )
  44. /yingpanguazai/ssd/ssd1/www/no.67808.cn/vendor/topthink/framework/src/think/Event.php ( 7.67 KB )
  45. /yingpanguazai/ssd/ssd1/www/no.67808.cn/app/service.php ( 0.13 KB )
  46. /yingpanguazai/ssd/ssd1/www/no.67808.cn/app/AppService.php ( 0.26 KB )
  47. /yingpanguazai/ssd/ssd1/www/no.67808.cn/vendor/topthink/framework/src/think/Service.php ( 1.64 KB )
  48. /yingpanguazai/ssd/ssd1/www/no.67808.cn/vendor/topthink/framework/src/think/Lang.php ( 7.35 KB )
  49. /yingpanguazai/ssd/ssd1/www/no.67808.cn/vendor/topthink/framework/src/lang/zh-cn.php ( 13.70 KB )
  50. /yingpanguazai/ssd/ssd1/www/no.67808.cn/vendor/topthink/framework/src/think/initializer/Error.php ( 3.31 KB )
  51. /yingpanguazai/ssd/ssd1/www/no.67808.cn/vendor/topthink/framework/src/think/initializer/RegisterService.php ( 1.33 KB )
  52. /yingpanguazai/ssd/ssd1/www/no.67808.cn/vendor/services.php ( 0.14 KB )
  53. /yingpanguazai/ssd/ssd1/www/no.67808.cn/vendor/topthink/framework/src/think/service/PaginatorService.php ( 1.52 KB )
  54. /yingpanguazai/ssd/ssd1/www/no.67808.cn/vendor/topthink/framework/src/think/service/ValidateService.php ( 0.99 KB )
  55. /yingpanguazai/ssd/ssd1/www/no.67808.cn/vendor/topthink/framework/src/think/service/ModelService.php ( 2.04 KB )
  56. /yingpanguazai/ssd/ssd1/www/no.67808.cn/vendor/topthink/think-trace/src/Service.php ( 0.77 KB )
  57. /yingpanguazai/ssd/ssd1/www/no.67808.cn/vendor/topthink/framework/src/think/Middleware.php ( 6.72 KB )
  58. /yingpanguazai/ssd/ssd1/www/no.67808.cn/vendor/topthink/framework/src/think/initializer/BootService.php ( 0.77 KB )
  59. /yingpanguazai/ssd/ssd1/www/no.67808.cn/vendor/topthink/think-orm/src/Paginator.php ( 11.86 KB )
  60. /yingpanguazai/ssd/ssd1/www/no.67808.cn/vendor/topthink/think-validate/src/Validate.php ( 63.20 KB )
  61. /yingpanguazai/ssd/ssd1/www/no.67808.cn/vendor/topthink/think-orm/src/Model.php ( 23.55 KB )
  62. /yingpanguazai/ssd/ssd1/www/no.67808.cn/vendor/topthink/think-orm/src/model/concern/Attribute.php ( 21.05 KB )
  63. /yingpanguazai/ssd/ssd1/www/no.67808.cn/vendor/topthink/think-orm/src/model/concern/AutoWriteData.php ( 4.21 KB )
  64. /yingpanguazai/ssd/ssd1/www/no.67808.cn/vendor/topthink/think-orm/src/model/concern/Conversion.php ( 6.44 KB )
  65. /yingpanguazai/ssd/ssd1/www/no.67808.cn/vendor/topthink/think-orm/src/model/concern/DbConnect.php ( 5.16 KB )
  66. /yingpanguazai/ssd/ssd1/www/no.67808.cn/vendor/topthink/think-orm/src/model/concern/ModelEvent.php ( 2.33 KB )
  67. /yingpanguazai/ssd/ssd1/www/no.67808.cn/vendor/topthink/think-orm/src/model/concern/RelationShip.php ( 28.29 KB )
  68. /yingpanguazai/ssd/ssd1/www/no.67808.cn/vendor/topthink/think-helper/src/contract/Arrayable.php ( 0.09 KB )
  69. /yingpanguazai/ssd/ssd1/www/no.67808.cn/vendor/topthink/think-helper/src/contract/Jsonable.php ( 0.13 KB )
  70. /yingpanguazai/ssd/ssd1/www/no.67808.cn/vendor/topthink/think-orm/src/model/contract/Modelable.php ( 0.09 KB )
  71. /yingpanguazai/ssd/ssd1/www/no.67808.cn/vendor/topthink/framework/src/think/Db.php ( 2.88 KB )
  72. /yingpanguazai/ssd/ssd1/www/no.67808.cn/vendor/topthink/think-orm/src/DbManager.php ( 8.52 KB )
  73. /yingpanguazai/ssd/ssd1/www/no.67808.cn/vendor/topthink/framework/src/think/Log.php ( 6.28 KB )
  74. /yingpanguazai/ssd/ssd1/www/no.67808.cn/vendor/topthink/framework/src/think/Manager.php ( 3.92 KB )
  75. /yingpanguazai/ssd/ssd1/www/no.67808.cn/vendor/psr/log/src/LoggerTrait.php ( 2.69 KB )
  76. /yingpanguazai/ssd/ssd1/www/no.67808.cn/vendor/psr/log/src/LoggerInterface.php ( 2.71 KB )
  77. /yingpanguazai/ssd/ssd1/www/no.67808.cn/vendor/topthink/framework/src/think/Cache.php ( 4.92 KB )
  78. /yingpanguazai/ssd/ssd1/www/no.67808.cn/vendor/psr/simple-cache/src/CacheInterface.php ( 4.71 KB )
  79. /yingpanguazai/ssd/ssd1/www/no.67808.cn/vendor/topthink/think-helper/src/helper/Arr.php ( 16.63 KB )
  80. /yingpanguazai/ssd/ssd1/www/no.67808.cn/vendor/topthink/framework/src/think/cache/driver/File.php ( 7.84 KB )
  81. /yingpanguazai/ssd/ssd1/www/no.67808.cn/vendor/topthink/framework/src/think/cache/Driver.php ( 9.03 KB )
  82. /yingpanguazai/ssd/ssd1/www/no.67808.cn/vendor/topthink/framework/src/think/contract/CacheHandlerInterface.php ( 1.99 KB )
  83. /yingpanguazai/ssd/ssd1/www/no.67808.cn/app/Request.php ( 0.09 KB )
  84. /yingpanguazai/ssd/ssd1/www/no.67808.cn/vendor/topthink/framework/src/think/Request.php ( 55.78 KB )
  85. /yingpanguazai/ssd/ssd1/www/no.67808.cn/app/middleware.php ( 0.25 KB )
  86. /yingpanguazai/ssd/ssd1/www/no.67808.cn/vendor/topthink/framework/src/think/Pipeline.php ( 2.61 KB )
  87. /yingpanguazai/ssd/ssd1/www/no.67808.cn/vendor/topthink/think-trace/src/TraceDebug.php ( 3.40 KB )
  88. /yingpanguazai/ssd/ssd1/www/no.67808.cn/vendor/topthink/framework/src/think/middleware/SessionInit.php ( 1.94 KB )
  89. /yingpanguazai/ssd/ssd1/www/no.67808.cn/vendor/topthink/framework/src/think/Session.php ( 1.80 KB )
  90. /yingpanguazai/ssd/ssd1/www/no.67808.cn/vendor/topthink/framework/src/think/session/driver/File.php ( 6.27 KB )
  91. /yingpanguazai/ssd/ssd1/www/no.67808.cn/vendor/topthink/framework/src/think/contract/SessionHandlerInterface.php ( 0.87 KB )
  92. /yingpanguazai/ssd/ssd1/www/no.67808.cn/vendor/topthink/framework/src/think/session/Store.php ( 7.12 KB )
  93. /yingpanguazai/ssd/ssd1/www/no.67808.cn/vendor/topthink/framework/src/think/Route.php ( 23.73 KB )
  94. /yingpanguazai/ssd/ssd1/www/no.67808.cn/vendor/topthink/framework/src/think/route/RuleName.php ( 5.75 KB )
  95. /yingpanguazai/ssd/ssd1/www/no.67808.cn/vendor/topthink/framework/src/think/route/Domain.php ( 2.53 KB )
  96. /yingpanguazai/ssd/ssd1/www/no.67808.cn/vendor/topthink/framework/src/think/route/RuleGroup.php ( 22.43 KB )
  97. /yingpanguazai/ssd/ssd1/www/no.67808.cn/vendor/topthink/framework/src/think/route/Rule.php ( 26.95 KB )
  98. /yingpanguazai/ssd/ssd1/www/no.67808.cn/vendor/topthink/framework/src/think/route/RuleItem.php ( 9.78 KB )
  99. /yingpanguazai/ssd/ssd1/www/no.67808.cn/route/app.php ( 1.72 KB )
  100. /yingpanguazai/ssd/ssd1/www/no.67808.cn/vendor/topthink/framework/src/think/facade/Route.php ( 4.70 KB )
  101. /yingpanguazai/ssd/ssd1/www/no.67808.cn/vendor/topthink/framework/src/think/route/dispatch/Controller.php ( 4.74 KB )
  102. /yingpanguazai/ssd/ssd1/www/no.67808.cn/vendor/topthink/framework/src/think/route/Dispatch.php ( 10.44 KB )
  103. /yingpanguazai/ssd/ssd1/www/no.67808.cn/app/controller/Index.php ( 4.81 KB )
  104. /yingpanguazai/ssd/ssd1/www/no.67808.cn/app/BaseController.php ( 2.05 KB )
  105. /yingpanguazai/ssd/ssd1/www/no.67808.cn/vendor/topthink/think-orm/src/facade/Db.php ( 0.93 KB )
  106. /yingpanguazai/ssd/ssd1/www/no.67808.cn/vendor/topthink/think-orm/src/db/connector/Mysql.php ( 5.44 KB )
  107. /yingpanguazai/ssd/ssd1/www/no.67808.cn/vendor/topthink/think-orm/src/db/PDOConnection.php ( 52.47 KB )
  108. /yingpanguazai/ssd/ssd1/www/no.67808.cn/vendor/topthink/think-orm/src/db/Connection.php ( 8.39 KB )
  109. /yingpanguazai/ssd/ssd1/www/no.67808.cn/vendor/topthink/think-orm/src/db/ConnectionInterface.php ( 4.57 KB )
  110. /yingpanguazai/ssd/ssd1/www/no.67808.cn/vendor/topthink/think-orm/src/db/builder/Mysql.php ( 16.58 KB )
  111. /yingpanguazai/ssd/ssd1/www/no.67808.cn/vendor/topthink/think-orm/src/db/Builder.php ( 24.06 KB )
  112. /yingpanguazai/ssd/ssd1/www/no.67808.cn/vendor/topthink/think-orm/src/db/BaseBuilder.php ( 27.50 KB )
  113. /yingpanguazai/ssd/ssd1/www/no.67808.cn/vendor/topthink/think-orm/src/db/Query.php ( 15.71 KB )
  114. /yingpanguazai/ssd/ssd1/www/no.67808.cn/vendor/topthink/think-orm/src/db/BaseQuery.php ( 45.13 KB )
  115. /yingpanguazai/ssd/ssd1/www/no.67808.cn/vendor/topthink/think-orm/src/db/concern/TimeFieldQuery.php ( 7.43 KB )
  116. /yingpanguazai/ssd/ssd1/www/no.67808.cn/vendor/topthink/think-orm/src/db/concern/AggregateQuery.php ( 3.26 KB )
  117. /yingpanguazai/ssd/ssd1/www/no.67808.cn/vendor/topthink/think-orm/src/db/concern/ModelRelationQuery.php ( 20.07 KB )
  118. /yingpanguazai/ssd/ssd1/www/no.67808.cn/vendor/topthink/think-orm/src/db/concern/ParamsBind.php ( 3.66 KB )
  119. /yingpanguazai/ssd/ssd1/www/no.67808.cn/vendor/topthink/think-orm/src/db/concern/ResultOperation.php ( 7.01 KB )
  120. /yingpanguazai/ssd/ssd1/www/no.67808.cn/vendor/topthink/think-orm/src/db/concern/WhereQuery.php ( 19.37 KB )
  121. /yingpanguazai/ssd/ssd1/www/no.67808.cn/vendor/topthink/think-orm/src/db/concern/JoinAndViewQuery.php ( 7.11 KB )
  122. /yingpanguazai/ssd/ssd1/www/no.67808.cn/vendor/topthink/think-orm/src/db/concern/TableFieldInfo.php ( 2.63 KB )
  123. /yingpanguazai/ssd/ssd1/www/no.67808.cn/vendor/topthink/think-orm/src/db/concern/Transaction.php ( 2.77 KB )
  124. /yingpanguazai/ssd/ssd1/www/no.67808.cn/vendor/topthink/framework/src/think/log/driver/File.php ( 5.96 KB )
  125. /yingpanguazai/ssd/ssd1/www/no.67808.cn/vendor/topthink/framework/src/think/contract/LogHandlerInterface.php ( 0.86 KB )
  126. /yingpanguazai/ssd/ssd1/www/no.67808.cn/vendor/topthink/framework/src/think/log/Channel.php ( 3.89 KB )
  127. /yingpanguazai/ssd/ssd1/www/no.67808.cn/vendor/topthink/framework/src/think/event/LogRecord.php ( 1.02 KB )
  128. /yingpanguazai/ssd/ssd1/www/no.67808.cn/vendor/topthink/think-helper/src/Collection.php ( 16.47 KB )
  129. /yingpanguazai/ssd/ssd1/www/no.67808.cn/vendor/topthink/framework/src/think/facade/View.php ( 1.70 KB )
  130. /yingpanguazai/ssd/ssd1/www/no.67808.cn/vendor/topthink/framework/src/think/View.php ( 4.39 KB )
  131. /yingpanguazai/ssd/ssd1/www/no.67808.cn/vendor/topthink/framework/src/think/Response.php ( 8.81 KB )
  132. /yingpanguazai/ssd/ssd1/www/no.67808.cn/vendor/topthink/framework/src/think/response/View.php ( 3.29 KB )
  133. /yingpanguazai/ssd/ssd1/www/no.67808.cn/vendor/topthink/framework/src/think/Cookie.php ( 6.06 KB )
  134. /yingpanguazai/ssd/ssd1/www/no.67808.cn/vendor/topthink/think-view/src/Think.php ( 8.38 KB )
  135. /yingpanguazai/ssd/ssd1/www/no.67808.cn/vendor/topthink/framework/src/think/contract/TemplateHandlerInterface.php ( 1.60 KB )
  136. /yingpanguazai/ssd/ssd1/www/no.67808.cn/vendor/topthink/think-template/src/Template.php ( 46.61 KB )
  137. /yingpanguazai/ssd/ssd1/www/no.67808.cn/vendor/topthink/think-template/src/template/driver/File.php ( 2.41 KB )
  138. /yingpanguazai/ssd/ssd1/www/no.67808.cn/vendor/topthink/think-template/src/template/contract/DriverInterface.php ( 0.86 KB )
  139. /yingpanguazai/ssd/ssd1/www/no.67808.cn/runtime/temp/6df755f970a38e704c5414acbc6e8bcd.php ( 12.06 KB )
  140. /yingpanguazai/ssd/ssd1/www/no.67808.cn/vendor/topthink/think-trace/src/Html.php ( 4.42 KB )
  1. CONNECT:[ UseTime:0.000591s ] mysql:host=127.0.0.1;port=3306;dbname=no_67808;charset=utf8mb4
  2. SHOW FULL COLUMNS FROM `fenlei` [ RunTime:0.000684s ]
  3. SELECT * FROM `fenlei` WHERE `fid` = 0 [ RunTime:0.000277s ]
  4. SELECT * FROM `fenlei` WHERE `fid` = 63 [ RunTime:0.000283s ]
  5. SHOW FULL COLUMNS FROM `set` [ RunTime:0.000519s ]
  6. SELECT * FROM `set` [ RunTime:0.000212s ]
  7. SHOW FULL COLUMNS FROM `article` [ RunTime:0.000629s ]
  8. SELECT * FROM `article` WHERE `id` = 483239 LIMIT 1 [ RunTime:0.000391s ]
  9. UPDATE `article` SET `lasttime` = 1776948779 WHERE `id` = 483239 [ RunTime:0.003062s ]
  10. SELECT * FROM `fenlei` WHERE `id` = 65 LIMIT 1 [ RunTime:0.000235s ]
  11. SELECT * FROM `article` WHERE `id` < 483239 ORDER BY `id` DESC LIMIT 1 [ RunTime:0.000994s ]
  12. SELECT * FROM `article` WHERE `id` > 483239 ORDER BY `id` ASC LIMIT 1 [ RunTime:0.000407s ]
  13. SELECT * FROM `article` WHERE `id` < 483239 ORDER BY `id` DESC LIMIT 10 [ RunTime:0.001297s ]
  14. SELECT * FROM `article` WHERE `id` < 483239 ORDER BY `id` DESC LIMIT 10,10 [ RunTime:0.001605s ]
  15. SELECT * FROM `article` WHERE `id` < 483239 ORDER BY `id` DESC LIMIT 20,10 [ RunTime:0.002932s ]
0.082822s