在PCB的运作体系中,IC插座就如同宇宙飞船的对接舱口一样,负责集成电路(IC)的接入与传输。它提供了稳定、可靠的电气连接,确保集成电路能够正常工作,并与整个系统保持高效的沟通。正如对接舱口能够精准对接不同的太空舱或设备,IC插座也能与各种集成电路完美匹配,实现功能的扩展与整合。此外,对接舱口在太空探索中具备灵活性和适应性的特点,与IC插座在电路设计中的功能相契合。当需要更换或升级集成电路时,只需简单地将旧的IC从插座中拔出,再将新的IC插入即可。这种插拔式的操作方式不仅方便快捷,而且降低了维修和更换的难度。
同时,对接舱口在飞船中承担着重要的安全保障作用,能够应对各种复杂环境和突发状况。同样地,IC插座也能够在电路遭遇异常时,如电流过大或短路等,起到保护作用,确保整个系统的稳定运行。
4.1 测试治具的组成
IC测试座(SOCKET)是一种将IC上的引脚引出到测试PCB上的治具,与常规IC直接焊接至PCB不同,使用Socket可以很容易的更换芯片,同时不对芯片造成损伤。
Socket的类型多种多样,按照使用场景划分,有ATE socket、系统级别测试SLT(System Level Test) socket、老化Burn-in socket、晶圆片级芯片规模封装WLCSP(Wafer Level Chip Scale Packaging ) socket等,这里我们主要讲ATE使用的socket。目前使用最为广泛的莫过于pogopin socket,其采用弹簧针结构,其探针种类多种多样,具有寿命高,接触性能好,易于保养的特点,广泛用于各种类型封装体的测试上。
在产品开发过程中,我们首先需要了解被测产品的封装尺寸以及测试需求,例如最大单Pin的最大电流电压,工作最高频率,接触性能要求,测试温度及散热需求等,在设计socket时会根据这些需求挑选满足要求的探针,按照相应的封装尺寸去设计相应的socket结构,同时还要保证socket的结构能够适配所使用的测试机械手(handler),如图4-1所示为常见socket。
图4-2 Socket组成
从socket的表面来看,它是由五个部分组成:芯片和芯片测试座引脚接触的部分、接触介质部分的结构、引脚引出部分、测试座的外部固定结构、材料部分,接触介质和外部结构的材料符合此款芯片的测试要求,如图4-2所示。
芯片和芯片测试座引脚接触的部分:当下芯片与芯片测试座引脚接触的主流接触方式是弹片和探针结构。弹片主要是利用低阻抗的铍铜铜质材料,模具铸成弹性结构,为芯片接触提供接触力支撑以及减小接触阻抗。目前各大主流封测厂,还要求弹片至少具备1W次的寿命要求。常用的弹片接触芯片方式有两种,一种是单片双触点形式,另外一种结构是探针。单片双触点形式,一般出现在HMILU的SOP测试座、QFP测试座比较多,这两种封装的引脚外凸,需要弹片的夹型结构来固定并导通。
测试探针,是半导体测试中,最常见且十分重要的冶具。探针结构也是采用铍铜,根据实际的测试要求表面镀层,一般应用于BGA,QFN等,探针直上直下的结构,能在原有测试主板的结构上进行机械结构的组合,在测试芯片的同时,还原测试版的原有功能,如图4-3所示。
探针的内部具有弹性结构,其针头的仿形使其匹配不同的需求,能够增加接触面与接触稳定性,从而降低接触阻抗,辅助测试更好地进行。
随着我国半导体事业的发展,国产探针需求逐年递增,探针行业处于高速发展阶段。最小间距可达0.20P,多种探针top设计,多种探针结构设计,满足多样封装测试要求。
接触介质部分的结构:众所周知,接触介质的接触物理结构方面的仿形设计能够减少接触阻抗,并且需通过镀层的形式来进一步降低探针和弹片的主体阻抗,同时还需兼具备接触介质的长期的良好的接触,最终避免在接触时产生额外的噪声。目前市场上镀层形式种类有很多,其中包括镀金,镀银,还有镀钯金等等。
我们最常见的便是镀金,但是镀金并不是为了减少电阻,而是因为金不易氧化,稳定性更强,可以承受长期多次的插拔之后,依旧稳定。
引脚引出部分:引脚引出部分主要说的是弹片针脚和探针阵脚,这两个部分各有特点。弹片根据其平面型结构的情况,将引脚放大,并发挥放大引脚的功能,归根结底是要回归到测试板上来,这种弹片类型的测试座,一般应用于老化测试的较多,主要是其材料的限制。探针引脚,其结构直上直下,接触芯片原焊盘的位置,只能通过PCB转接的方式。
测试座的外部固定结构:外部结构主要是用于固定测试插座的接触介质结构,并严格控制固定接触介质的位置(精密控制),同时材料需要符合测试要求。
简而言之,外部结构对内需要固定引脚,对外需要固定整个测试座,同时还需要符合整个芯片测试的实际要求。材料部分:测试插座的材料需要符合实际的芯片测试要求。例如做老化测试,测试要求是适用于高低温的测试环境,那么对应的材料需要优先满足这些要求;再比如功能测试,需要对频率、电流、功率等电性能方面有一定要求,那么接触介质的参数也是需要优于需求,以满足测试的正常进行。因此测试插座又被称为符合芯片测试要求的精密转接头。
测试插座身为半导体制造过程的关键零部件,但随着封装类型的激增、尺寸的缩小和速度的提高,设计者必须应对越来越多的不同挑战。
芯片更新迭代的速度变得越来越快,功能越来越复杂,这就要求更高的测试可靠性和更少的测试时间以将产品快速推出市场。
4.2 测试治具的PCB封装
根据我们的需要本次我们主要围绕DIP14、DIP16、DIP20、DIP24、DIP28、DIP32、DIP40、SOP8、SOP14、TSSOP20、QFP64等Socket的PCB封装来进行概述,以上的座子实物如图4-6所示。 
4.2.1 DIP14型号Socket封装制作
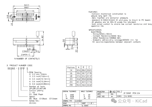
DIP系列芯片测试所用插座基本都是使用IC锁紧座,这里以DIP14IC锁紧座为例讲解插座的PCB封装。图4-6是锁紧座的尺寸信息,读者可据此制作锁紧座的封装。
表4-1记录了DIP14 IC锁紧座的14个焊盘位置以及尺寸信息,供读者设计自己的PCB封装,特别注意我们使用的通孔都是圆形。
编号 | 位置信息(mm) | 焊盘形状 | 焊盘尺寸(mm) | 角度 | 孔直径(mm) |
X | Y | X | Y |
1 | 0 | 0 | 圆角矩形 | 2 | 1.44 | 180° | 1 |
2 | 0 | -2.54 | 椭圆 | 2 | 1.44 | 180° | 1 |
3 | 0 | -5.08 | 椭圆 | 2 | 1.44 | 180° | 1 |
4 | 0 | -7.62 | 椭圆 | 2 | 1.44 | 180° | 1 |
5 | 0 | -10.16 | 椭圆 | 2 | 1.44 | 180° | 1 |
6 | 0 | -12.7 | 椭圆 | 2 | 1.44 | 180° | 1 |
7 | 0 | -15.24 | 椭圆 | 2 | 1.44 | 180° | 1 |
8 | 7.62 | -15.24 | 椭圆 | 2 | 1.44 | 180° | 1 |
9 | 7.62 | -12.7 | 椭圆 | 2 | 1.44 | 180° | 1 |
10 | 7.62 | -10.16 | 椭圆 | 2 | 1.44 | 180° | 1 |
11 | 7.62 | -7.62 | 椭圆 | 2 | 1.44 | 180° | 1 |
12 | 7.62 | -5.08 | 椭圆 | 2 | 1.44 | 180° | 1 |
13 | 7.62 | -2.54 | 椭圆 | 2 | 1.44 | 180° | 1 |
14 | 7.62 | 0 | 椭圆 | 2 | 1.44 | 180° | 1 |
焊盘位置确定后再根据数据手册中的尺寸信息绘制外框,完成后如图4-7所示。
图4-7 DIP14锁紧座PCB封装
4.2.2 SOP型号Socket封装制作
SOP代表“Small Outline Package”,意为“小外形封装”。这种封装形式的主要特点是其尺寸相对较小,比传统的DIP封装更为紧凑,因此能够节省空间并提高线路密度。
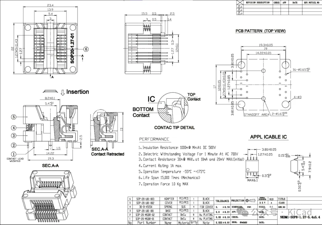
SOP8包括两个尺寸,一个是1.27-5.4×5.4,另一个是1.27-3.9×4.9,接下来分别对这两个型号进行概述。1.SOP8_1.27-5.4×5.4尺寸
SOP8_1.27-5.4×5.4尺寸信息如图4-8所示。

编号 | 位置信息(mm) | 焊盘形状 | 焊盘尺寸(mm) | 钻孔形状 | 孔直径(mm) |
X | Y | X | Y |
1 | 0 | 0 | 椭圆 | 1 | 1 | 圆形 | 0.75 |
2 | 2.54 | -1.27 | 椭圆 | 1 | 1 | 圆形 | 0.75 |
3 | 0 | -2.54 | 椭圆 | 1 | 1 | 圆形 | 0.75 |
4 | 2.54 | -3.81 | 椭圆 | 1 | 1 | 圆形 | 0.75 |
5 | 19.3 | -3.81 | 椭圆 | 1 | 1 | 圆形 | 0.75 |
6 | 16.76 | -2.54 | 椭圆 | 1 | 1 | 圆形 | 0.75 |
7 | 19.3 | -1.27 | 椭圆 | 1 | 1 | 圆形 | 0.75 |
8 | 16.76 | 0 | 椭圆 | 1 | 1 | 圆形 | 0.75 |
9 | 9.65 | 0.285 | 椭圆 | 1.7 | 1.7 | 圆形 | 1.75 |
10 | 9.65 | -11.715 | 椭圆 | 1.7 | 1.7 | 圆形 | 1.75 |
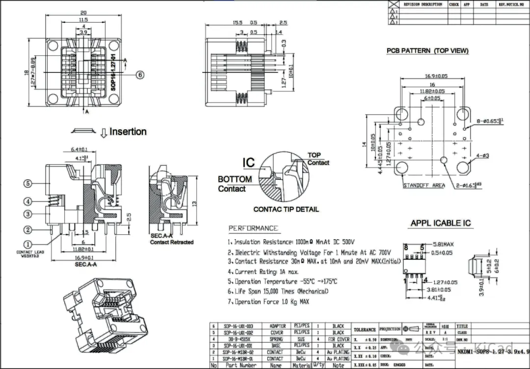
2.SOP8_1.27-3.9×4.9尺寸
SOP8_1.27-3.9×4.9尺寸信息如图4-10所示。

图4-10 1.27-3.9×4.9尺寸型号尺寸图焊盘信息如表4-3所示。
表4-3 1.27-3.9×4.9座子封装信息
编号 | 位置信息(mm) | 焊盘形状 | 焊盘尺寸(mm) | 钻孔形状 | 孔直径(mm) |
X | Y | X | Y |
1 | 0 | 0 | 椭圆 | 1 | 1 | 圆形 | 0.75 |
2 | 2.54 | -1.27 | 椭圆 | 1 | 1 | 圆形 | 0.75 |
3 | 0 | -2.54 | 椭圆 | 1 | 1 | 圆形 | 0.75 |
4 | 2.54 | -3.81 | 椭圆 | 1 | 1 | 圆形 | 0.75 |
5 | 16.9 | -3.81 | 椭圆 | 1 | 1 | 圆形 | 0.75 |
6 | 14.36 | -2.54 | 椭圆 | 1 | 1 | 圆形 | 0.75 |
7 | 16.9 | -1.27 | 椭圆 | 1 | 1 | 圆形 | 0.75 |
8 | 14.36 | 0 | 椭圆 | 1 | 1 | 圆形 | 0.75 |
9 | 5.45 | 0.555 | 椭圆 | 1.7 | 1.7 | 圆形 | 1.75 |
10 | 11.45 | -9.445 | 椭圆 | 1.7 | 1.7 | 圆形 | 1.75 |
绘制完成的封装如图4-11所示。
图4-11 1.27-3.9×4.9尺寸型号封装图3.SOP28_1.27_7.5×17.9尺寸
SOP28_1.27-7.5×17.9尺寸信息如图4-12所示。
图4-12 1.27-7.5×17.9尺寸型号尺寸图表4-4 1.27-1.27×17.9座子封装信息编号 | 位置信息(mm) | 焊盘形状 | 焊盘尺寸(mm) | 钻孔形状 | 孔直径(mm) |
X | Y | X | Y |
1 | 0 | 0 | 椭圆 | 1 | 1 | 圆形 | 0.75 |
2 | -2.54 | -1.27 | 椭圆 | 1 | 1 | 圆形 | 0.75 |
3 | 0 | -2.54 | 椭圆 | 1 | 1 | 圆形 | 0.75 |
4 | -2.54 | -3.81 | 椭圆 | 1 | 1 | 圆形 | 0.75 |
5 | 0 | -5.08 | 椭圆 | 1 | 1 | 圆形 | 0.75 |
6 | -2.54 | -6.35 | 椭圆 | 1 | 1 | 圆形 | 0.75 |
7 | 0 | -7.62 | 椭圆 | 1 | 1 | 圆形 | 0.75 |
8 | -2.54 | -8.89 | 椭圆 | 1 | 1 | 圆形 | 0.75 |
9 | 0 | -10.16 | 椭圆 | 1 | 1 | 圆形 | 0.75 |
10 | -2.54 | -11.23 | 椭圆 | 1 | 1 | 圆形 | 0.75 |
11 | 0 | -12.7 | 椭圆 | 1 | 1 | 圆形 | 0.75 |
12 | -2.54 | -13.97 | 椭圆 | 1 | 1 | 圆形 | 0.75 |
13 | 0 | -15.24 | 椭圆 | 1 | 1 | 圆形 | 0.75 |
14 | -2.54 | -16.51 | 椭圆 | 1 | 1 | 圆形 | 0.75 |
15 | 16.22 | -16.51 | 椭圆 | 1 | 1 | 圆形 | 0.75 |
16 | 18.76 | -15.24 | 椭圆 | 1 | 1 | 圆形 | 0.75 |
17 | 16.22 | -13.97 | 椭圆 | 1 | 1 | 圆形 | 0.75 |
18 | 18.76 | -12.7 | 椭圆 | 1 | 1 | 圆形 | 0.75 |
19 | 16.22 | -11.43 | 椭圆 | 1 | 1 | 圆形 | 0.75 |
20 | 18.76 | -10.16 | 椭圆 | 1 | 1 | 圆形 | 0.75 |
21 | 16.22 | -8.89 | 椭圆 | 1 | 1 | 圆形 | 0.75 |
22 | 18.76 | -7.62 | 椭圆 | 1 | 1 | 圆形 | 0.75 |
23 | 16.22 | -6.35 | 椭圆 | 1 | 1 | 圆形 | 0.75 |
24 | 18.76 | -5.08 | 椭圆 | 1 | 1 | 圆形 | 0.75 |
25 | 16.22 | -3.81 | 椭圆 | 1 | 1 | 圆形 | 0.75 |
26 | 18.76 | -2.54 | 椭圆 | 1 | 1 | 圆形 | 0.75 |
27 | 16.22 | -1.27 | 椭圆 | 1 | 1 | 圆形 | 0.75 |
28 | 18.76 | 0 | 椭圆 | 1 | 1 | 圆形 | 0.75 |
29 | 8.11 | 1.745 | 椭圆 | 1.7 | 1.7 | 圆形 | 1.7 |
30 | 8.11 | -18.255 | 椭圆 | 1.7 | 1.7 | 圆形 | 1.7 |
4.SOP16_1.27_3.9_8.7
SOP16_1.27-3.9×8.7尺寸信息如图4-14所示。
图4-14 SOP16_1.27-3.9×8.7尺寸信息编号 | 位置信息(mm) | 焊盘形状 | 焊盘尺寸(mm) | 钻孔形状 | 孔直径(mm) |
X | Y | X | Y |
1 | 0 | 0 | 椭圆 | 1.143 | 1.143 | 圆形 | 0.813 |
2 | 2.54 | -1.27 | 椭圆 | 1.143 | 1.143 | 圆形 | 0.813 |
3 | 0 | -2.54 | 椭圆 | 1.143 | 1.143 | 圆形 | 0.813 |
4 | 2.54 | -3.81 | 椭圆 | 1.143 | 1.143 | 圆形 | 0.813 |
5 | 0 | -5.08 | 椭圆 | 1.143 | 1.143 | 圆形 | 0.813 |
6 | 2.54 | -6.35 | 椭圆 | 1.143 | 1.143 | 圆形 | 0.813 |
7 | 0 | -7.62 | 椭圆 | 1.143 | 1.143 | 圆形 | 0.813 |
8 | 2.54 | -8.89 | 椭圆 | 1.143 | 1.143 | 圆形 | 0.813 |
9 | 16.891 | -8.89 | 椭圆 | 1.143 | 1.143 | 圆形 | 0.813 |
10 | 14.351 | -7.62 | 椭圆 | 1.143 | 1.143 | 圆形 | 0.813 |
11 | 16.891 | -6.35 | 椭圆 | 1.143 | 1.143 | 圆形 | 0.813 |
12 | 14.351 | -5.08 | 椭圆 | 1.143 | 1.143 | 圆形 | 0.813 |
13 | 16.891 | -3.81 | 椭圆 | 1.143 | 1.143 | 圆形 | 0.813 |
14 | 14.351 | -2.54 | 椭圆 | 1.143 | 1.143 | 圆形 | 0.813 |
15 | 16.891 | -1.27 | 椭圆 | 1.143 | 1.143 | 圆形 | 0.813 |
16 | 14.351 | 0 | 椭圆 | 1.143 | 1.143 | 圆形 | 0.813 |
17 | 5.446 | 0.508 | 椭圆 | 1.778 | 1.778 | 圆形 | 1.778 |
18 | 11.445 | -9.398 | 椭圆 | 1.778 | 1.778 | 圆形 | 1.778 |
绘制完成的封装如图4-15所示。
如果您想一口气读完 Kerman 的笔记,可以访问以下链接:
https://github.com/HubertHQH/KiCad_Design_Guide记得读完后一定给个Star,分享您的体会;鼓励 Kerman 同学继续写作,完成剩下的章节。
注意:如果想第一时间收到 KiCad 内容推送,请点击下方的名片,按关注,再设为星标。