26闭合电路的欧姆定律
[分值:100分]

1~8题每题7分,共56分
考点一 电源的电动势
1.(多选)一组铅蓄电池的电动势为4.8 V,内阻不为零,以下说法中正确的是( )
A.电路中每通过1 C电荷量,铅蓄电池能把4.8 J的化学能转变为电能
B.体积大的铅蓄电池比体积小的铅蓄电池的电动势大
C.电路中每通过1 C电荷量,铅蓄电池内部非静电力做功为4.8 J
D.该铅蓄电池把其他形式的能转化为电能的本领比一节干电池(电动势为1.5 V)的强
2.(2023·广州市高二期中)下列关于电压与电动势的说法中,正确的是( )
A.电动势与电压是同一物理量的不同叫法
B.电动势就是电源两极间的电压
C.电动势公式E=Wq中的W是电场力做的功
D.电动势与电压从能量转化的角度来说有本质的区别
考点二 闭合电路的欧姆定律
3.(多选)纯电阻电路中若用E表示电源电动势,U表示外电压,U′表示内电压,R表示外电路的总电阻,r表示内电阻,I表示电流,则下列各式中一定正确的是( )
A.U=2U′B.U′=E-U
C.U=E-IrD.U=RR+r·E
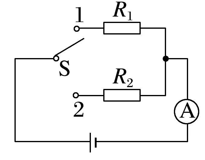
4.某同学利用如图所示的电路来探究闭合电路中总电流与电源电动势的关系,其中定值电阻R1=10 Ω、R2=8 Ω,电源的内阻r=2 Ω。当单刀双掷开关接1时电流表的示数为I1=0.2 A;则当单刀双掷开关接2时,电流表的示数I2为( )

A.0.24 AB.0.2 AC.0.18 AD.0.3 A
5.(多选)在如图所示的电路中,R1=10 Ω,R2=8 Ω,当a、b两点间接理想电流表时,其读数为0.5 A,当a、b两点间接理想电压表时,其读数为2.5 V,则该电源的电动势和内电阻分别为( )

A.E=2.5 VB.E=5 V
C.r=1 ΩD.r=2 Ω
考点三 路端电压与负载的关系
6.一太阳能电池板,测得它的开路电压为800 mV,短路电流为400 mA,若将该电池板与一阻值为18 Ω的电阻器连成一闭合电路,则它的路端电压约为( )
A.0.72 VB.0.36 VC.0.18 VD.0.08 V
7.(2024·广东省六校联盟高二联考)如图所示的电路中,电阻R=2 Ω。断开S后,理想电压表的读数为1.5 V;闭合S后,理想电压表的读数为1.2 V,则电源的内阻r为( )

A.0.4 ΩB.0.5 Ω
C.1 ΩD.2 Ω
8.(2024·深圳市高二期中)某人测试电池的路端电压随干路电流的变化关系和某一定值电阻R两端的电压与通过该电阻的电流关系的U-I图像如图所示。若将该电源与定值电阻R串联构成闭合回路,下列分析中正确的是( )

A.甲图线反映定值电阻R的U-I关系,R=4.0 Ω
B.乙图线反映电源的U-I关系,其电动势E=5.0 V
C.电源内阻是53 Ω
D.该电池的短路电流是3 A

9、10题每题9分,11题16分,共34分
9.(2023·龙岩市高二期末)物理老师在课堂上做了一个演示实验,电路如图所示,当电路中点亮的电灯数量逐渐增多时,已点亮的电灯亮度却逐渐变暗。对这一现象的解释,下列说法正确的是( )

A.外电路的总电阻逐渐变小,电灯两端的电压保持不变
B.外电路的总电阻逐渐变小,电灯两端的电压逐渐变小
C.外电路的总电阻逐渐变大,电灯两端的电压逐渐变小
D.外电路的总电阻逐渐变大,电灯两端的电压逐渐变大
10.(多选)在如图所示的电路中,电源电动势E和内阻r均为定值,当外电路电阻R发生变化时,电路中电流I、路端电压U、内电压U′都将随之发生变化。下列图像能正确表示其变化规律的是( )


11.(16分)(2023·佛山市高二联考)在如图所示的电路中,两电表均为理想电表,当滑动变阻器的滑片位于最左端时,两电表的示数分别为10 V、0.2 A;当滑动变阻器的滑片位于最右端时,两电表的示数分别为4 V、0.5 A。已知R1=84 Ω,求:

(1)(8分)滑动变阻器的最大电阻值;
(2)(8分)电源的电动势E、内阻r。
(10分)
12.太阳能电池板在有光照时,可以将光能转化为电能。太阳能电池板作为电源,其路端电压与干路电流的关系如图中的曲线所示,图中倾斜直线为太阳能电池板的负载两端电压U随干路电流I变化的图像,下列说法正确的是( )
通过网盘分享的文件:word讲义
链接: https://pan.baidu.com/s/1JYC12PUPGPNazMlYWE5hgQ?pwd=4321 提取码: 4321
--来自百度网盘超级会员v8的分享