资源下载
学习资料
学习笔记
考研真题
当前位置:
首页
>
学习笔记
>500kV主变保护及二次回路学习笔记三(自用)
500kV主变保护及二次回路学习笔记三(自用)
2026-05-13 09:55:39
500kV主变保护及二次回路学习笔记三(自用)
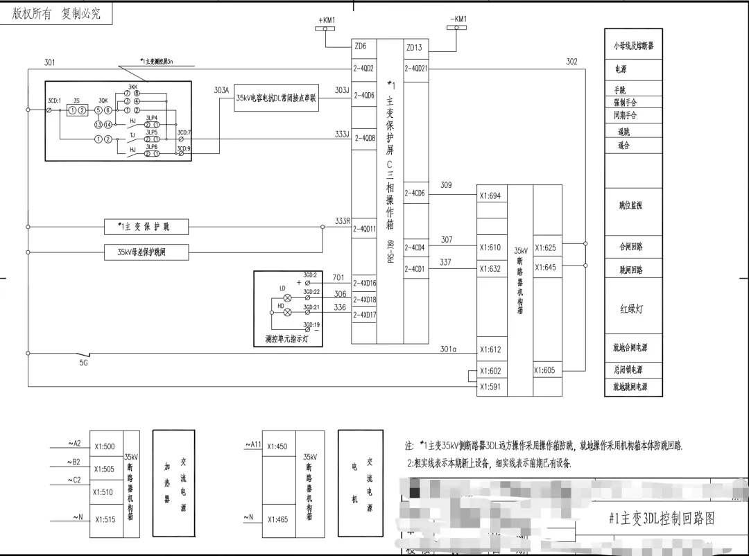
十二、失灵相关回路
主变保护变中给220kV母差的开入,包括保护其失灵和操作箱启动失灵,因为主变不是分相开关,所以保护没有分相启失灵。还有失灵解除复压。
可以看到线路有分相启动失灵。
此回路为500kV断路器和220kV母线保护联跳主变三侧开入回路。
其动作回路图为:非电量保护装置提高一个开入回路电源,当500kV断路器和220kV母线保护联跳主变三侧开入回路闭合时,非电量保护装置收到联切开入,CJ继电器闭合,然后通过出口压板使得出口继电器ACJ和BCJ闭合,这个继电器是非电量跳闸继电器,重瓦斯动作也是启动这个继电器。
跳闸继电器动作后,通过各侧开关操作箱跳开断路器。
十三、各类
C屏压板,中压侧和低压侧操作箱都在C屏
保护屏压板
本文来自网友投稿或网络内容,如有侵犯您的权益请联系我们删除,联系邮箱:wyl860211@qq.com 。
学习笔记 授权签字人必看 《柴油车尾气检验检测过程技术问题1000问》之四,机构培训考核提问大纲
读书笔记(十二)-《关键跃升:新任管理者成事的底层逻辑》
最新文章
学习笔记 授权签字人必看 《柴油车尾气检验检测过程技术问题1000问》之四,机构培训考核提问大纲
学习笔记第1569页
学习笔记|03-15
读书笔记——Everything I Never Told You
Open Claw学习笔记1:怎么上手
幼儿园责任督学参考学习资料
艾灸实战学习笔记五:湿热弥散三焦兼胆虚痰阻的辨证与调理胆虚痰阻的辩证与调理
新概念四册学习笔记(第41课)
学习笔记:用AI设计工具Seede,轻松制作专业海报
学习《沟通的方法》读书笔记
热门文章
英语学习笔记-一般/特殊/选择/反意疑问句
坚持写日记:53天《道德经》学习笔记
全球矿业巨头的蝶变之路——紫金矿业学习笔记(一)
学习笔记第1876期 | 现在做生意获取信任的方式
“新理”有你,有“记”可循学习笔记分享活动
社区工作者的政治学习笔记被要求每周交一次太频繁了?
学习笔记|2.2 类改良药非临床研究需要关注的问题
3月14号,学习笔记
【学习笔记450】纪检查办案件丨违规从事营利活动行为与内幕交易、泄露内幕信息罪有何区别
如何理解“男尊女卑”—如是学习笔记
随机文章
10个月宝宝每天需要喝多少奶粉?
80后大叔的学习笔记:每天学几句,读一读、写一写、练一练(二).
倪师学习笔记(十八)
读书班学习笔记 | 达州市中医药管理局党组书记潘峰:拼搏实干、奋楫争先,高质量推进中医药传承创新发展
读书班学习笔记①丨看看田城学员们的所思所想所谋所行
学习笔记,过于追求确定性,会消灭韧性
案例学习笔记57 | 当一个人问“我为什么努力”,他在问什么
中医学习笔记 | 身体的“健康账户”,你存够钱了吗?
读书班学习笔记 | 达州市数据局党组书记、局长于贵:锚定四大方向 推进达州数据工作高质量发展
学习笔记十一
《道德经》第11章 学习笔记
基本
文件
流程
错误
SQL
调试
请求信息 : 2026-05-15 09:58:53 HTTP/2.0 GET : https://67808.cn/a/474400.html
运行时间 : 0.094901s [ 吞吐率:10.54req/s ] 内存消耗:4,426.30kb 文件加载:140
缓存信息 : 0 reads,0 writes
会话信息 : SESSION_ID=eececae6c4ad18845902d315e2a70c35
/yingpanguazai/ssd/ssd1/www/no.67808.cn/public/index.php ( 0.79 KB )
/yingpanguazai/ssd/ssd1/www/no.67808.cn/vendor/autoload.php ( 0.17 KB )
/yingpanguazai/ssd/ssd1/www/no.67808.cn/vendor/composer/autoload_real.php ( 2.49 KB )
/yingpanguazai/ssd/ssd1/www/no.67808.cn/vendor/composer/platform_check.php ( 0.90 KB )
/yingpanguazai/ssd/ssd1/www/no.67808.cn/vendor/composer/ClassLoader.php ( 14.03 KB )
/yingpanguazai/ssd/ssd1/www/no.67808.cn/vendor/composer/autoload_static.php ( 4.90 KB )
/yingpanguazai/ssd/ssd1/www/no.67808.cn/vendor/topthink/think-helper/src/helper.php ( 8.34 KB )
/yingpanguazai/ssd/ssd1/www/no.67808.cn/vendor/topthink/think-validate/src/helper.php ( 2.19 KB )
/yingpanguazai/ssd/ssd1/www/no.67808.cn/vendor/topthink/think-orm/src/helper.php ( 1.47 KB )
/yingpanguazai/ssd/ssd1/www/no.67808.cn/vendor/topthink/think-orm/stubs/load_stubs.php ( 0.16 KB )
/yingpanguazai/ssd/ssd1/www/no.67808.cn/vendor/topthink/framework/src/think/Exception.php ( 1.69 KB )
/yingpanguazai/ssd/ssd1/www/no.67808.cn/vendor/topthink/think-container/src/Facade.php ( 2.71 KB )
/yingpanguazai/ssd/ssd1/www/no.67808.cn/vendor/symfony/deprecation-contracts/function.php ( 0.99 KB )
/yingpanguazai/ssd/ssd1/www/no.67808.cn/vendor/symfony/polyfill-mbstring/bootstrap.php ( 8.26 KB )
/yingpanguazai/ssd/ssd1/www/no.67808.cn/vendor/symfony/polyfill-mbstring/bootstrap80.php ( 9.78 KB )
/yingpanguazai/ssd/ssd1/www/no.67808.cn/vendor/symfony/var-dumper/Resources/functions/dump.php ( 1.49 KB )
/yingpanguazai/ssd/ssd1/www/no.67808.cn/vendor/topthink/think-dumper/src/helper.php ( 0.18 KB )
/yingpanguazai/ssd/ssd1/www/no.67808.cn/vendor/symfony/var-dumper/VarDumper.php ( 4.30 KB )
/yingpanguazai/ssd/ssd1/www/no.67808.cn/vendor/topthink/framework/src/think/App.php ( 15.30 KB )
/yingpanguazai/ssd/ssd1/www/no.67808.cn/vendor/topthink/think-container/src/Container.php ( 15.76 KB )
/yingpanguazai/ssd/ssd1/www/no.67808.cn/vendor/psr/container/src/ContainerInterface.php ( 1.02 KB )
/yingpanguazai/ssd/ssd1/www/no.67808.cn/app/provider.php ( 0.19 KB )
/yingpanguazai/ssd/ssd1/www/no.67808.cn/vendor/topthink/framework/src/think/Http.php ( 6.04 KB )
/yingpanguazai/ssd/ssd1/www/no.67808.cn/vendor/topthink/think-helper/src/helper/Str.php ( 7.29 KB )
/yingpanguazai/ssd/ssd1/www/no.67808.cn/vendor/topthink/framework/src/think/Env.php ( 4.68 KB )
/yingpanguazai/ssd/ssd1/www/no.67808.cn/app/common.php ( 0.03 KB )
/yingpanguazai/ssd/ssd1/www/no.67808.cn/vendor/topthink/framework/src/helper.php ( 18.78 KB )
/yingpanguazai/ssd/ssd1/www/no.67808.cn/vendor/topthink/framework/src/think/Config.php ( 5.54 KB )
/yingpanguazai/ssd/ssd1/www/no.67808.cn/config/app.php ( 0.95 KB )
/yingpanguazai/ssd/ssd1/www/no.67808.cn/config/cache.php ( 0.78 KB )
/yingpanguazai/ssd/ssd1/www/no.67808.cn/config/console.php ( 0.23 KB )
/yingpanguazai/ssd/ssd1/www/no.67808.cn/config/cookie.php ( 0.56 KB )
/yingpanguazai/ssd/ssd1/www/no.67808.cn/config/database.php ( 2.48 KB )
/yingpanguazai/ssd/ssd1/www/no.67808.cn/vendor/topthink/framework/src/think/facade/Env.php ( 1.67 KB )
/yingpanguazai/ssd/ssd1/www/no.67808.cn/config/filesystem.php ( 0.61 KB )
/yingpanguazai/ssd/ssd1/www/no.67808.cn/config/lang.php ( 0.91 KB )
/yingpanguazai/ssd/ssd1/www/no.67808.cn/config/log.php ( 1.35 KB )
/yingpanguazai/ssd/ssd1/www/no.67808.cn/config/middleware.php ( 0.19 KB )
/yingpanguazai/ssd/ssd1/www/no.67808.cn/config/route.php ( 1.89 KB )
/yingpanguazai/ssd/ssd1/www/no.67808.cn/config/session.php ( 0.57 KB )
/yingpanguazai/ssd/ssd1/www/no.67808.cn/config/trace.php ( 0.34 KB )
/yingpanguazai/ssd/ssd1/www/no.67808.cn/config/view.php ( 0.82 KB )
/yingpanguazai/ssd/ssd1/www/no.67808.cn/app/event.php ( 0.25 KB )
/yingpanguazai/ssd/ssd1/www/no.67808.cn/vendor/topthink/framework/src/think/Event.php ( 7.67 KB )
/yingpanguazai/ssd/ssd1/www/no.67808.cn/app/service.php ( 0.13 KB )
/yingpanguazai/ssd/ssd1/www/no.67808.cn/app/AppService.php ( 0.26 KB )
/yingpanguazai/ssd/ssd1/www/no.67808.cn/vendor/topthink/framework/src/think/Service.php ( 1.64 KB )
/yingpanguazai/ssd/ssd1/www/no.67808.cn/vendor/topthink/framework/src/think/Lang.php ( 7.35 KB )
/yingpanguazai/ssd/ssd1/www/no.67808.cn/vendor/topthink/framework/src/lang/zh-cn.php ( 13.70 KB )
/yingpanguazai/ssd/ssd1/www/no.67808.cn/vendor/topthink/framework/src/think/initializer/Error.php ( 3.31 KB )
/yingpanguazai/ssd/ssd1/www/no.67808.cn/vendor/topthink/framework/src/think/initializer/RegisterService.php ( 1.33 KB )
/yingpanguazai/ssd/ssd1/www/no.67808.cn/vendor/services.php ( 0.14 KB )
/yingpanguazai/ssd/ssd1/www/no.67808.cn/vendor/topthink/framework/src/think/service/PaginatorService.php ( 1.52 KB )
/yingpanguazai/ssd/ssd1/www/no.67808.cn/vendor/topthink/framework/src/think/service/ValidateService.php ( 0.99 KB )
/yingpanguazai/ssd/ssd1/www/no.67808.cn/vendor/topthink/framework/src/think/service/ModelService.php ( 2.04 KB )
/yingpanguazai/ssd/ssd1/www/no.67808.cn/vendor/topthink/think-trace/src/Service.php ( 0.77 KB )
/yingpanguazai/ssd/ssd1/www/no.67808.cn/vendor/topthink/framework/src/think/Middleware.php ( 6.72 KB )
/yingpanguazai/ssd/ssd1/www/no.67808.cn/vendor/topthink/framework/src/think/initializer/BootService.php ( 0.77 KB )
/yingpanguazai/ssd/ssd1/www/no.67808.cn/vendor/topthink/think-orm/src/Paginator.php ( 11.86 KB )
/yingpanguazai/ssd/ssd1/www/no.67808.cn/vendor/topthink/think-validate/src/Validate.php ( 63.20 KB )
/yingpanguazai/ssd/ssd1/www/no.67808.cn/vendor/topthink/think-orm/src/Model.php ( 23.55 KB )
/yingpanguazai/ssd/ssd1/www/no.67808.cn/vendor/topthink/think-orm/src/model/concern/Attribute.php ( 21.05 KB )
/yingpanguazai/ssd/ssd1/www/no.67808.cn/vendor/topthink/think-orm/src/model/concern/AutoWriteData.php ( 4.21 KB )
/yingpanguazai/ssd/ssd1/www/no.67808.cn/vendor/topthink/think-orm/src/model/concern/Conversion.php ( 6.44 KB )
/yingpanguazai/ssd/ssd1/www/no.67808.cn/vendor/topthink/think-orm/src/model/concern/DbConnect.php ( 5.16 KB )
/yingpanguazai/ssd/ssd1/www/no.67808.cn/vendor/topthink/think-orm/src/model/concern/ModelEvent.php ( 2.33 KB )
/yingpanguazai/ssd/ssd1/www/no.67808.cn/vendor/topthink/think-orm/src/model/concern/RelationShip.php ( 28.29 KB )
/yingpanguazai/ssd/ssd1/www/no.67808.cn/vendor/topthink/think-helper/src/contract/Arrayable.php ( 0.09 KB )
/yingpanguazai/ssd/ssd1/www/no.67808.cn/vendor/topthink/think-helper/src/contract/Jsonable.php ( 0.13 KB )
/yingpanguazai/ssd/ssd1/www/no.67808.cn/vendor/topthink/think-orm/src/model/contract/Modelable.php ( 0.09 KB )
/yingpanguazai/ssd/ssd1/www/no.67808.cn/vendor/topthink/framework/src/think/Db.php ( 2.88 KB )
/yingpanguazai/ssd/ssd1/www/no.67808.cn/vendor/topthink/think-orm/src/DbManager.php ( 8.52 KB )
/yingpanguazai/ssd/ssd1/www/no.67808.cn/vendor/topthink/framework/src/think/Log.php ( 6.28 KB )
/yingpanguazai/ssd/ssd1/www/no.67808.cn/vendor/topthink/framework/src/think/Manager.php ( 3.92 KB )
/yingpanguazai/ssd/ssd1/www/no.67808.cn/vendor/psr/log/src/LoggerTrait.php ( 2.69 KB )
/yingpanguazai/ssd/ssd1/www/no.67808.cn/vendor/psr/log/src/LoggerInterface.php ( 2.71 KB )
/yingpanguazai/ssd/ssd1/www/no.67808.cn/vendor/topthink/framework/src/think/Cache.php ( 4.92 KB )
/yingpanguazai/ssd/ssd1/www/no.67808.cn/vendor/psr/simple-cache/src/CacheInterface.php ( 4.71 KB )
/yingpanguazai/ssd/ssd1/www/no.67808.cn/vendor/topthink/think-helper/src/helper/Arr.php ( 16.63 KB )
/yingpanguazai/ssd/ssd1/www/no.67808.cn/vendor/topthink/framework/src/think/cache/driver/File.php ( 7.84 KB )
/yingpanguazai/ssd/ssd1/www/no.67808.cn/vendor/topthink/framework/src/think/cache/Driver.php ( 9.03 KB )
/yingpanguazai/ssd/ssd1/www/no.67808.cn/vendor/topthink/framework/src/think/contract/CacheHandlerInterface.php ( 1.99 KB )
/yingpanguazai/ssd/ssd1/www/no.67808.cn/app/Request.php ( 0.09 KB )
/yingpanguazai/ssd/ssd1/www/no.67808.cn/vendor/topthink/framework/src/think/Request.php ( 55.78 KB )
/yingpanguazai/ssd/ssd1/www/no.67808.cn/app/middleware.php ( 0.25 KB )
/yingpanguazai/ssd/ssd1/www/no.67808.cn/vendor/topthink/framework/src/think/Pipeline.php ( 2.61 KB )
/yingpanguazai/ssd/ssd1/www/no.67808.cn/vendor/topthink/think-trace/src/TraceDebug.php ( 3.40 KB )
/yingpanguazai/ssd/ssd1/www/no.67808.cn/vendor/topthink/framework/src/think/middleware/SessionInit.php ( 1.94 KB )
/yingpanguazai/ssd/ssd1/www/no.67808.cn/vendor/topthink/framework/src/think/Session.php ( 1.80 KB )
/yingpanguazai/ssd/ssd1/www/no.67808.cn/vendor/topthink/framework/src/think/session/driver/File.php ( 6.27 KB )
/yingpanguazai/ssd/ssd1/www/no.67808.cn/vendor/topthink/framework/src/think/contract/SessionHandlerInterface.php ( 0.87 KB )
/yingpanguazai/ssd/ssd1/www/no.67808.cn/vendor/topthink/framework/src/think/session/Store.php ( 7.12 KB )
/yingpanguazai/ssd/ssd1/www/no.67808.cn/vendor/topthink/framework/src/think/Route.php ( 23.73 KB )
/yingpanguazai/ssd/ssd1/www/no.67808.cn/vendor/topthink/framework/src/think/route/RuleName.php ( 5.75 KB )
/yingpanguazai/ssd/ssd1/www/no.67808.cn/vendor/topthink/framework/src/think/route/Domain.php ( 2.53 KB )
/yingpanguazai/ssd/ssd1/www/no.67808.cn/vendor/topthink/framework/src/think/route/RuleGroup.php ( 22.43 KB )
/yingpanguazai/ssd/ssd1/www/no.67808.cn/vendor/topthink/framework/src/think/route/Rule.php ( 26.95 KB )
/yingpanguazai/ssd/ssd1/www/no.67808.cn/vendor/topthink/framework/src/think/route/RuleItem.php ( 9.78 KB )
/yingpanguazai/ssd/ssd1/www/no.67808.cn/route/app.php ( 1.72 KB )
/yingpanguazai/ssd/ssd1/www/no.67808.cn/vendor/topthink/framework/src/think/facade/Route.php ( 4.70 KB )
/yingpanguazai/ssd/ssd1/www/no.67808.cn/vendor/topthink/framework/src/think/route/dispatch/Controller.php ( 4.74 KB )
/yingpanguazai/ssd/ssd1/www/no.67808.cn/vendor/topthink/framework/src/think/route/Dispatch.php ( 10.44 KB )
/yingpanguazai/ssd/ssd1/www/no.67808.cn/app/controller/Index.php ( 4.81 KB )
/yingpanguazai/ssd/ssd1/www/no.67808.cn/app/BaseController.php ( 2.05 KB )
/yingpanguazai/ssd/ssd1/www/no.67808.cn/vendor/topthink/think-orm/src/facade/Db.php ( 0.93 KB )
/yingpanguazai/ssd/ssd1/www/no.67808.cn/vendor/topthink/think-orm/src/db/connector/Mysql.php ( 5.44 KB )
/yingpanguazai/ssd/ssd1/www/no.67808.cn/vendor/topthink/think-orm/src/db/PDOConnection.php ( 52.47 KB )
/yingpanguazai/ssd/ssd1/www/no.67808.cn/vendor/topthink/think-orm/src/db/Connection.php ( 8.39 KB )
/yingpanguazai/ssd/ssd1/www/no.67808.cn/vendor/topthink/think-orm/src/db/ConnectionInterface.php ( 4.57 KB )
/yingpanguazai/ssd/ssd1/www/no.67808.cn/vendor/topthink/think-orm/src/db/builder/Mysql.php ( 16.58 KB )
/yingpanguazai/ssd/ssd1/www/no.67808.cn/vendor/topthink/think-orm/src/db/Builder.php ( 24.06 KB )
/yingpanguazai/ssd/ssd1/www/no.67808.cn/vendor/topthink/think-orm/src/db/BaseBuilder.php ( 27.50 KB )
/yingpanguazai/ssd/ssd1/www/no.67808.cn/vendor/topthink/think-orm/src/db/Query.php ( 15.71 KB )
/yingpanguazai/ssd/ssd1/www/no.67808.cn/vendor/topthink/think-orm/src/db/BaseQuery.php ( 45.13 KB )
/yingpanguazai/ssd/ssd1/www/no.67808.cn/vendor/topthink/think-orm/src/db/concern/TimeFieldQuery.php ( 7.43 KB )
/yingpanguazai/ssd/ssd1/www/no.67808.cn/vendor/topthink/think-orm/src/db/concern/AggregateQuery.php ( 3.26 KB )
/yingpanguazai/ssd/ssd1/www/no.67808.cn/vendor/topthink/think-orm/src/db/concern/ModelRelationQuery.php ( 20.07 KB )
/yingpanguazai/ssd/ssd1/www/no.67808.cn/vendor/topthink/think-orm/src/db/concern/ParamsBind.php ( 3.66 KB )
/yingpanguazai/ssd/ssd1/www/no.67808.cn/vendor/topthink/think-orm/src/db/concern/ResultOperation.php ( 7.01 KB )
/yingpanguazai/ssd/ssd1/www/no.67808.cn/vendor/topthink/think-orm/src/db/concern/WhereQuery.php ( 19.37 KB )
/yingpanguazai/ssd/ssd1/www/no.67808.cn/vendor/topthink/think-orm/src/db/concern/JoinAndViewQuery.php ( 7.11 KB )
/yingpanguazai/ssd/ssd1/www/no.67808.cn/vendor/topthink/think-orm/src/db/concern/TableFieldInfo.php ( 2.63 KB )
/yingpanguazai/ssd/ssd1/www/no.67808.cn/vendor/topthink/think-orm/src/db/concern/Transaction.php ( 2.77 KB )
/yingpanguazai/ssd/ssd1/www/no.67808.cn/vendor/topthink/framework/src/think/log/driver/File.php ( 5.96 KB )
/yingpanguazai/ssd/ssd1/www/no.67808.cn/vendor/topthink/framework/src/think/contract/LogHandlerInterface.php ( 0.86 KB )
/yingpanguazai/ssd/ssd1/www/no.67808.cn/vendor/topthink/framework/src/think/log/Channel.php ( 3.89 KB )
/yingpanguazai/ssd/ssd1/www/no.67808.cn/vendor/topthink/framework/src/think/event/LogRecord.php ( 1.02 KB )
/yingpanguazai/ssd/ssd1/www/no.67808.cn/vendor/topthink/think-helper/src/Collection.php ( 16.47 KB )
/yingpanguazai/ssd/ssd1/www/no.67808.cn/vendor/topthink/framework/src/think/facade/View.php ( 1.70 KB )
/yingpanguazai/ssd/ssd1/www/no.67808.cn/vendor/topthink/framework/src/think/View.php ( 4.39 KB )
/yingpanguazai/ssd/ssd1/www/no.67808.cn/vendor/topthink/framework/src/think/Response.php ( 8.81 KB )
/yingpanguazai/ssd/ssd1/www/no.67808.cn/vendor/topthink/framework/src/think/response/View.php ( 3.29 KB )
/yingpanguazai/ssd/ssd1/www/no.67808.cn/vendor/topthink/framework/src/think/Cookie.php ( 6.06 KB )
/yingpanguazai/ssd/ssd1/www/no.67808.cn/vendor/topthink/think-view/src/Think.php ( 8.38 KB )
/yingpanguazai/ssd/ssd1/www/no.67808.cn/vendor/topthink/framework/src/think/contract/TemplateHandlerInterface.php ( 1.60 KB )
/yingpanguazai/ssd/ssd1/www/no.67808.cn/vendor/topthink/think-template/src/Template.php ( 46.61 KB )
/yingpanguazai/ssd/ssd1/www/no.67808.cn/vendor/topthink/think-template/src/template/driver/File.php ( 2.41 KB )
/yingpanguazai/ssd/ssd1/www/no.67808.cn/vendor/topthink/think-template/src/template/contract/DriverInterface.php ( 0.86 KB )
/yingpanguazai/ssd/ssd1/www/no.67808.cn/runtime/temp/6df755f970a38e704c5414acbc6e8bcd.php ( 12.06 KB )
/yingpanguazai/ssd/ssd1/www/no.67808.cn/vendor/topthink/think-trace/src/Html.php ( 4.42 KB )
CONNECT:[ UseTime:0.000434s ] mysql:host=127.0.0.1;port=3306;dbname=no_67808;charset=utf8mb4
SHOW FULL COLUMNS FROM `fenlei` [ RunTime:0.000891s ]
SELECT * FROM `fenlei` WHERE `fid` = 0 [ RunTime:0.000348s ]
SELECT * FROM `fenlei` WHERE `fid` = 63 [ RunTime:0.000305s ]
SHOW FULL COLUMNS FROM `set` [ RunTime:0.000628s ]
SELECT * FROM `set` [ RunTime:0.000247s ]
SHOW FULL COLUMNS FROM `article` [ RunTime:0.000783s ]
SELECT * FROM `article` WHERE `id` = 474400 LIMIT 1 [ RunTime:0.000435s ]
UPDATE `article` SET `lasttime` = 1778810333 WHERE `id` = 474400 [ RunTime:0.010337s ]
SELECT * FROM `fenlei` WHERE `id` = 65 LIMIT 1 [ RunTime:0.000360s ]
SELECT * FROM `article` WHERE `id` < 474400 ORDER BY `id` DESC LIMIT 1 [ RunTime:0.000705s ]
SELECT * FROM `article` WHERE `id` > 474400 ORDER BY `id` ASC LIMIT 1 [ RunTime:0.000525s ]
SELECT * FROM `article` WHERE `id` < 474400 ORDER BY `id` DESC LIMIT 10 [ RunTime:0.001023s ]
SELECT * FROM `article` WHERE `id` < 474400 ORDER BY `id` DESC LIMIT 10,10 [ RunTime:0.001084s ]
SELECT * FROM `article` WHERE `id` < 474400 ORDER BY `id` DESC LIMIT 20,10 [ RunTime:0.002262s ]
0.096505s