n
第2课时 平行板电容器的电容
[学习目标] 1.了解影响平行板电容器电容大小的因素,并能进行有关的分析和计算(重点)。2.掌握平行板电容器两类动态变化问题的分析方法(重难点)。3.会分析平行板电容器中的力学问题(重点)。
一、平行板电容器的电容
1.在探究影响平行板电容器电容大小的因素的实验中静电计在实验中的作用是什么?
________________________________________________________________________
________________________________________________________________________
2.如图,实验中待测电容器所带的电荷量是否变化?实验中怎样知道电容器电容变大还是变小?

________________________________________________________________________
________________________________________________________________________
3.利用平行板电容器进行实验
(1)如图所示,保持Q和d不变,减小两极板的正对面积S,观察到静电计指针偏角增大,请依据C=QU分析电容C的变化。

(2)如图所示,保持Q和S不变,增大两极板间的距离d,观察到静电计指针偏角增大,分析电容C的变化。

(3)如图所示,保持Q、S、d不变,插入电介质,观察到静电计指针偏角减小,分析电容C的变化。

________________________________________________________________________
________________________________________________________________________

1.平行板电容器电容的决定因素:电容C与两极板间电介质的相对介电常数εr成______,与极板的正对面积S成________,与两极板间的距离d成________。
2.平行板电容器电容的决定式:C=________,εr为电介质的相对介电常数,k为静电力常量。当两极板间是真空时,εr=________。空气的相对介电常数十分接近1。
(2023·南昌市高二期中)传感器是自动控制设备中不可缺少的元件,已经渗透到宇宙开发、环境保护、交通运输以及家庭生活等各个领域。几种电容式传感器如图所示,其中通过改变电容器两极板间的距离而引起电容变化的是( )


(2024·上海市华东师范大学附属东昌中学高二期中)如图,我们在办理身份证时进行了指纹采集。电容式指纹识别的原理是手指与传感器表面接触时,皮肤表面会和传感器上许许多多相同面积的小极板一一匹配成电容不同的平行板电容器,从而识别出指纹的纹路。相比于极板与指纹的凸点处构成的电容器,极板与指纹沟(凹的部分)构成的电容器电容________(填“大”或“小”),若增大电容器的电压,电容器电容将________(填“变大”“变小”或“不变”)。


1.公式C=QU和C=εrS4πkd的比较
| C=QU | C=εrS4πkd |
特点 | 定义式 | 决定式 |
意义 | 对某电容器Q∝U,但QU=C不变,反映电容器容纳电荷的本领 | 反映了影响电容大小的因素 |
适用范围 | 任何电容器 | 平行板电容器 |
2.电容器容纳电荷的本领由QU来量度,由本身的结构(如平行板电容器的εr、S、d等因素)来决定。
二、平行板电容器的两类动态问题
1.两类基本问题
以下两种情形下,若电容器的某一物理量发生变化,求其他物理量的变化情况。
(1)电容器始终与电池两极相连稳定后,电容器上的电压不变。
(2)电容器和电源连接后再断开,电容器上的电荷量不变。
2.平行板电容器动态问题的分析方法
抓住不变量,分析变化量,紧抓三个公式:
C=QU、E=Ud和C=εrS4πkd
3.平行板电容器的两类典型问题基本思路
(1)U不变的情形
由C=εrS4πkd→C∝εrSd,可知C的变化情况
由Q=UC判断Q的变化情况
由E=Ud判断E的变化情况
(2)Q不变的情形
由C=εrS4πkd→C∝εrSd,可知C的变化情况
由U=QC判断U的变化情况
由E=Ud=QCd=4πkQεrS→E∝1εrS,可知E随S、εr的变化而变化,但与d无关,不随d的变化而变化。
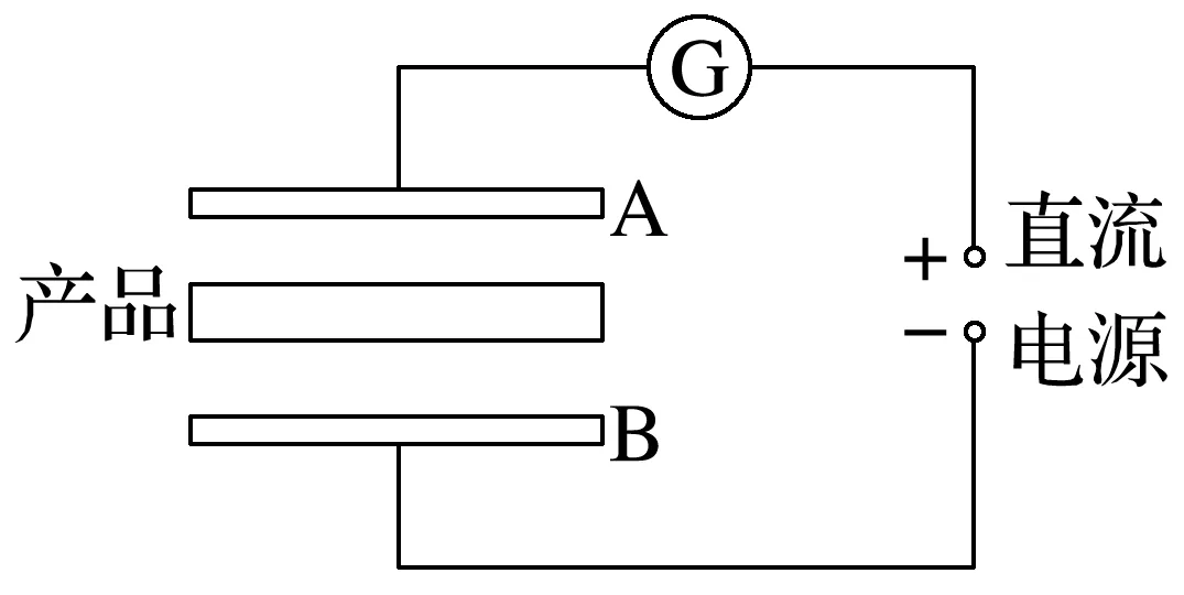
(2024·广州市高二期中)在某流水线上用如图所示的传感器来监控产品的厚度,其中A、B为平行板电容器的上、下两个极板,上下位置均固定,且分别接在恒压直流电源的两极上,G是灵敏电流计。当产品的厚度变薄导致相对介电常数εr变小时,则有( )

A.极板间的电压变小
B.极板上所带的电荷量变大
C.平行板电容器的电容变大
D.有向右的电流流过灵敏电流计
一平行板电容器充电后与电源断开,正极板接地,在两极板间有一正电荷(电荷量很小)固定在P点,如图所示,以E表示两极板间的电场强度,U表示电容器的电压,Ep表示正电荷在P点的电势能。若保持负极板不动,将正极板移到图中虚线所示的位置,则( )

A.U变小,E不变B.E变大,Ep变大
C.U变小,Ep不变D.U不变,Ep不变

通过网盘分享的文件:同步PPT课件等3个文件
链接: https://pan.baidu.com/s/1_GzpLu1fXgm2Lbs2dUxo2A?pwd=4321 提取码: 4321
--来自百度网盘超级会员v8的分享