当前位置:首页>学习笔记>PT二次电压学习笔记(自用)

PT二次电压学习笔记(自用)

  • 2026-04-02 16:56:58
PT二次电压学习笔记(自用)

PT二次相关学习笔记。

相关内容来自网上。

01

电压互感器基本原理

一、电压互感器的作用

  1. 电压变换:将高电压按比例转换成标准的低电压,通常为100V或者100/√3,使得普通装置和仪表可以直接接入。
  2. 电压隔离:将测量、保护、计量等回路与一次的高压设备隔离,保证二次设备和操作人员的安全。
  3. 提高标准的电压信号:为测量、计量、保护和控制设备提供统一、安全、标准的电压信号。

二、电压互感器的类型

1、电容式电压互感器:俗称CVT,其原理是利用电容分压单元对一次侧电压进行降压,得到中间电压(一般为10-20 kV);再通过电磁单元,将中间电压降成二次侧电压CVT主要由两大部分构成:电容分压单元(核心组件是电容分压器,包括高压电容C1和中压电容C2)和电磁单元(核心组件是中间变压器、补偿电抗器和阻尼装置),如下结构图所示。

其上端为电容分压单元,一般110kV只有一节,220kV有两节,500kV有三节。

具体关于CVT和电磁式互感器的一次内容在这个链接。

电容式电压互感器CVT:原理和结构

2、电磁式电压互感器:一般应用于35kV及以下配电系统中,其优点在于结构简单、技术成熟,成本低。

3、光学电压互感器:常见于数字化变电站,利用光电效应来感知电压变化,通过光信号进行传输和测量。

02

PT二次回路相关概念

一、典型220kV双母双分电压互感器二次回路

二、电压重动

使PT二次电压的有/无和电压互感器的一次的运行状态(投入/退出)保持对应关系,防止当PT一次退出运行而二次绕组向一次侧反送电,造成人身设备事故。

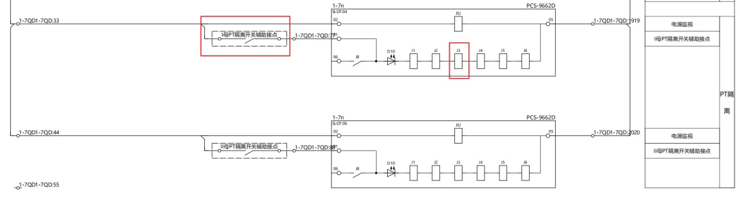
如上图所示,PT二次回路经过接线盒-->分相空气开关-->刀闸的辅助节点604-->PT并列屏A630II-2。(计量接重动继电器,因为保护相对更重要,所以接辅助接点更可靠,可以防止重动继电器出现粘连现象,而计量采用继电器更主要是为了防止辅助接点不够)

倘若接了辅助接点(反应断路器/隔离开关分合状态的接点)实现重动功能,则不应该在并列装置再接入重动继电器,故保护用绕组直接接在了1UD 25。

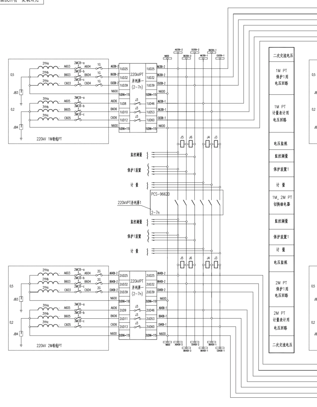
三、电压并列

当有两个PT挂在不同的母线上(或者单母分段),I段母线PT停运,而该母线的线路继续运行,需要保护、计量等二次电压,则需要投入并列装置,将II段的母线二次电压提供给I段母线的线路使用。(二次并列的前提是一次并列,因为:

  1. 一次侧,母联开关断开时,Ⅰ母线和Ⅱ母线是两个独立系统。它们的电压可能在相位、幅值或频率上存在微小差异,此时直接合上PT二次并列开关。
  2. 由于一次侧电压不平衡,二次侧将产生较大环流,容易引起熔断器熔断,使保护失去电压采集信号,严重时可能导致误停电动作事故的发生。

“先并一次,后并二次”是为了确保两个PT的二次侧电压在并列前,已经完全等同于同一个电源系统的电压,从而避免在二次回路中产生致命的“环流”和电压冲突。

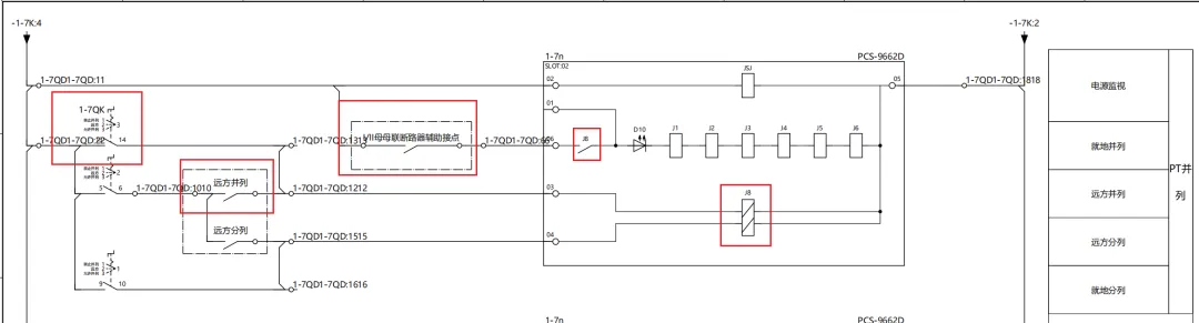
典型220kV双母双分并列图
并列原理图如上所示。
当一次测1 2M母联刀闸和断路器合位,则图中母联断路器辅助接点合上。然后允许并列把手1-7QK打到允许并列。此时可以执行就地和远方并列指令,这J8双位置继电器得电,并列回路导通,J1-6并列继电器得电。则并列回路导通,II母的二次电压通过并列装置送到I母的线路的装置上。

四、电压切换。

电压切换主要适用于双母线,单母分段没有切换回路。双母接线时,正副母线分列运行。某条线路运行在哪条母线上,二次就相应使用哪条母线PT的电压。当运行人员对一次隔离开关进行切换时,二次电压也要能自动切换。这就是电压切换,通过电压切换装置来实现。
切换后的电压回路编号为710.
两段母线的电压通过并列屏(A 630/A 640)送到保护屏的电压切换装置。然后经过电压切换后将切换后的电压给保护、测量、安稳、备自投等使用。
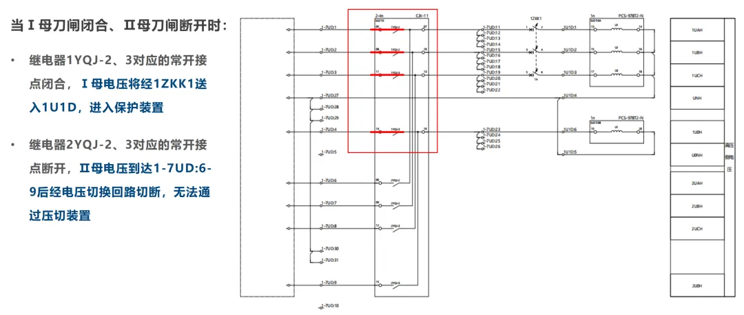
双位置继电器:有动作线圈和返回线圈,返回线圈的主要作用是当刀闸辅助接点回路出现掉电时电压切换回路仍能向保护装置提供掉电前的正常母线电压。也就是说继电器保持断电前的状态。
当I母刀闸合,II母刀闸分,则1YQJ2-5动作,2YQJ2-5复归。
在倒母操作分开刀闸时,若刀闸的常闭接点及回路出现异常时未能使原来动作着的双位置继电器返回,那么虽然一次设备已经脱离了原来所挂的母线,但二次电压切换主回路仍将该母线二次电压切换至保护装置,并与另一段母线的二次电压处于并列状态
。如果未及时发现,当进行母线的分列操作时将出现母线二次电压的异常并列,可能烧毁电压切换主回路上薄弱的节点并造成电压回路异常(PT断线)。

两个重要信号

电压切换回路验收要点

  1. 按措施单解开电压回路连片
  2. 摇绝缘:打下电压切换电源空开,确认回路无直流电压和接地点后,用兆欧表对相关电缆进行绝缘测试,确认回路绝缘水平应≥10MΩ
  3. 查寄生:断开保护屏内电压切换电源,合上保护屏其它电源空开,用万用表测量电压切换电源空开下端,应无电压;合上保护屏电压切换电源,用万用表测量电压切换电源空开下端,应有正确电压
  4. 检查和确认电压切换电源是取自直流电源屏的独立电源,并经专属空开接入,检查和确认电压切换回路与保护装置共用同一段直流电源
  5. 根据回路的构成及原理和实际的刀闸位置,测量相应刀闸位置接线端子应有正常电压,且电位正确
  6. 检查开入:确认电压切换回路接线正确,打上电压切换电源,合上对应间隔1母母线刀闸,拉开Ⅱ母母线刀闸,保护装置应对应显示开关挂在1母;合上对应间隔Ⅱ母母线刀闸,拉开I母母线刀闸,保护装置应对应显示开关挂在Ⅱ母,连续测试多次,对应显示均应正确。
  7. 通入母线二次电压分别进行切换,检查保护装置切换后电压正确。断开对应母线刀闸合位开入,切换后电压带自保持正确,同时检查切换继电器同时动作信号发出。断开电压切换电源,双位置信号不复归。
  8. 检查信号:根据设计图纸和厂家资料,检查端子排对应端子,确认信号接入完整及正确;倒母操作时电压切换继电器同时动作,监控后台“切换继电器同时动作”光字牌应正确显示;当切换继电器处于复归状态及开关分位时,监控后台不应有“保护失压”信号。
  9. “切换继电器同时动作”信号需选取为双位置继电器节点,切换电源消失信号选取单位置节点
  10. 按照二次措施单恢复连接片。

03

500kV PT二次回路相应知识点

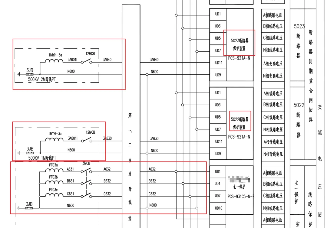
500kV与220kV最大的区别在于,500kV母线的CVT往往只有一相,而主变或者线路是有三相的。
造成这样的原因是因为,500kV线路采用3/2接线,它可以通过边开关和中开关的配合,使得其从不同的母线供电,这样子很难确定其采用哪段母线供电。虽然也可以通过设计知道,但因为其刀闸和开关较多,设计相对复杂,成本高故不采用。
所以线路和主变都在其本线路和变高处安装自己的CVT获取三相电压。这时母线的电压作用就下降了很多,但也不是没有用,当用于同期合闸或者重合闸时就需要用到母线的电压。故此时母线电压往往只取A相(类似220kV线路的TYD)。
断路器保护和线路保护的三相电压取自该线路。5023靠近2M 所以断路器保护和断路器测控母线电压取自2M。

最新文章

随机文章

基本 文件 流程 错误 SQL 调试
  1. 请求信息 : 2026-04-04 06:07:57 HTTP/2.0 GET : https://67808.cn/a/461096.html
  2. 运行时间 : 0.087471s [ 吞吐率:11.43req/s ] 内存消耗:4,475.41kb 文件加载:140
  3. 缓存信息 : 0 reads,0 writes
  4. 会话信息 : SESSION_ID=6b2728bf1b9b66c13cd607c6ec6f0179
  1. /yingpanguazai/ssd/ssd1/www/no.67808.cn/public/index.php ( 0.79 KB )
  2. /yingpanguazai/ssd/ssd1/www/no.67808.cn/vendor/autoload.php ( 0.17 KB )
  3. /yingpanguazai/ssd/ssd1/www/no.67808.cn/vendor/composer/autoload_real.php ( 2.49 KB )
  4. /yingpanguazai/ssd/ssd1/www/no.67808.cn/vendor/composer/platform_check.php ( 0.90 KB )
  5. /yingpanguazai/ssd/ssd1/www/no.67808.cn/vendor/composer/ClassLoader.php ( 14.03 KB )
  6. /yingpanguazai/ssd/ssd1/www/no.67808.cn/vendor/composer/autoload_static.php ( 4.90 KB )
  7. /yingpanguazai/ssd/ssd1/www/no.67808.cn/vendor/topthink/think-helper/src/helper.php ( 8.34 KB )
  8. /yingpanguazai/ssd/ssd1/www/no.67808.cn/vendor/topthink/think-validate/src/helper.php ( 2.19 KB )
  9. /yingpanguazai/ssd/ssd1/www/no.67808.cn/vendor/topthink/think-orm/src/helper.php ( 1.47 KB )
  10. /yingpanguazai/ssd/ssd1/www/no.67808.cn/vendor/topthink/think-orm/stubs/load_stubs.php ( 0.16 KB )
  11. /yingpanguazai/ssd/ssd1/www/no.67808.cn/vendor/topthink/framework/src/think/Exception.php ( 1.69 KB )
  12. /yingpanguazai/ssd/ssd1/www/no.67808.cn/vendor/topthink/think-container/src/Facade.php ( 2.71 KB )
  13. /yingpanguazai/ssd/ssd1/www/no.67808.cn/vendor/symfony/deprecation-contracts/function.php ( 0.99 KB )
  14. /yingpanguazai/ssd/ssd1/www/no.67808.cn/vendor/symfony/polyfill-mbstring/bootstrap.php ( 8.26 KB )
  15. /yingpanguazai/ssd/ssd1/www/no.67808.cn/vendor/symfony/polyfill-mbstring/bootstrap80.php ( 9.78 KB )
  16. /yingpanguazai/ssd/ssd1/www/no.67808.cn/vendor/symfony/var-dumper/Resources/functions/dump.php ( 1.49 KB )
  17. /yingpanguazai/ssd/ssd1/www/no.67808.cn/vendor/topthink/think-dumper/src/helper.php ( 0.18 KB )
  18. /yingpanguazai/ssd/ssd1/www/no.67808.cn/vendor/symfony/var-dumper/VarDumper.php ( 4.30 KB )
  19. /yingpanguazai/ssd/ssd1/www/no.67808.cn/vendor/topthink/framework/src/think/App.php ( 15.30 KB )
  20. /yingpanguazai/ssd/ssd1/www/no.67808.cn/vendor/topthink/think-container/src/Container.php ( 15.76 KB )
  21. /yingpanguazai/ssd/ssd1/www/no.67808.cn/vendor/psr/container/src/ContainerInterface.php ( 1.02 KB )
  22. /yingpanguazai/ssd/ssd1/www/no.67808.cn/app/provider.php ( 0.19 KB )
  23. /yingpanguazai/ssd/ssd1/www/no.67808.cn/vendor/topthink/framework/src/think/Http.php ( 6.04 KB )
  24. /yingpanguazai/ssd/ssd1/www/no.67808.cn/vendor/topthink/think-helper/src/helper/Str.php ( 7.29 KB )
  25. /yingpanguazai/ssd/ssd1/www/no.67808.cn/vendor/topthink/framework/src/think/Env.php ( 4.68 KB )
  26. /yingpanguazai/ssd/ssd1/www/no.67808.cn/app/common.php ( 0.03 KB )
  27. /yingpanguazai/ssd/ssd1/www/no.67808.cn/vendor/topthink/framework/src/helper.php ( 18.78 KB )
  28. /yingpanguazai/ssd/ssd1/www/no.67808.cn/vendor/topthink/framework/src/think/Config.php ( 5.54 KB )
  29. /yingpanguazai/ssd/ssd1/www/no.67808.cn/config/app.php ( 0.95 KB )
  30. /yingpanguazai/ssd/ssd1/www/no.67808.cn/config/cache.php ( 0.78 KB )
  31. /yingpanguazai/ssd/ssd1/www/no.67808.cn/config/console.php ( 0.23 KB )
  32. /yingpanguazai/ssd/ssd1/www/no.67808.cn/config/cookie.php ( 0.56 KB )
  33. /yingpanguazai/ssd/ssd1/www/no.67808.cn/config/database.php ( 2.48 KB )
  34. /yingpanguazai/ssd/ssd1/www/no.67808.cn/vendor/topthink/framework/src/think/facade/Env.php ( 1.67 KB )
  35. /yingpanguazai/ssd/ssd1/www/no.67808.cn/config/filesystem.php ( 0.61 KB )
  36. /yingpanguazai/ssd/ssd1/www/no.67808.cn/config/lang.php ( 0.91 KB )
  37. /yingpanguazai/ssd/ssd1/www/no.67808.cn/config/log.php ( 1.35 KB )
  38. /yingpanguazai/ssd/ssd1/www/no.67808.cn/config/middleware.php ( 0.19 KB )
  39. /yingpanguazai/ssd/ssd1/www/no.67808.cn/config/route.php ( 1.89 KB )
  40. /yingpanguazai/ssd/ssd1/www/no.67808.cn/config/session.php ( 0.57 KB )
  41. /yingpanguazai/ssd/ssd1/www/no.67808.cn/config/trace.php ( 0.34 KB )
  42. /yingpanguazai/ssd/ssd1/www/no.67808.cn/config/view.php ( 0.82 KB )
  43. /yingpanguazai/ssd/ssd1/www/no.67808.cn/app/event.php ( 0.25 KB )
  44. /yingpanguazai/ssd/ssd1/www/no.67808.cn/vendor/topthink/framework/src/think/Event.php ( 7.67 KB )
  45. /yingpanguazai/ssd/ssd1/www/no.67808.cn/app/service.php ( 0.13 KB )
  46. /yingpanguazai/ssd/ssd1/www/no.67808.cn/app/AppService.php ( 0.26 KB )
  47. /yingpanguazai/ssd/ssd1/www/no.67808.cn/vendor/topthink/framework/src/think/Service.php ( 1.64 KB )
  48. /yingpanguazai/ssd/ssd1/www/no.67808.cn/vendor/topthink/framework/src/think/Lang.php ( 7.35 KB )
  49. /yingpanguazai/ssd/ssd1/www/no.67808.cn/vendor/topthink/framework/src/lang/zh-cn.php ( 13.70 KB )
  50. /yingpanguazai/ssd/ssd1/www/no.67808.cn/vendor/topthink/framework/src/think/initializer/Error.php ( 3.31 KB )
  51. /yingpanguazai/ssd/ssd1/www/no.67808.cn/vendor/topthink/framework/src/think/initializer/RegisterService.php ( 1.33 KB )
  52. /yingpanguazai/ssd/ssd1/www/no.67808.cn/vendor/services.php ( 0.14 KB )
  53. /yingpanguazai/ssd/ssd1/www/no.67808.cn/vendor/topthink/framework/src/think/service/PaginatorService.php ( 1.52 KB )
  54. /yingpanguazai/ssd/ssd1/www/no.67808.cn/vendor/topthink/framework/src/think/service/ValidateService.php ( 0.99 KB )
  55. /yingpanguazai/ssd/ssd1/www/no.67808.cn/vendor/topthink/framework/src/think/service/ModelService.php ( 2.04 KB )
  56. /yingpanguazai/ssd/ssd1/www/no.67808.cn/vendor/topthink/think-trace/src/Service.php ( 0.77 KB )
  57. /yingpanguazai/ssd/ssd1/www/no.67808.cn/vendor/topthink/framework/src/think/Middleware.php ( 6.72 KB )
  58. /yingpanguazai/ssd/ssd1/www/no.67808.cn/vendor/topthink/framework/src/think/initializer/BootService.php ( 0.77 KB )
  59. /yingpanguazai/ssd/ssd1/www/no.67808.cn/vendor/topthink/think-orm/src/Paginator.php ( 11.86 KB )
  60. /yingpanguazai/ssd/ssd1/www/no.67808.cn/vendor/topthink/think-validate/src/Validate.php ( 63.20 KB )
  61. /yingpanguazai/ssd/ssd1/www/no.67808.cn/vendor/topthink/think-orm/src/Model.php ( 23.55 KB )
  62. /yingpanguazai/ssd/ssd1/www/no.67808.cn/vendor/topthink/think-orm/src/model/concern/Attribute.php ( 21.05 KB )
  63. /yingpanguazai/ssd/ssd1/www/no.67808.cn/vendor/topthink/think-orm/src/model/concern/AutoWriteData.php ( 4.21 KB )
  64. /yingpanguazai/ssd/ssd1/www/no.67808.cn/vendor/topthink/think-orm/src/model/concern/Conversion.php ( 6.44 KB )
  65. /yingpanguazai/ssd/ssd1/www/no.67808.cn/vendor/topthink/think-orm/src/model/concern/DbConnect.php ( 5.16 KB )
  66. /yingpanguazai/ssd/ssd1/www/no.67808.cn/vendor/topthink/think-orm/src/model/concern/ModelEvent.php ( 2.33 KB )
  67. /yingpanguazai/ssd/ssd1/www/no.67808.cn/vendor/topthink/think-orm/src/model/concern/RelationShip.php ( 28.29 KB )
  68. /yingpanguazai/ssd/ssd1/www/no.67808.cn/vendor/topthink/think-helper/src/contract/Arrayable.php ( 0.09 KB )
  69. /yingpanguazai/ssd/ssd1/www/no.67808.cn/vendor/topthink/think-helper/src/contract/Jsonable.php ( 0.13 KB )
  70. /yingpanguazai/ssd/ssd1/www/no.67808.cn/vendor/topthink/think-orm/src/model/contract/Modelable.php ( 0.09 KB )
  71. /yingpanguazai/ssd/ssd1/www/no.67808.cn/vendor/topthink/framework/src/think/Db.php ( 2.88 KB )
  72. /yingpanguazai/ssd/ssd1/www/no.67808.cn/vendor/topthink/think-orm/src/DbManager.php ( 8.52 KB )
  73. /yingpanguazai/ssd/ssd1/www/no.67808.cn/vendor/topthink/framework/src/think/Log.php ( 6.28 KB )
  74. /yingpanguazai/ssd/ssd1/www/no.67808.cn/vendor/topthink/framework/src/think/Manager.php ( 3.92 KB )
  75. /yingpanguazai/ssd/ssd1/www/no.67808.cn/vendor/psr/log/src/LoggerTrait.php ( 2.69 KB )
  76. /yingpanguazai/ssd/ssd1/www/no.67808.cn/vendor/psr/log/src/LoggerInterface.php ( 2.71 KB )
  77. /yingpanguazai/ssd/ssd1/www/no.67808.cn/vendor/topthink/framework/src/think/Cache.php ( 4.92 KB )
  78. /yingpanguazai/ssd/ssd1/www/no.67808.cn/vendor/psr/simple-cache/src/CacheInterface.php ( 4.71 KB )
  79. /yingpanguazai/ssd/ssd1/www/no.67808.cn/vendor/topthink/think-helper/src/helper/Arr.php ( 16.63 KB )
  80. /yingpanguazai/ssd/ssd1/www/no.67808.cn/vendor/topthink/framework/src/think/cache/driver/File.php ( 7.84 KB )
  81. /yingpanguazai/ssd/ssd1/www/no.67808.cn/vendor/topthink/framework/src/think/cache/Driver.php ( 9.03 KB )
  82. /yingpanguazai/ssd/ssd1/www/no.67808.cn/vendor/topthink/framework/src/think/contract/CacheHandlerInterface.php ( 1.99 KB )
  83. /yingpanguazai/ssd/ssd1/www/no.67808.cn/app/Request.php ( 0.09 KB )
  84. /yingpanguazai/ssd/ssd1/www/no.67808.cn/vendor/topthink/framework/src/think/Request.php ( 55.78 KB )
  85. /yingpanguazai/ssd/ssd1/www/no.67808.cn/app/middleware.php ( 0.25 KB )
  86. /yingpanguazai/ssd/ssd1/www/no.67808.cn/vendor/topthink/framework/src/think/Pipeline.php ( 2.61 KB )
  87. /yingpanguazai/ssd/ssd1/www/no.67808.cn/vendor/topthink/think-trace/src/TraceDebug.php ( 3.40 KB )
  88. /yingpanguazai/ssd/ssd1/www/no.67808.cn/vendor/topthink/framework/src/think/middleware/SessionInit.php ( 1.94 KB )
  89. /yingpanguazai/ssd/ssd1/www/no.67808.cn/vendor/topthink/framework/src/think/Session.php ( 1.80 KB )
  90. /yingpanguazai/ssd/ssd1/www/no.67808.cn/vendor/topthink/framework/src/think/session/driver/File.php ( 6.27 KB )
  91. /yingpanguazai/ssd/ssd1/www/no.67808.cn/vendor/topthink/framework/src/think/contract/SessionHandlerInterface.php ( 0.87 KB )
  92. /yingpanguazai/ssd/ssd1/www/no.67808.cn/vendor/topthink/framework/src/think/session/Store.php ( 7.12 KB )
  93. /yingpanguazai/ssd/ssd1/www/no.67808.cn/vendor/topthink/framework/src/think/Route.php ( 23.73 KB )
  94. /yingpanguazai/ssd/ssd1/www/no.67808.cn/vendor/topthink/framework/src/think/route/RuleName.php ( 5.75 KB )
  95. /yingpanguazai/ssd/ssd1/www/no.67808.cn/vendor/topthink/framework/src/think/route/Domain.php ( 2.53 KB )
  96. /yingpanguazai/ssd/ssd1/www/no.67808.cn/vendor/topthink/framework/src/think/route/RuleGroup.php ( 22.43 KB )
  97. /yingpanguazai/ssd/ssd1/www/no.67808.cn/vendor/topthink/framework/src/think/route/Rule.php ( 26.95 KB )
  98. /yingpanguazai/ssd/ssd1/www/no.67808.cn/vendor/topthink/framework/src/think/route/RuleItem.php ( 9.78 KB )
  99. /yingpanguazai/ssd/ssd1/www/no.67808.cn/route/app.php ( 1.72 KB )
  100. /yingpanguazai/ssd/ssd1/www/no.67808.cn/vendor/topthink/framework/src/think/facade/Route.php ( 4.70 KB )
  101. /yingpanguazai/ssd/ssd1/www/no.67808.cn/vendor/topthink/framework/src/think/route/dispatch/Controller.php ( 4.74 KB )
  102. /yingpanguazai/ssd/ssd1/www/no.67808.cn/vendor/topthink/framework/src/think/route/Dispatch.php ( 10.44 KB )
  103. /yingpanguazai/ssd/ssd1/www/no.67808.cn/app/controller/Index.php ( 4.81 KB )
  104. /yingpanguazai/ssd/ssd1/www/no.67808.cn/app/BaseController.php ( 2.05 KB )
  105. /yingpanguazai/ssd/ssd1/www/no.67808.cn/vendor/topthink/think-orm/src/facade/Db.php ( 0.93 KB )
  106. /yingpanguazai/ssd/ssd1/www/no.67808.cn/vendor/topthink/think-orm/src/db/connector/Mysql.php ( 5.44 KB )
  107. /yingpanguazai/ssd/ssd1/www/no.67808.cn/vendor/topthink/think-orm/src/db/PDOConnection.php ( 52.47 KB )
  108. /yingpanguazai/ssd/ssd1/www/no.67808.cn/vendor/topthink/think-orm/src/db/Connection.php ( 8.39 KB )
  109. /yingpanguazai/ssd/ssd1/www/no.67808.cn/vendor/topthink/think-orm/src/db/ConnectionInterface.php ( 4.57 KB )
  110. /yingpanguazai/ssd/ssd1/www/no.67808.cn/vendor/topthink/think-orm/src/db/builder/Mysql.php ( 16.58 KB )
  111. /yingpanguazai/ssd/ssd1/www/no.67808.cn/vendor/topthink/think-orm/src/db/Builder.php ( 24.06 KB )
  112. /yingpanguazai/ssd/ssd1/www/no.67808.cn/vendor/topthink/think-orm/src/db/BaseBuilder.php ( 27.50 KB )
  113. /yingpanguazai/ssd/ssd1/www/no.67808.cn/vendor/topthink/think-orm/src/db/Query.php ( 15.71 KB )
  114. /yingpanguazai/ssd/ssd1/www/no.67808.cn/vendor/topthink/think-orm/src/db/BaseQuery.php ( 45.13 KB )
  115. /yingpanguazai/ssd/ssd1/www/no.67808.cn/vendor/topthink/think-orm/src/db/concern/TimeFieldQuery.php ( 7.43 KB )
  116. /yingpanguazai/ssd/ssd1/www/no.67808.cn/vendor/topthink/think-orm/src/db/concern/AggregateQuery.php ( 3.26 KB )
  117. /yingpanguazai/ssd/ssd1/www/no.67808.cn/vendor/topthink/think-orm/src/db/concern/ModelRelationQuery.php ( 20.07 KB )
  118. /yingpanguazai/ssd/ssd1/www/no.67808.cn/vendor/topthink/think-orm/src/db/concern/ParamsBind.php ( 3.66 KB )
  119. /yingpanguazai/ssd/ssd1/www/no.67808.cn/vendor/topthink/think-orm/src/db/concern/ResultOperation.php ( 7.01 KB )
  120. /yingpanguazai/ssd/ssd1/www/no.67808.cn/vendor/topthink/think-orm/src/db/concern/WhereQuery.php ( 19.37 KB )
  121. /yingpanguazai/ssd/ssd1/www/no.67808.cn/vendor/topthink/think-orm/src/db/concern/JoinAndViewQuery.php ( 7.11 KB )
  122. /yingpanguazai/ssd/ssd1/www/no.67808.cn/vendor/topthink/think-orm/src/db/concern/TableFieldInfo.php ( 2.63 KB )
  123. /yingpanguazai/ssd/ssd1/www/no.67808.cn/vendor/topthink/think-orm/src/db/concern/Transaction.php ( 2.77 KB )
  124. /yingpanguazai/ssd/ssd1/www/no.67808.cn/vendor/topthink/framework/src/think/log/driver/File.php ( 5.96 KB )
  125. /yingpanguazai/ssd/ssd1/www/no.67808.cn/vendor/topthink/framework/src/think/contract/LogHandlerInterface.php ( 0.86 KB )
  126. /yingpanguazai/ssd/ssd1/www/no.67808.cn/vendor/topthink/framework/src/think/log/Channel.php ( 3.89 KB )
  127. /yingpanguazai/ssd/ssd1/www/no.67808.cn/vendor/topthink/framework/src/think/event/LogRecord.php ( 1.02 KB )
  128. /yingpanguazai/ssd/ssd1/www/no.67808.cn/vendor/topthink/think-helper/src/Collection.php ( 16.47 KB )
  129. /yingpanguazai/ssd/ssd1/www/no.67808.cn/vendor/topthink/framework/src/think/facade/View.php ( 1.70 KB )
  130. /yingpanguazai/ssd/ssd1/www/no.67808.cn/vendor/topthink/framework/src/think/View.php ( 4.39 KB )
  131. /yingpanguazai/ssd/ssd1/www/no.67808.cn/vendor/topthink/framework/src/think/Response.php ( 8.81 KB )
  132. /yingpanguazai/ssd/ssd1/www/no.67808.cn/vendor/topthink/framework/src/think/response/View.php ( 3.29 KB )
  133. /yingpanguazai/ssd/ssd1/www/no.67808.cn/vendor/topthink/framework/src/think/Cookie.php ( 6.06 KB )
  134. /yingpanguazai/ssd/ssd1/www/no.67808.cn/vendor/topthink/think-view/src/Think.php ( 8.38 KB )
  135. /yingpanguazai/ssd/ssd1/www/no.67808.cn/vendor/topthink/framework/src/think/contract/TemplateHandlerInterface.php ( 1.60 KB )
  136. /yingpanguazai/ssd/ssd1/www/no.67808.cn/vendor/topthink/think-template/src/Template.php ( 46.61 KB )
  137. /yingpanguazai/ssd/ssd1/www/no.67808.cn/vendor/topthink/think-template/src/template/driver/File.php ( 2.41 KB )
  138. /yingpanguazai/ssd/ssd1/www/no.67808.cn/vendor/topthink/think-template/src/template/contract/DriverInterface.php ( 0.86 KB )
  139. /yingpanguazai/ssd/ssd1/www/no.67808.cn/runtime/temp/6df755f970a38e704c5414acbc6e8bcd.php ( 12.06 KB )
  140. /yingpanguazai/ssd/ssd1/www/no.67808.cn/vendor/topthink/think-trace/src/Html.php ( 4.42 KB )
  1. CONNECT:[ UseTime:0.000718s ] mysql:host=127.0.0.1;port=3306;dbname=no_67808;charset=utf8mb4
  2. SHOW FULL COLUMNS FROM `fenlei` [ RunTime:0.000972s ]
  3. SELECT * FROM `fenlei` WHERE `fid` = 0 [ RunTime:0.000323s ]
  4. SELECT * FROM `fenlei` WHERE `fid` = 63 [ RunTime:0.000317s ]
  5. SHOW FULL COLUMNS FROM `set` [ RunTime:0.000454s ]
  6. SELECT * FROM `set` [ RunTime:0.000228s ]
  7. SHOW FULL COLUMNS FROM `article` [ RunTime:0.000551s ]
  8. SELECT * FROM `article` WHERE `id` = 461096 LIMIT 1 [ RunTime:0.001388s ]
  9. UPDATE `article` SET `lasttime` = 1775254077 WHERE `id` = 461096 [ RunTime:0.005049s ]
  10. SELECT * FROM `fenlei` WHERE `id` = 65 LIMIT 1 [ RunTime:0.000310s ]
  11. SELECT * FROM `article` WHERE `id` < 461096 ORDER BY `id` DESC LIMIT 1 [ RunTime:0.000518s ]
  12. SELECT * FROM `article` WHERE `id` > 461096 ORDER BY `id` ASC LIMIT 1 [ RunTime:0.001061s ]
  13. SELECT * FROM `article` WHERE `id` < 461096 ORDER BY `id` DESC LIMIT 10 [ RunTime:0.000813s ]
  14. SELECT * FROM `article` WHERE `id` < 461096 ORDER BY `id` DESC LIMIT 10,10 [ RunTime:0.003635s ]
  15. SELECT * FROM `article` WHERE `id` < 461096 ORDER BY `id` DESC LIMIT 20,10 [ RunTime:0.003291s ]
0.089099s