四、变电器二次谐波制动
空投变压器时,变压器中会产生很大的勺励磁电流(励磁涌流),影响励磁涌流的因素有很多,比如变压器的结构、容量、合闸角等等。通过测量可以得知励磁涌流通常为额定电流的3-6倍以上,最高可达8倍以上,由于励磁涌流只在充电侧流入变压器,因此会产生很大的差流,导致差动保护动作,因目为空投变压器时不需要差动保护动作,所以此时的动作是误动。
励磁涌流存在以下特点:
1数值大,含有非周期分量。
2波形是间断的尖顶波。
3含有明显的二次谐波分量。
4励磁涌流具有衰减性。
根据以上特点,在应用中采取二次谐波含量高的特点来防止空投变压器时励磁涌流造成的差动保护误动。
含有二次谐波分量,来判定差流是否为励利用空投变压器时产生的励磁涌流中磁涌流引起。
大于整定值时(15%-20%),判断此时的当二次谐波分量与基波分量的百分比护不动作。差流为励磁涌流引起的,此时闭锁差动保护。
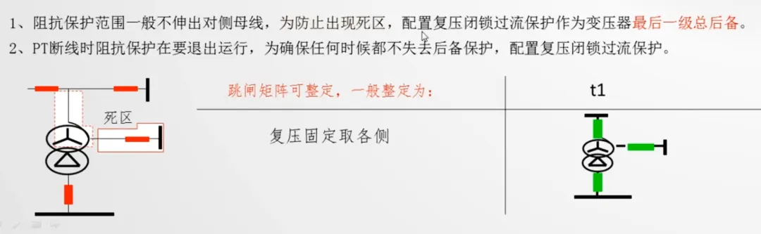
五、阻抗保护
5.1高压侧阻抗保护
阻抗保护的调试:
(1)校验1:正方向0.95倍可靠动作,1.05倍可靠不动作;
(2)校验2:反方向是校验正方向阻抗值5%的0.95倍能动作,1.05倍不动作
阻抗灵敏角按定值单给,零序补偿系数看说明书。(接地阻抗保护)具体如下:
六、复压过流保护
复压闭锁过流保护,主要由三个元件构成,分别是复合电压闭锁元件、方向元件、过电流元件。
接入电流为变压器各侧电流互感器二次绕组的三相电流,接入电压为变压器各侧电压互感器二次绕组的三相电压,对于微机保护而言,当某侧电压互感器检修时,可以通过软件将其他侧电压给检修侧使用,仍然保证了复压闭锁过流保护的正常使用。
大中型变压器相间短路故障的后备保护一般配置复压闭锁过流保护,同时当变压器发生区外故障时,变压器长时间流过很大的穿越E电流,此时也需要配置复压闭锁过流保护。
配置复合电压闭锁元件以后,过流保:护的整定值就可以降低。因为由于复合电压闭锁元件的加入,过流保护不会误动。
1相间电压低
当相间电压低于保护装置相间电压元件动作的整定值时,复合电压元件启动
2负序电压高
当负序电压高于保护装置负序电压元件动作的整定值时,复合电压元件启动
3其他侧电压闭锁
对于变压器而言,某侧的复合电压元件可以通过整定控制字选择是否经其他侧电压闭锁。
例如对于变压器高压侧后备保护,装置设有控制字过流保护经低压侧复压闭锁,当此控制字投入时,高压侧过流保护就经低压侧复合电压闭锁,也可以理解为高压侧复压闭锁过流保护可经低压侧复合电压启动。
其次,变压器各段电流保护都设有过流经负压闭锁控制字,当此控制字为1时,表示过流保护经复合电压闭锁。
方向元件比较本侧母线电压互感器与本侧电流相位角。
变压器后备保护设置有过流方向指向控制字来控制过流保护的方向指向:
当此控制字为零时,方向指向系统,灵敏角为225°,
当此控制字为1时,方向指向变压器,灵敏角为45°。
同时设置过流经方向闭锁控制字来控制过流保护各段是否经方向闭锁。
电流元件分为定时限过流保护和反时限过流保
1定时限过流保护
当变压器某侧的三相电流最大值超过过电流保护整定值时,定时限过电流保护动作。定时限过流保护的动作时间是固定的,就是保护装置的整定值。
2反时限过流保护
时间不固定,随着实际电流互感器测量的相电流的变化而变化,随着测量的相电流动作(故障电流)值增大,保护动作时间越小
对于220kV变压器
七、过激磁保护
八、零序方向过流保护
接地的变压器和相邻元件接地短路故障的后备保护。零序方向保护主要作为中性点直接排一般电压等级110kV以上的中性点直接接地的变压器,大电流接地侧应设置反应接地故障的零序方向过流保护。
九、间隙保护

十、失灵联跳
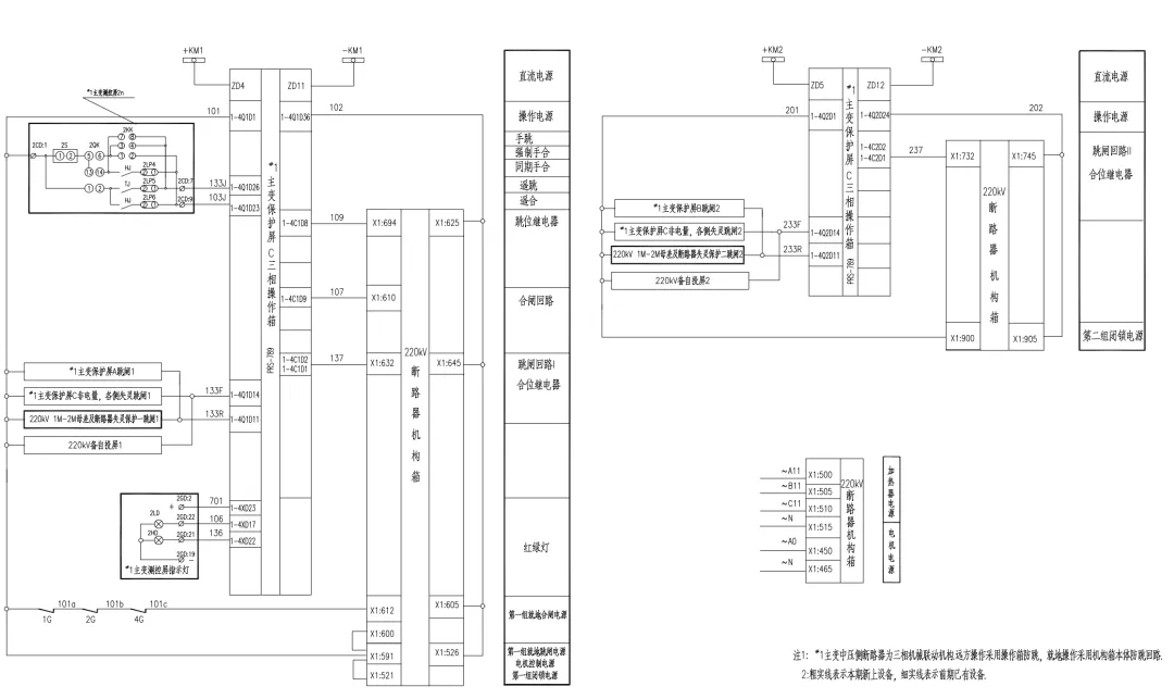
10.1 高压侧开关失灵
500kV开关失灵保护动作行为
早期,500kV线路单相故障开关拒动,失灵保护动作三步曲:瞬时重跳拒动开关故障相,小延时(50ms)再跳拒动开关三相,长延时(100-200ms)跳相临开关并启动远跳装置,跳对侧开关。
目前失灵保护采用两步曲:即瞬时重跳故障相,延时出口跳相关断路器,相关断路器包括:
1)相临断路器 ;
2)母线所有断路器(对边开关失灵);
3) 主变三侧 ;
4)线路远方。
断路器失灵跳闸方案
边断路器的失灵保护由母线保护或线路保护或变压器保护或充电保护起动,失灵保护动作后瞬时再跳一次本断路器并延时跳该母线上的所有断路器和中断路器。如果连接元件是线路的话还延时起动该线路的远跳,如果连接元件是变压器的话则延时起动变压器保护的跳闸继电器跳各侧断路器。
母线故障跳闸1DL失灵跳闸
变压器故障跳闸3DL失灵跳闸
中断路器的失灵保护由线路或变压器保护或充电保护起动,失灵保护动作后瞬时再跳一次本断路器并延时跳两个边断路器。如果连接元件是线路的话还延时起动该线路的远跳,如果连接元件是变压器的话则延时起动变压器保护的跳闸继电器跳各侧断路器。
由于边断路器与中断路器失灵保护跳闸对象不同,所以失灵保护要单独跟着断路器设置。
线路故障跳闸2DL失灵跳闸
线路故障跳闸2DL失灵跳闸
500kV失灵保护放在断路器保护中
10.2 中压侧失灵
220kV母差装置集成了失灵保护
220kV存在两种情况,一是线路故障,失灵再失灵的情况。一是母线故障,主变中压侧开关失灵联跳三侧。
220kV还存在失灵解除复压,主变低压侧发 生故障,主变保护出口动作,若中压侧断路器拒动, 则主变中压侧断路器失灵保护动作联跳主变三侧断 路器,同时跳开中压侧断路器所在母线上所有断路 器。由于变压器本身阻抗较大,在低压侧故障时中 压侧电压变化不明显,可能导致复合电压闭锁无法 开放出口,母线失灵保护拒动。因此主变中压侧失 灵保护动作应解除复合电压闭锁。
值得注意的是,南网常规站主变失灵联跳三侧采用的是非电量跳闸,智能站采用的是电量跳闸。
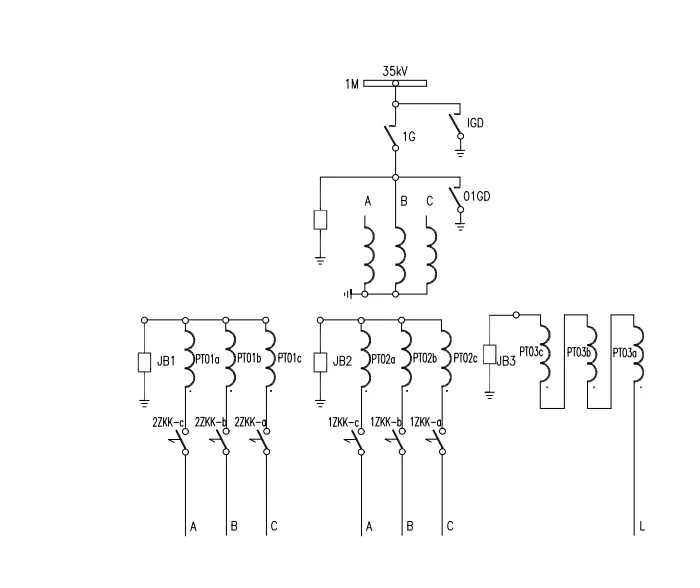
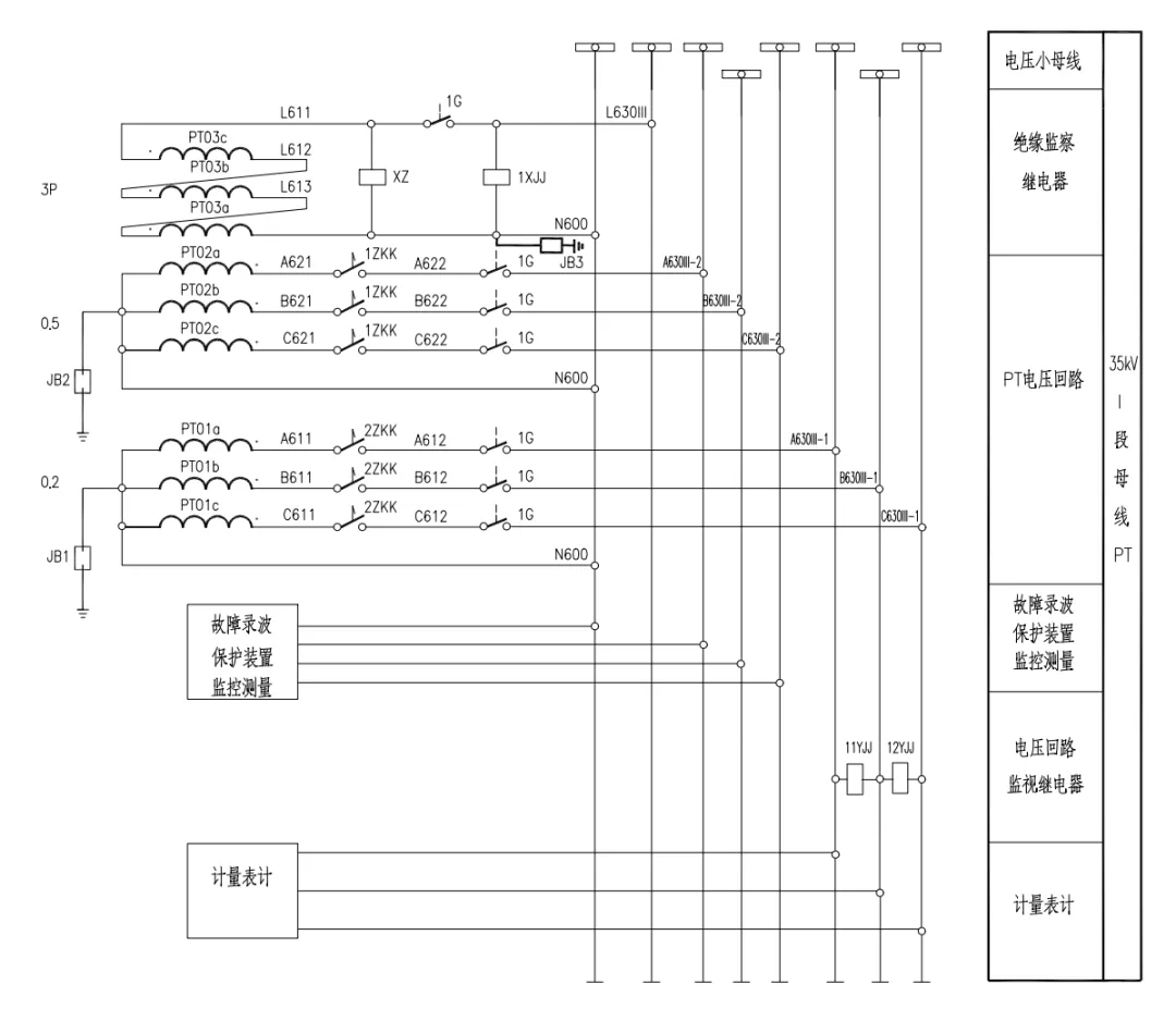
十一、主变电压互感器二次回路
1、变高侧。因为500kV主变采用CVT,所以变高无切换电压。直接用主变接口屏接入二次电压。
这些电压给断路器保护、测控,给安稳、同步向量、主变保护用。
2、中压侧。中压侧与普通220kV同理。都有切换后电压。值得注意的是,中压侧测控取了高压侧A相电压(一、是为了确保中压侧测控装置与高压侧保持同步,二是为了保护逻辑动作的正确性。)。
3、低压侧。
三、变中控制回路。