当前位置:首页>学习笔记>模电学习笔记:半导体与晶体管记

模电学习笔记:半导体与晶体管记

  • 2026-04-20 21:19:35
模电学习笔记:半导体与晶体管记

《模拟电子技术基础》学习笔记,梳理了半导体与晶体管的原理及概念。

一、半导体物理基础

1.1 什么是半导体?

    导体(如铜):容易导电。

    绝缘体(如橡胶):几乎不导电。

    半导体(如硅、锗):导电性介于两者之间,且可以通过掺入杂质、光照、温度等方式改变导电性。常用半导体:硅(Si)占绝对主导,锗(Ge)现在较少用。

1.2 原子与能带(极简版)

    原子由原子核和绕核运动的电子组成。

    电子在不同能量层级上运动,这些层级称为“能级”。

    在固体中,大量原子的能级会连成“能带”。

两个最重要的能带:

    * 价带:电子被原子束缚,不能自由移动(对应绝缘)。

    * 导带:电子可以自由移动(对应导电)。

价带和导带之间的间隙称为“禁带”,电子不能停留在禁带中。

    绝缘体:禁带很宽(>3eV),电子很难从价带跳到导带 → 不导电。

    导体:价带和导带重叠,有很多自由电子→ 导电。

    半导体:禁带宽度适中(硅约1.12eV,锗约0.66eV)。在室温下,部分电子获得热能就能跃迁到导带,同时价带留下空穴 → 具有一定导电性。

1.3 本征半导体(纯净的半导体)

“本征”就是纯净、未掺杂的意思。

在绝对零度(-273℃)时,本征半导体像绝缘体一样不导电。

在室温(300K)下,热能使少量价带电子跃迁到导带:

跃迁后,导带多了一个自由电子(带负电)。

价带少了一个电子,形成一个“空穴”(可以看作带正电的粒子)。

电子和空穴总是成对出现,称为“电子-空穴对”。

关键理解:

    * 电子是真实粒子,可以自由移动。

    * 空穴不是真实粒子,而是共价键中缺失电子留下的“空洞”。但相邻的电子可以跳过来填补这个空洞,导致空洞反向移动。因此空穴的移动本质上是电子移动的等效表现。

    * 为了简化分析,我们把空穴当作一个带正电的独立载流子。

    在本征半导体中,电子浓度n = 空穴浓度 p = 本征载流子浓度 ni

    * 硅在300K时,ni ≈ 1.5×10^10 /cm³(这个数值很小,所以本征硅导电性极差)。

1.4 为什么本征半导体导电性极差?—— 因为载流子太少

    虽然电子和空穴都能导电,但它们的数量极少(每立方厘米约150亿个)。

    作为对比,铜中自由电子数量约为10^22 /cm³,相差12个数量级。

    所以本征半导体几乎就是绝缘体。这正是制造半导体器件的前提:我们需要一张“白纸”,才能通过掺杂精确控制导电性。

1.5 掺杂(如何精确控制半导体的导电性?)

    在本征半导体中掺入极少量的特定杂质原子,可以极大地改变导电性。

掺入的杂质浓度通常为10^13 ~ 10^20 /cm³(相比本征的10^10,高很多)。

a)N型半导体(N = Negative,负)

    掺入五价元素(如磷、砷)。

    每个杂质原子提供一个多余的自由电子。

    电子成为“多数载流子”(多子),空穴为“少数载流子”(少子)。

    整体仍电中性(自由电子数量固定正离子数量 空穴数量)。

b)P型半导体(P = Positive,正)

    掺入三价元素(如硼、铝)。

    每个杂质原子能接受一个电子,从而产生一个空穴。

    空穴成为多数载流子,电子为少数载流子。

    整体电中性(空穴数量固定负离子数量 电子数量)。

    重要规律:× p = ni²(热平衡下)

无论怎么掺杂,只要温度不变,多数载流子浓度与少数载流子浓度的乘积总是等于本征载流子浓度的平方。

    例如:掺入施主浓度ND = 10^16 /cm³,则 ≈ ND = 10^16p = ni² / n ≈ (2.25×10^20)/10^16 = 2.25×10^4 /cm³。空穴极少。

1.6 PN结:将P型和N型半导体放在一起

    制作方法:在同一块半导体上分别掺入P型和N型杂质,交界处形成PN结。

a) 扩散与复合(初始阶段)

P区空穴浓度高 → 向N区扩散。

N区电子浓度高 → 向P区扩散。

扩散过去的电子和空穴相遇复合而消失。

b) 空间电荷区(耗尽层)

复合后,P区留下了带负电的固定受主离子(不能移动)。

N区留下了带正电的固定施主离子(不能移动)。

这些固定离子形成一个从N指向P的内建电场。

内建电场阻止多数载流子继续扩散,同时推动少数载流子漂移(反向运动)。

最终扩散和漂移达到动态平衡,此时PN结的净电流为零。

这个区域几乎没有自由载流子,所以也叫耗尽层。

c) 常见理解难点:复合后为什么反而带电了?

复合掉的是可移动的载流子,但留下了不能移动的固定离子。

原来P区:固定负离子与空穴(正)数量相等,电中性。空穴复合后,固定负离子还在,所以净负电。

原来N区:固定正离子与电子(负)数量相等,电中性。电子复合后,固定正离子还在,所以净正电。

1.7 PN结的单向导通性(整流特性)

正向偏置(P接正,N接负):

外电场与内建电场方向相反→ 耗尽层变窄 → 势垒降低 → 多数载流子大量扩散 → 形成较大的正向电流。

硅管正向导通电压约0.7V,锗管约0.2~0.3V

反向偏置(N接正,P接负):

    外电场与内建电场方向相同→ 耗尽层变宽 → 势垒升高 → 多数载流子无法通过 → 只有极小的反向饱和电流(由少数载流子漂移形成)→ 基本不导通。

1.8 反向击穿(当反向电压足够大时)

雪崩击穿:强电场加速载流子,载流子碰撞晶格产生新的电子-空穴对,像雪崩一样倍增,电流急剧增大。常见于低掺杂、耗尽层较宽的PN结。

齐纳击穿:电场极强(>10^6 V/cm),直接将价带电子拉入导带(量子隧穿),产生大量载流子。常见于高掺杂、耗尽层很窄的PN结。

只要限制电流(串联电阻),击穿是可逆的,不会损坏PN结。稳压二极管就是利用反向击穿区实现稳压。

1.9 PN结的结电容

势垒电容(CT):耗尽层宽度随反向电压变化,类似于平行板电容器。反向偏置时占主导。

扩散电容(CD):正向偏置时,注入的少数载流子在中性区积累,存储电荷,表现出电容效应。正向偏置时占主导。

结电容会限制二极管的高频开关速度。

二、二极管(单个PN结的封装器件)

2.1 二极管的伏安特性曲线

正向特性:

电压小于死区电压(硅约0.5V,锗约0.1V)时,电流几乎为零(死区)。

超过死区电压后,电流随电压指数上升。

正常工作时的正向压降:硅管0.7V左右,锗管0.2~0.3V

反向特性:

反向电压小于击穿电压时,只有很小的反向饱和电流(硅管nA级,锗管μA级)。

反向电压达到击穿电压时,电流急剧增大。

2.2 死区电压 vs 导通电压(概念区分)

    死区电压(门槛电压):开始产生显著电流的电压。硅约0.5V,锗约0.1V(教材值)。

    导通电压(正向压降):正常工作时(几mA~几十mA)两端的电压。硅约0.7V,锗约0.2~0.3V

    为什么有差异?因为电流很小时压降也小,但真正“导通”通常指电流达到mA级时的压降。

2.3 二极管的主要参数

2.3.1常规参数

正向电压(VF)

定义:二极管导通时,阳极与阴极间的电压降。

意义:VF 越小,导通损耗越低。

关键特性:它与正向电流(IF) 成正比,与环境温度成反比(负温度系数),

温度越高VF 越小。

典型值:硅管约0.7V,肖特基二极管可低至0.2-0.4V

反向电流(IR)

定义:加反向电压时产生的微小漏电流。

意义:IR 越小,单向导电性越好。

关键特性:对温度极其敏感(温度每升10℃约增一倍)。

最高反向工作电压(VR / VRRM)

定义:能安全重复施加的最大反向电压。

取值:约为击穿电压(VBR) 的一半。

意义:超过此值可能击穿损坏。

2.3.2 交流参数

反向恢复时间(trr)

定义:从导通切换到截止状态所需的时间。

意义:决定了二极管的开关速度。

物理根源:正向导通时存储在PN结的少数载流子需要时间被清除。

应用:高频电源中需选trr 小的快恢复二极管(~50ns)或肖特基二极管(<10ns)。

结电容(Cj)

定义:反向偏置下PN结等效的电容。

影响:会耦合高频信号造成损耗和失真。

变化趋势:Cj 随反向电压增大而减小。

应用:高频应用中应选Cj 小的二极管(如 <5pF)。

最高工作频率(fm)

定义:保证单向导电性的上限频率。

决定因素:由trr 和 Cj 决定。

正向恢复时间(tfr)

定义:从截止到导通的时间。

特性:通常远小于trr

2.3.3 极限参数 

最大平均整流电流(IO / IF)

定义:长期工作时允许通过的最大正向平均电流值。

注意:超过此值会导致结温过高而烧毁。

最大峰值正向电流(IFM)

    定义:允许通过的瞬间最大正向电流。

    特性:通常远大于IF

最大浪涌电流(IFSM)

    定义:在电源周期(例如50Hz一个周波)内允许的非重复性浪涌电流。

    用途:评估抗上电冲击、负载突变的能力

最大耗散功率(PD / Ptot)

    定义:在指定条件下允许的最大功率损耗。

    公式:PD = VF × IF(平均值)。

    注意:PD 与散热条件密切相关。

工作结温(Tj)

    定义:器件正常工作的PN结温度范围。

    典型值:-55°到 +150°C(硅管)。

    注意:超过最大结温将永久损坏。

2.3.4 二极管的内阻

    二极管不是理想元件,内部存在电阻。正向导通时的总内阻由三部分组成:

    1) 体电阻(rB):P区和N区中性区本身的电阻。与掺杂浓度成反比,与面积成反比,具有负温度系数。

    2) 结电阻(rj):PN结的动态电阻,即伏安特性曲线斜率的倒数。小信号下 rj≈ VT/ ID,其中VT为热电压(室温26mV),ID为静态电流。

    3) 接触电阻(rC):金属电极与半导体之间的接触电阻,好的欧姆接触可以做到很小。

小电流时rj占主导,大电流时rB占主导。

2.4 静态工作点(Q点)—— 直流工作状态

定义:在直流电路中,没有交流信号时,二极管两端的电压VD 和流过的电流 ID

为什么需要Q点?因为二极管是非线性的,要分析叠加的小信号,必须先知道它在直流下的位置(Q点),然后在Q点附近线性化。

求解方法:

1) 图解法:在二极管特性曲线上画出负载线(由外围电阻和电源决定),交点即为Q点。

2) 恒压降模型(最常用):假设二极管导通时两端电压固定(硅0.7V,锗0.2V),然后计算 ID = (VCC - VD)/R。适用于电源电压远大于VD的情况。

3) 分段线性模型:用电池 V_D0(约0.65V)和动态电阻 rd 串联模拟二极管,然后解线性电路。

注意:Q点是由电路决定的,同一个二极管在不同电路中Q点不同。

2.5 小信号分析(在Q点附近线性化)

当在直流偏置上叠加一个很小的交流信号时,我们可以在Q点处将二极管近似为一个线性电阻,阻值等于动态电阻 rd = VT / ID

小信号等效电路:将直流电源短路,二极管用rd 代替,交流信号源保留。

然后就可以用欧姆定律计算交流电流和电压的变化量。

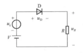
例子:

    假设图中的直流电压V=3V,二极管D为硅管,Vf=0.7V,电阻R阻值为1KΩ,交流信号幅值为ui=100mV

    所有Q点为:ID=(3V-0.7V)/1KΩ=2.3mA。计算处静态工作点ID后,根据VT热电压(室温26mV计算rd=VT/ID=26mV/2.3mA11.3Ω。

    所以在交流状态上iD=ui/(R+rd)=100mV/(1kΩ+11.3Ω)0.098mA

    uD=id*rd=0.098mV*11.3Ω1.1mV

    结论:在2.3mA的静态工作点上,100mV交流信号引起二极管两端电压在0.7V前后移动±1.1mV。同时二极管电流在2.3m移动±0.098mA

    电压衰减1.1mV/100mv0.011 倍,用分贝(dB)表示: 20Log100.011-39.17dB

    二次谐波失真uD/(4*VT)1.08%

- **小信号条件**:交流电压峰值必须远小于 2VT≈ 52mV,否则线性近似失效,波形会失真。

2.6 静态工作点的工程意义

静态工作点就是为非线性器件(二极管、三极管)找一个最合适的“工作位置”,让它在处理小信号时表现得像一个线性器件,从而保证信号不失真、能够被后级电路正常处理。

1. 保证信号能通过器件(防止截止)

二极管需要正向电压超过0.5V左右才开始导电。如果输入信号只有几十毫伏,不加静态偏置,信号就永远无法让二极管导通,输出为0

设置Q点:给它一个约0.7V的直流电压(硅管),让二极管已经微微导通。然后输入的小信号叠加在这0.7V上,信号正半周时电压升高一点(电流增大),负半周时电压降低一点(电流减小),但永远不会降到0.5V以下。这样,整个信号都能通过二极管。

2. 保证信号工作在“最线性”的区域(最小失真)

二极管特性曲线在0.7V附近的一段是最接近直线的。选择Q点在这里,信号在Q点附近摆动时,电流的变化与电压的变化基本成比例。

如果Q点选得太低(比如0.55V),信号负半周可能进入死区,波形被削掉一半(严重失真)。如果Q点选得太高(比如1V),电流很大,曲线又开始变弯曲(大电流时体电阻影响),也会失真。

3. 为后续的小信号分析提供“动态电阻”

Q点处,我们可以计算出动态电阻 rd = VT / ID。这个rd就是二极管在小信号下的等效线性电阻。

有了rd,你就可以用欧姆定律轻松计算交流电流、电压、增益、衰减等。没有Q点,你就没法用小信号模型。

4. 确定功耗和热设计

静态时二极管上消耗的功率P = V_DQ × I_DQ。如果这个功率太大,管子会发热,甚至烧毁。

通过选择Q点,可以控制功耗在安全范围内。

判断是否满足小信号条件(确保无失真)。

计算电路对信号的衰减(二极管不能放大,只能衰减)。

估算非线性失真:二次谐波失真 ≈ (Vd_peak)/(4VT)

为后级放大器提供输入匹配(输出信号是否在下一级的输入范围内)。

通过改变静态电流来改变 rd,实现压控可变电阻(用于自动增益控制等)。

三、稳压二极管(齐纳二极管)

3.1 什么是稳压二极管?

    特殊二极管,专门工作在反向击穿区。在击穿区,反向电压几乎不随电流变化,从而起到稳定电压的作用。

    符号:

3.2 主要参数(数据手册中)

VZ(稳定电压):在规定的反向测试电流(通常5mA)下,二极管两端的电压。常见值2.4V~200V

rZ(动态电阻):ΔVZ/ΔIZ,在击穿区越小越好(几Ω~几十Ω)。

IZK(最小稳定电流):进入击穿区所需的最小电流,低于此值稳压效果差。

IZM(最大稳定电流):由最大功耗 PZM = VZ × IZM 决定,超过可能烧毁。

温度系数:VZ<5V时负,>6V时正,≈5.5V时接近零。

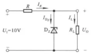
3.3 基本稳压电路(并联稳压)

电路结构:

工作原理:

负载RL 与稳压管并联,Vout = VZ(只要管子处于击穿区)。

输入电压Vin 波动时,Vin↑ → 总电流 IT = (Vin-VZ)/Rs ↑ → 流过稳压管的电流 IZ ↑ → 但 VZ 基本不变 → Vout 稳定。

负载电流IL 变化时,IL↑ → IZ↓,只要 IZ 仍大于 IZKVout 仍稳定。

3.4 限流电阻 Rs 的选择(设计计算)

必须同时满足两个极端条件:

    (1) 当 Vin 最高、负载开路(IL=0)时,IZ 不能超过 IZM

Rs > (Vin_max - VZ) / IZM

    (2) 当 Vin 最低、负载最重(IL=IL_max)时,IZ 不能低于 IZK

Rs < (Vin_min - VZ) / (IZK + IL_max)

实际Rs 取介于两者之间的一个标称值。

3.5 性能指标局限

稳压系数(线路调整率):Sv = ΔVout/ΔVin ≈ rZ / (Rs + rZ) ≈ rZ/Rs(若Rs>>rZ)。

输出电阻(负载调整率):Rout = rZ // Rs ≈ rZ(因为rZ很小)。

可见,rZ 越小,稳压性能越好。

效率低:Rs 上一直消耗功率,η = Vout/Vin(典型值30%~50%)。

输出电流小:受限于IZM(几百mA以内)。

适用于小功率基准、简单稳压、过压保护等;大电流或效率要求高时用串联稳压。

四、三极管(BJT,双极型晶体管)基础

4.1 三极管的结构(NPNPNP

    由两个PN结背靠背组成,形成三个区:发射区、基区、集电区。

    NPN型:发射区(N+,高掺杂),基区(P,很薄,轻掺杂),集电区(N,中等掺杂)。

    PNP型:发射区(P+),基区(N),集电区(P)。

    三个电极:发射极E、基极B、集电极C

4.2 放大条件(为什么能放大?)

    必须满足:发射结正偏,集电结反偏。

    以NPN为例:

发射结(BE结)正偏:基极电位 发射极电位,VBE≈ 0.6~0.7V(硅管)。

作用:降低发射结势垒,让发射区的电子能够大量注入基区。

集电结(BC结)反偏:集电极电位 基极电位,VCB为正(几伏到几十伏)。

作用:在集电结区域形成一个很强的电场(方向从集电区指向基区),这个电场会加速电子从基区向集电区运动。

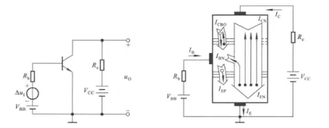
4.2.1内部载流子的具体运动(分四步)

第一步:发射区向基区注入电子(发射结正偏引起的扩散)

多数载流子扩散:发射区(N,多子为电子)中的大量电子越过发射结势垒,注入到基区(P)。形成电子电流 IEN(电子从EB)。传统电流方向相反:BE,这是发射极电流的主要部分。

同时存在的反向扩散:基区(P,多子为空穴)中的少量空穴也越过发射结扩散到发射区(N⁺)。形成空穴电流 IEP(空穴从BE)。传统电流方向相同:BE

由于基区掺杂浓度极低,IEP非常小,通常可忽略,但它是基极电流的一部分。

发射极总电流:

IE= IEN+ IEP

传统电流方向:流入发射极(因为电子流出发射区,相当于正电荷流入)。

第二步:电子在基区中的扩散与复合

注入基区的电子(IEN)成为基区的少数载流子。它们在基区中一边向集电结方向扩散(浓度梯度驱动),一边与基区中的多数载流子(空穴)相遇而复合。

由于基区很薄且空穴浓度很低,复合的概率很小,只有极少数电子与空穴复合。每复合一个电子,就消耗一个基区空穴。这些空穴由基极外部电路补充,形成复合电流IBN

IBN是空穴电流,传统电流方向从基极流入基区。

复合掉的电子数量决定了基极电流的一部分:IBN很小,通常IEN>> IBN未复合的电子(占绝大多数,约 IEN- IBN)继续向集电结边缘扩散。

此时基极电流的构成(暂时忽略Icbo):

IB= IEP+ IBN

第三步:集电结收集电子(集电结反偏引起的漂移)

集电结反偏,在结区形成强电场,方向从集电区指向基区。

对电子的作用:该电场对带负电的电子是加速电场,将电子从基区拉向集电区。到达集电结边缘的电子(未复合的)进入该强电场区后,被迅速漂移进入集电区。电子流动方向:→ C。传统电流方向相反:→ B(即IC从集电极流出)。

形成集电极电流的主要成分:

ICN= IEN- IBN

同时存在的少子漂移(ICBO):集电结反偏时,集电区(N)的少数载流子(空穴)漂移到基区,基区(P)的少数载流子(电子)漂移到集电区。这两部分合起来形成集电结反向饱和电流 ICBO

ICBO的传统电流方向:从集电区流向基区(→ B)。对基极电流:ICBO中的空穴流从CB,相当于从基极流出电流,因此基极电流会减去ICBO。对集电极电流:ICBO中的电子流从BC,相当于增加集电极电流,因此集电极电流会加上ICBO

因此,完整的集电极电流为:

IC=ICN+ICBO=(IEN- IBN) + ICBO

第四步:外部电路的电流回路

发射极:发射区不断向基区注入电子,发射区失去电子,所以外部电路必须向发射极补充电子传统电流IE流入发射极,大小IE= IEN+ IEP

基极:需要提供两部分空穴:

①补偿扩散到发射区的空穴(IEP);

②补偿复合消耗的空穴(IBN

但同时,ICBO中的空穴流从集电区流入基区,这部分空穴会从基极流出,因此基极电流要减去ICBO传统电流IB流入基极,大小IB= IEP+ IBN- ICBO

集电极:集电区收集了来自基区的电子(IEN- IBN)以及ICBO中的电子流,这些电子通过外部电路流向电源正极。传统电流IC流出集电极,大小IC=ICN+ICBO=(IEN- IBN) + ICBO

验证基尔霍夫电流定律:

IE= IB+ IC= (IEP+IBN-ICBO) + (IEN-IBN+ICBO) = IEN+IEP,成立。

IC`β × IB`β 为共发射极电流放大倍数,通常50~300

IE= (1+`β× IB

α = IC/IE`β/(1+`β≈ 0.99 (共基电流增益)

4.3 为什么`β可以很大?

    要使`β 很大,就要让 IC尽可能大,而IB尽可能小。下面从物理结构解释。

4.3.1. 发射区高掺杂 (注入效率高)

    发射区(N)的电子浓度极高。当发射结正偏时,大量电子从发射区注入基区,形成 IEN

    与此同时,基区的空穴也会向发射区扩散,形成IEP。但由于基区空穴浓度很低,IEP非常小。

    因此,发射极电流IE= IEN+ IEP中,IEN占绝对主导。这保证了有用的电子注入占主流。

4.3.2. 基区很薄(电子在基区复合的概率小)

    从发射区注入的电子在基区中一边扩散一边与空穴复合。基区厚度只有微米级,电子很快就能到达集电结。

    复合越少,意味着消耗的基区空穴越少,从而需要的基极电流IBN越小。

    未复合的电子(IEN- IBN)到达集电结,被反偏电场收集形成IC。所以IC≈ IEN

4.3.3. 基区轻掺杂(基区空穴浓度低)

基区空穴少有两个好处:

    a) 从基区向发射区扩散的空穴电流 IEP很小,不会白白浪费基极电流。

    b) 注入的电子与空穴复合的概率降低,进一步减小了IBN

    基极总电流IB= IEP+ IBN(忽略ICBO)因此非常小。

4.3.4. 总结:

    发射区高掺杂注入电子多(IEN大)

    基区薄且轻掺杂复合少(IBN小)且反向注入小(IEP小)

    所以IC≈ IEN很大,而IB≈ IBN+ IEP很小,`β = IC/ IB自然就大了。

4.4 重要漏电流:ICEO(基极开路时的C-E漏电)

    ICEO是指:将基极引脚悬空(不接任何东西),在集电极和发射极之间加上电压后,从集电极流向发射极的漏电流。

4.4.1 ICBO(集电极-基极反向饱和电流)

    集电结是一个PN 结,当它反偏时(正,负),理论上应该只有极小的反向饱和电流。

    这个电流由热激发产生的少数载流子形成:基区的电子漂移到集电区,集电区的空穴漂移到基区。

    我们把这个电流称为ICBO,它的传统电流方向是从流向 B

        ICBO非常小(硅管nA 级,锗管 μ级),但随温度升高指数增大。

4.4.2 基极开路时发生了什么?

基极开路,意味着从外部不能流入或流出电流。

ICBO依然存在:它从流向 B(空穴从 到 B,电子从 到 C)。

这些流向的空穴无法从基极引线流走,它们只能进入基区内部,然后流向发射结。

当这些空穴流过发射结时,就相当于给发射结提供了一个“正向偏置电流”,使得发射结导通。发射结一旦导通,就会像正常放大一样:发射区的电子大量注入基区,大部分被集电结收集,形成放大的集电极电流。

结果:集电极电流变得很大,这个放大了的漏电就是ICEO

4.4.3 ICEO的大小

ICEO包含两部分:原来的ICBO加上被放大后的部分。

放大倍数为`β(因为ICBO相当于基极注入电流),所以:

ICEO= ICBO `β× ICBO= (1 + β) ICBO

由于`β通常很大(例如100),所以 ICEOICBO大约大100 倍。

例如,某硅管ICBO= 10 nA`β= 100,则 ICEO≈ μA(仍然很小)。锗管 ICBO可能为10 μA,则 ICEO≈ 1 mA,已经不能忽略。

4.4.4 为什么 ICEO很重要?

它表示三极管在基极开路时不能完全截止,会有一个漏电流。

温度升高时,ICBO急剧增大,导致ICEO也急剧增大,可能引起热失控(电流越来越大,最终烧毁管子)。

硅管因为ICBO极小,所以热稳定性远优于锗管。

4.4.5 常见误解澄清

ICEO是发射区电子直接穿过基区跑到集电区形成的,其实不是。

真正的根源是集电结的反向漏电ICBO,这个漏电充当了基极电流,被三极管放大后产生ICEO

4.5 直流放大倍数`β 与交流放大倍数 β

        `β = IC/ IB(直流,静态)。

     β ΔICΔIB(交流,小信号动态)。

4.5.1 定义

    `β(直流放大倍数):在静态工作点下,集电极直流电流 IC与基极直流电流IB的比值。即`β= IC/ IB

    β(交流放大倍数):在静态工作点附近,集电极电流的变化量 ΔIC与基极电流的变化量ΔIB的比值。即β ΔICΔIB

4.5.2 为什么它们近似相等?

    三极管的输出特性曲线(ICVCE的关系)是一族曲线,每条曲线对应一个固定的IB

    在放大区,这些曲线几乎是等间距的平行线(间距代表ΔICΔIB)。

    如果间距严格相等,那么从任意两条曲线计算出的ΔIC/ΔIB都等于任意一点上的IC/ IB。所以`β β 严格成立。

    实际上,由于基区宽度调制效应(Early 效应),曲线会略微向上倾斜,导致不同 IB下的`β略有变化,同时 β 也会随工作点轻微变化。

但通常这种变化很小,在工程上可以认为`β ≈ β。因此,数据手册中给出的 `β 参数可以直接用于交流小信号分析中的 β。

4.5.3 一个容易混淆的点:共基电流放大倍数 α

    α ΔICΔIE,它与β 的关系是 β α / (1-α),α β / (1+β)

    当β 很大时(如 100),α ≈ 0.99,两者不相等。所以不要将 α 与 β 混淆。

4.5.4 工程意义

    设计静态工作点时,使用`β 计算偏置电阻。

    分析交流小信号增益时,使用β(通常取与`β 相同的数值)。

    由于两者近似相等,实际电路设计中通常混用符号β 代表两者,只要清楚是在直流还是交流条件下即可。

   为什么两者近似相等?

    三极管的输出特性曲线(IC- VCE)是一族近似等间距的平行线,每条线对应一个IB

    当间距严格相等时,从任意两点计算得到的β 都等于`β。

    实际由于基区宽度调制效应(Early效应),曲线略有倾斜,但通常变化不大,工程上认为 `β ≈ β。

4.6 三极管的三种工作状态

    发射结正偏是导通的前提,集电结反偏是放大的保证,集电结正偏则进入饱和。

    截止区:发射结反偏或零偏,集电结反偏。IC≈ 0,相当于开关断开。

    放大区:发射结正偏,集电结反偏。ICβ×IB,线性放大。

    饱和区:发射结正偏,集电结正偏。IC不再受IB控制,VCE≈ 0.2V(饱和压降),相当于开关闭合。

五、场效应管(FET)总览

5.1 场效应管的分类

场效应管(FET)主要分为两大类:

1. 结型场效应管(JFET

2. 金属-氧化物-半导体场效应管(MOSFET

5.2 JFET(结型场效应管)

结构:在P型衬底上制作一个N型导电沟道(N沟道),沟道两侧(或上下)是P+栅区。栅-沟道之间形成PN结。

符号:栅极垂直于沟道。

工作特点:

正常工作时,栅极必须反偏(N沟道:VGS≤ 0)。

反偏电压越大,耗尽层越宽,沟道越窄,漏极电流越小。

VGS负到夹断电压VP时,沟道完全夹断,ID≈ 0

* VGS=0时沟道已导通(耗尽型,常开)。

输入阻抗:高(10^9~10^12 Ω),因为栅极是反偏PN结。

应用:低噪声放大器、高输入阻抗仪器、模拟开关。

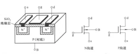
5.3 MOSFET(金属-氧化物-半导体场效应管)

结构:栅极与沟道之间有一层绝缘层(SiO₂),因此输入阻抗极高(>10^14 Ω)。

分类:

按沟道材料:NMOSN沟道)、PMOSP沟道)。

按工作模式:增强型(常关)、耗尽型(常开)。

符号区别:

增强型:沟道用虚线表示(需要电压才能形成)。

耗尽型:沟道用实线表示(已存在沟道)。

为什么实际NMOS的源极和漏极不能互换?

理论上结构对称,但实际分立器件内部已将衬底(B)与源极(S)短接。

衬底必须接最低电位(NMOS),如果互换,衬底PN结可能正偏,导致漏电或烧毁。

如果衬底独立引出并正确偏置,则SD可以互换。

5.4 增强型NMOS工作原理(最常见)

    结构:P型衬底,两个N+区(源极S和漏极D),栅极G覆盖在两者之间的衬底上。

    导通条件:VGS> Vth(阈值电压,正值)。

VGS=0时,没有导电沟道,源漏不通。

        VGS> Vth时,栅极正电场将P衬底中的电子吸引到表面,形成N反型层(沟道),连接源漏,器件导通。

    控制特性:VGS越大,沟道越宽,导通电阻越小。

5.5 耗尽型NMOS工作原理

结构:在制造时通过离子注入,预先在P衬底表面形成一层N沟道(即使VGS=0也存在)。

导通特性:

V_GS=0时,已有沟道,源漏导通(常开)。

V_GS > 0:沟道加宽,电流增大。

V_GS < 0(负压):沟道变窄,电流减小;当V_GS负到夹断电压V_P时,沟道消失,截止。

应用:恒流源、有源负载、启动电路。

5.6 MOSFET的三个工作区(以增强型NMOS为例)

截止区:VGS< Vth,沟道未形成,ID≈ 0

可变电阻区(线性区):VGS> VthVDS< VGS- Vth

沟道连续,IDVDS线性增加,MOSFET像一个受VGS控制的可变电阻。

饱和区(恒流区):VGS> VthVDS≥ VGS- Vth

沟道在漏端夹断,ID几乎不随VDS变化(只受VGS控制),输出高阻抗,适合做恒流源或放大器。

5.7 为什么用 V_DS 与 V_GS-V_th 比较来判断?

物理本质:沿沟道各点的有效栅压为VGS - V(x),其中V(x)是沟道电势。

在漏极处,V(x)=VDS,有效栅压= VGS- VDS

当 VGS- VDS= Vth时,漏极处反型层厚度为零,即“夹断”。

若 VDS< VGS- Vth,则漏极有效栅压> Vth,沟道全程未断→ 线性区。

若 VDS≥ VGS- Vth,则漏极有效栅压≤ Vth,沟道在漏端或更早位置夹断→ 饱和区。

5.8 MOSFET的功耗计算

总损耗导通损耗 开关损耗 栅极驱动损耗(较小)

导通损耗(开关模式):Pcond= ID^2 × R_DS(on)  MOSFET完全导通,工作在线性区)

导通损耗(线性模式):Pcond= VDS× IDMOSFET工作在饱和区,如恒流源)

开关损耗(硬开关):Psw= 0.5 × VDS× ID× (trise+ tfall× fsw

栅极驱动损耗:Pgate= Q_g × VGS× fsw(消耗在驱动电路中)

其中R_DS(on) 是导通电阻,Q_g 是总栅极电荷,f_sw 是开关频率。

最新文章

随机文章

基本 文件 流程 错误 SQL 调试
  1. 请求信息 : 2026-04-20 22:54:12 HTTP/2.0 GET : https://67808.cn/a/482534.html
  2. 运行时间 : 0.097865s [ 吞吐率:10.22req/s ] 内存消耗:4,569.36kb 文件加载:140
  3. 缓存信息 : 0 reads,0 writes
  4. 会话信息 : SESSION_ID=2abb6403e58cf0e87c7886995e5cba94
  1. /yingpanguazai/ssd/ssd1/www/no.67808.cn/public/index.php ( 0.79 KB )
  2. /yingpanguazai/ssd/ssd1/www/no.67808.cn/vendor/autoload.php ( 0.17 KB )
  3. /yingpanguazai/ssd/ssd1/www/no.67808.cn/vendor/composer/autoload_real.php ( 2.49 KB )
  4. /yingpanguazai/ssd/ssd1/www/no.67808.cn/vendor/composer/platform_check.php ( 0.90 KB )
  5. /yingpanguazai/ssd/ssd1/www/no.67808.cn/vendor/composer/ClassLoader.php ( 14.03 KB )
  6. /yingpanguazai/ssd/ssd1/www/no.67808.cn/vendor/composer/autoload_static.php ( 4.90 KB )
  7. /yingpanguazai/ssd/ssd1/www/no.67808.cn/vendor/topthink/think-helper/src/helper.php ( 8.34 KB )
  8. /yingpanguazai/ssd/ssd1/www/no.67808.cn/vendor/topthink/think-validate/src/helper.php ( 2.19 KB )
  9. /yingpanguazai/ssd/ssd1/www/no.67808.cn/vendor/topthink/think-orm/src/helper.php ( 1.47 KB )
  10. /yingpanguazai/ssd/ssd1/www/no.67808.cn/vendor/topthink/think-orm/stubs/load_stubs.php ( 0.16 KB )
  11. /yingpanguazai/ssd/ssd1/www/no.67808.cn/vendor/topthink/framework/src/think/Exception.php ( 1.69 KB )
  12. /yingpanguazai/ssd/ssd1/www/no.67808.cn/vendor/topthink/think-container/src/Facade.php ( 2.71 KB )
  13. /yingpanguazai/ssd/ssd1/www/no.67808.cn/vendor/symfony/deprecation-contracts/function.php ( 0.99 KB )
  14. /yingpanguazai/ssd/ssd1/www/no.67808.cn/vendor/symfony/polyfill-mbstring/bootstrap.php ( 8.26 KB )
  15. /yingpanguazai/ssd/ssd1/www/no.67808.cn/vendor/symfony/polyfill-mbstring/bootstrap80.php ( 9.78 KB )
  16. /yingpanguazai/ssd/ssd1/www/no.67808.cn/vendor/symfony/var-dumper/Resources/functions/dump.php ( 1.49 KB )
  17. /yingpanguazai/ssd/ssd1/www/no.67808.cn/vendor/topthink/think-dumper/src/helper.php ( 0.18 KB )
  18. /yingpanguazai/ssd/ssd1/www/no.67808.cn/vendor/symfony/var-dumper/VarDumper.php ( 4.30 KB )
  19. /yingpanguazai/ssd/ssd1/www/no.67808.cn/vendor/topthink/framework/src/think/App.php ( 15.30 KB )
  20. /yingpanguazai/ssd/ssd1/www/no.67808.cn/vendor/topthink/think-container/src/Container.php ( 15.76 KB )
  21. /yingpanguazai/ssd/ssd1/www/no.67808.cn/vendor/psr/container/src/ContainerInterface.php ( 1.02 KB )
  22. /yingpanguazai/ssd/ssd1/www/no.67808.cn/app/provider.php ( 0.19 KB )
  23. /yingpanguazai/ssd/ssd1/www/no.67808.cn/vendor/topthink/framework/src/think/Http.php ( 6.04 KB )
  24. /yingpanguazai/ssd/ssd1/www/no.67808.cn/vendor/topthink/think-helper/src/helper/Str.php ( 7.29 KB )
  25. /yingpanguazai/ssd/ssd1/www/no.67808.cn/vendor/topthink/framework/src/think/Env.php ( 4.68 KB )
  26. /yingpanguazai/ssd/ssd1/www/no.67808.cn/app/common.php ( 0.03 KB )
  27. /yingpanguazai/ssd/ssd1/www/no.67808.cn/vendor/topthink/framework/src/helper.php ( 18.78 KB )
  28. /yingpanguazai/ssd/ssd1/www/no.67808.cn/vendor/topthink/framework/src/think/Config.php ( 5.54 KB )
  29. /yingpanguazai/ssd/ssd1/www/no.67808.cn/config/app.php ( 0.95 KB )
  30. /yingpanguazai/ssd/ssd1/www/no.67808.cn/config/cache.php ( 0.78 KB )
  31. /yingpanguazai/ssd/ssd1/www/no.67808.cn/config/console.php ( 0.23 KB )
  32. /yingpanguazai/ssd/ssd1/www/no.67808.cn/config/cookie.php ( 0.56 KB )
  33. /yingpanguazai/ssd/ssd1/www/no.67808.cn/config/database.php ( 2.48 KB )
  34. /yingpanguazai/ssd/ssd1/www/no.67808.cn/vendor/topthink/framework/src/think/facade/Env.php ( 1.67 KB )
  35. /yingpanguazai/ssd/ssd1/www/no.67808.cn/config/filesystem.php ( 0.61 KB )
  36. /yingpanguazai/ssd/ssd1/www/no.67808.cn/config/lang.php ( 0.91 KB )
  37. /yingpanguazai/ssd/ssd1/www/no.67808.cn/config/log.php ( 1.35 KB )
  38. /yingpanguazai/ssd/ssd1/www/no.67808.cn/config/middleware.php ( 0.19 KB )
  39. /yingpanguazai/ssd/ssd1/www/no.67808.cn/config/route.php ( 1.89 KB )
  40. /yingpanguazai/ssd/ssd1/www/no.67808.cn/config/session.php ( 0.57 KB )
  41. /yingpanguazai/ssd/ssd1/www/no.67808.cn/config/trace.php ( 0.34 KB )
  42. /yingpanguazai/ssd/ssd1/www/no.67808.cn/config/view.php ( 0.82 KB )
  43. /yingpanguazai/ssd/ssd1/www/no.67808.cn/app/event.php ( 0.25 KB )
  44. /yingpanguazai/ssd/ssd1/www/no.67808.cn/vendor/topthink/framework/src/think/Event.php ( 7.67 KB )
  45. /yingpanguazai/ssd/ssd1/www/no.67808.cn/app/service.php ( 0.13 KB )
  46. /yingpanguazai/ssd/ssd1/www/no.67808.cn/app/AppService.php ( 0.26 KB )
  47. /yingpanguazai/ssd/ssd1/www/no.67808.cn/vendor/topthink/framework/src/think/Service.php ( 1.64 KB )
  48. /yingpanguazai/ssd/ssd1/www/no.67808.cn/vendor/topthink/framework/src/think/Lang.php ( 7.35 KB )
  49. /yingpanguazai/ssd/ssd1/www/no.67808.cn/vendor/topthink/framework/src/lang/zh-cn.php ( 13.70 KB )
  50. /yingpanguazai/ssd/ssd1/www/no.67808.cn/vendor/topthink/framework/src/think/initializer/Error.php ( 3.31 KB )
  51. /yingpanguazai/ssd/ssd1/www/no.67808.cn/vendor/topthink/framework/src/think/initializer/RegisterService.php ( 1.33 KB )
  52. /yingpanguazai/ssd/ssd1/www/no.67808.cn/vendor/services.php ( 0.14 KB )
  53. /yingpanguazai/ssd/ssd1/www/no.67808.cn/vendor/topthink/framework/src/think/service/PaginatorService.php ( 1.52 KB )
  54. /yingpanguazai/ssd/ssd1/www/no.67808.cn/vendor/topthink/framework/src/think/service/ValidateService.php ( 0.99 KB )
  55. /yingpanguazai/ssd/ssd1/www/no.67808.cn/vendor/topthink/framework/src/think/service/ModelService.php ( 2.04 KB )
  56. /yingpanguazai/ssd/ssd1/www/no.67808.cn/vendor/topthink/think-trace/src/Service.php ( 0.77 KB )
  57. /yingpanguazai/ssd/ssd1/www/no.67808.cn/vendor/topthink/framework/src/think/Middleware.php ( 6.72 KB )
  58. /yingpanguazai/ssd/ssd1/www/no.67808.cn/vendor/topthink/framework/src/think/initializer/BootService.php ( 0.77 KB )
  59. /yingpanguazai/ssd/ssd1/www/no.67808.cn/vendor/topthink/think-orm/src/Paginator.php ( 11.86 KB )
  60. /yingpanguazai/ssd/ssd1/www/no.67808.cn/vendor/topthink/think-validate/src/Validate.php ( 63.20 KB )
  61. /yingpanguazai/ssd/ssd1/www/no.67808.cn/vendor/topthink/think-orm/src/Model.php ( 23.55 KB )
  62. /yingpanguazai/ssd/ssd1/www/no.67808.cn/vendor/topthink/think-orm/src/model/concern/Attribute.php ( 21.05 KB )
  63. /yingpanguazai/ssd/ssd1/www/no.67808.cn/vendor/topthink/think-orm/src/model/concern/AutoWriteData.php ( 4.21 KB )
  64. /yingpanguazai/ssd/ssd1/www/no.67808.cn/vendor/topthink/think-orm/src/model/concern/Conversion.php ( 6.44 KB )
  65. /yingpanguazai/ssd/ssd1/www/no.67808.cn/vendor/topthink/think-orm/src/model/concern/DbConnect.php ( 5.16 KB )
  66. /yingpanguazai/ssd/ssd1/www/no.67808.cn/vendor/topthink/think-orm/src/model/concern/ModelEvent.php ( 2.33 KB )
  67. /yingpanguazai/ssd/ssd1/www/no.67808.cn/vendor/topthink/think-orm/src/model/concern/RelationShip.php ( 28.29 KB )
  68. /yingpanguazai/ssd/ssd1/www/no.67808.cn/vendor/topthink/think-helper/src/contract/Arrayable.php ( 0.09 KB )
  69. /yingpanguazai/ssd/ssd1/www/no.67808.cn/vendor/topthink/think-helper/src/contract/Jsonable.php ( 0.13 KB )
  70. /yingpanguazai/ssd/ssd1/www/no.67808.cn/vendor/topthink/think-orm/src/model/contract/Modelable.php ( 0.09 KB )
  71. /yingpanguazai/ssd/ssd1/www/no.67808.cn/vendor/topthink/framework/src/think/Db.php ( 2.88 KB )
  72. /yingpanguazai/ssd/ssd1/www/no.67808.cn/vendor/topthink/think-orm/src/DbManager.php ( 8.52 KB )
  73. /yingpanguazai/ssd/ssd1/www/no.67808.cn/vendor/topthink/framework/src/think/Log.php ( 6.28 KB )
  74. /yingpanguazai/ssd/ssd1/www/no.67808.cn/vendor/topthink/framework/src/think/Manager.php ( 3.92 KB )
  75. /yingpanguazai/ssd/ssd1/www/no.67808.cn/vendor/psr/log/src/LoggerTrait.php ( 2.69 KB )
  76. /yingpanguazai/ssd/ssd1/www/no.67808.cn/vendor/psr/log/src/LoggerInterface.php ( 2.71 KB )
  77. /yingpanguazai/ssd/ssd1/www/no.67808.cn/vendor/topthink/framework/src/think/Cache.php ( 4.92 KB )
  78. /yingpanguazai/ssd/ssd1/www/no.67808.cn/vendor/psr/simple-cache/src/CacheInterface.php ( 4.71 KB )
  79. /yingpanguazai/ssd/ssd1/www/no.67808.cn/vendor/topthink/think-helper/src/helper/Arr.php ( 16.63 KB )
  80. /yingpanguazai/ssd/ssd1/www/no.67808.cn/vendor/topthink/framework/src/think/cache/driver/File.php ( 7.84 KB )
  81. /yingpanguazai/ssd/ssd1/www/no.67808.cn/vendor/topthink/framework/src/think/cache/Driver.php ( 9.03 KB )
  82. /yingpanguazai/ssd/ssd1/www/no.67808.cn/vendor/topthink/framework/src/think/contract/CacheHandlerInterface.php ( 1.99 KB )
  83. /yingpanguazai/ssd/ssd1/www/no.67808.cn/app/Request.php ( 0.09 KB )
  84. /yingpanguazai/ssd/ssd1/www/no.67808.cn/vendor/topthink/framework/src/think/Request.php ( 55.78 KB )
  85. /yingpanguazai/ssd/ssd1/www/no.67808.cn/app/middleware.php ( 0.25 KB )
  86. /yingpanguazai/ssd/ssd1/www/no.67808.cn/vendor/topthink/framework/src/think/Pipeline.php ( 2.61 KB )
  87. /yingpanguazai/ssd/ssd1/www/no.67808.cn/vendor/topthink/think-trace/src/TraceDebug.php ( 3.40 KB )
  88. /yingpanguazai/ssd/ssd1/www/no.67808.cn/vendor/topthink/framework/src/think/middleware/SessionInit.php ( 1.94 KB )
  89. /yingpanguazai/ssd/ssd1/www/no.67808.cn/vendor/topthink/framework/src/think/Session.php ( 1.80 KB )
  90. /yingpanguazai/ssd/ssd1/www/no.67808.cn/vendor/topthink/framework/src/think/session/driver/File.php ( 6.27 KB )
  91. /yingpanguazai/ssd/ssd1/www/no.67808.cn/vendor/topthink/framework/src/think/contract/SessionHandlerInterface.php ( 0.87 KB )
  92. /yingpanguazai/ssd/ssd1/www/no.67808.cn/vendor/topthink/framework/src/think/session/Store.php ( 7.12 KB )
  93. /yingpanguazai/ssd/ssd1/www/no.67808.cn/vendor/topthink/framework/src/think/Route.php ( 23.73 KB )
  94. /yingpanguazai/ssd/ssd1/www/no.67808.cn/vendor/topthink/framework/src/think/route/RuleName.php ( 5.75 KB )
  95. /yingpanguazai/ssd/ssd1/www/no.67808.cn/vendor/topthink/framework/src/think/route/Domain.php ( 2.53 KB )
  96. /yingpanguazai/ssd/ssd1/www/no.67808.cn/vendor/topthink/framework/src/think/route/RuleGroup.php ( 22.43 KB )
  97. /yingpanguazai/ssd/ssd1/www/no.67808.cn/vendor/topthink/framework/src/think/route/Rule.php ( 26.95 KB )
  98. /yingpanguazai/ssd/ssd1/www/no.67808.cn/vendor/topthink/framework/src/think/route/RuleItem.php ( 9.78 KB )
  99. /yingpanguazai/ssd/ssd1/www/no.67808.cn/route/app.php ( 1.72 KB )
  100. /yingpanguazai/ssd/ssd1/www/no.67808.cn/vendor/topthink/framework/src/think/facade/Route.php ( 4.70 KB )
  101. /yingpanguazai/ssd/ssd1/www/no.67808.cn/vendor/topthink/framework/src/think/route/dispatch/Controller.php ( 4.74 KB )
  102. /yingpanguazai/ssd/ssd1/www/no.67808.cn/vendor/topthink/framework/src/think/route/Dispatch.php ( 10.44 KB )
  103. /yingpanguazai/ssd/ssd1/www/no.67808.cn/app/controller/Index.php ( 4.81 KB )
  104. /yingpanguazai/ssd/ssd1/www/no.67808.cn/app/BaseController.php ( 2.05 KB )
  105. /yingpanguazai/ssd/ssd1/www/no.67808.cn/vendor/topthink/think-orm/src/facade/Db.php ( 0.93 KB )
  106. /yingpanguazai/ssd/ssd1/www/no.67808.cn/vendor/topthink/think-orm/src/db/connector/Mysql.php ( 5.44 KB )
  107. /yingpanguazai/ssd/ssd1/www/no.67808.cn/vendor/topthink/think-orm/src/db/PDOConnection.php ( 52.47 KB )
  108. /yingpanguazai/ssd/ssd1/www/no.67808.cn/vendor/topthink/think-orm/src/db/Connection.php ( 8.39 KB )
  109. /yingpanguazai/ssd/ssd1/www/no.67808.cn/vendor/topthink/think-orm/src/db/ConnectionInterface.php ( 4.57 KB )
  110. /yingpanguazai/ssd/ssd1/www/no.67808.cn/vendor/topthink/think-orm/src/db/builder/Mysql.php ( 16.58 KB )
  111. /yingpanguazai/ssd/ssd1/www/no.67808.cn/vendor/topthink/think-orm/src/db/Builder.php ( 24.06 KB )
  112. /yingpanguazai/ssd/ssd1/www/no.67808.cn/vendor/topthink/think-orm/src/db/BaseBuilder.php ( 27.50 KB )
  113. /yingpanguazai/ssd/ssd1/www/no.67808.cn/vendor/topthink/think-orm/src/db/Query.php ( 15.71 KB )
  114. /yingpanguazai/ssd/ssd1/www/no.67808.cn/vendor/topthink/think-orm/src/db/BaseQuery.php ( 45.13 KB )
  115. /yingpanguazai/ssd/ssd1/www/no.67808.cn/vendor/topthink/think-orm/src/db/concern/TimeFieldQuery.php ( 7.43 KB )
  116. /yingpanguazai/ssd/ssd1/www/no.67808.cn/vendor/topthink/think-orm/src/db/concern/AggregateQuery.php ( 3.26 KB )
  117. /yingpanguazai/ssd/ssd1/www/no.67808.cn/vendor/topthink/think-orm/src/db/concern/ModelRelationQuery.php ( 20.07 KB )
  118. /yingpanguazai/ssd/ssd1/www/no.67808.cn/vendor/topthink/think-orm/src/db/concern/ParamsBind.php ( 3.66 KB )
  119. /yingpanguazai/ssd/ssd1/www/no.67808.cn/vendor/topthink/think-orm/src/db/concern/ResultOperation.php ( 7.01 KB )
  120. /yingpanguazai/ssd/ssd1/www/no.67808.cn/vendor/topthink/think-orm/src/db/concern/WhereQuery.php ( 19.37 KB )
  121. /yingpanguazai/ssd/ssd1/www/no.67808.cn/vendor/topthink/think-orm/src/db/concern/JoinAndViewQuery.php ( 7.11 KB )
  122. /yingpanguazai/ssd/ssd1/www/no.67808.cn/vendor/topthink/think-orm/src/db/concern/TableFieldInfo.php ( 2.63 KB )
  123. /yingpanguazai/ssd/ssd1/www/no.67808.cn/vendor/topthink/think-orm/src/db/concern/Transaction.php ( 2.77 KB )
  124. /yingpanguazai/ssd/ssd1/www/no.67808.cn/vendor/topthink/framework/src/think/log/driver/File.php ( 5.96 KB )
  125. /yingpanguazai/ssd/ssd1/www/no.67808.cn/vendor/topthink/framework/src/think/contract/LogHandlerInterface.php ( 0.86 KB )
  126. /yingpanguazai/ssd/ssd1/www/no.67808.cn/vendor/topthink/framework/src/think/log/Channel.php ( 3.89 KB )
  127. /yingpanguazai/ssd/ssd1/www/no.67808.cn/vendor/topthink/framework/src/think/event/LogRecord.php ( 1.02 KB )
  128. /yingpanguazai/ssd/ssd1/www/no.67808.cn/vendor/topthink/think-helper/src/Collection.php ( 16.47 KB )
  129. /yingpanguazai/ssd/ssd1/www/no.67808.cn/vendor/topthink/framework/src/think/facade/View.php ( 1.70 KB )
  130. /yingpanguazai/ssd/ssd1/www/no.67808.cn/vendor/topthink/framework/src/think/View.php ( 4.39 KB )
  131. /yingpanguazai/ssd/ssd1/www/no.67808.cn/vendor/topthink/framework/src/think/Response.php ( 8.81 KB )
  132. /yingpanguazai/ssd/ssd1/www/no.67808.cn/vendor/topthink/framework/src/think/response/View.php ( 3.29 KB )
  133. /yingpanguazai/ssd/ssd1/www/no.67808.cn/vendor/topthink/framework/src/think/Cookie.php ( 6.06 KB )
  134. /yingpanguazai/ssd/ssd1/www/no.67808.cn/vendor/topthink/think-view/src/Think.php ( 8.38 KB )
  135. /yingpanguazai/ssd/ssd1/www/no.67808.cn/vendor/topthink/framework/src/think/contract/TemplateHandlerInterface.php ( 1.60 KB )
  136. /yingpanguazai/ssd/ssd1/www/no.67808.cn/vendor/topthink/think-template/src/Template.php ( 46.61 KB )
  137. /yingpanguazai/ssd/ssd1/www/no.67808.cn/vendor/topthink/think-template/src/template/driver/File.php ( 2.41 KB )
  138. /yingpanguazai/ssd/ssd1/www/no.67808.cn/vendor/topthink/think-template/src/template/contract/DriverInterface.php ( 0.86 KB )
  139. /yingpanguazai/ssd/ssd1/www/no.67808.cn/runtime/temp/6df755f970a38e704c5414acbc6e8bcd.php ( 12.06 KB )
  140. /yingpanguazai/ssd/ssd1/www/no.67808.cn/vendor/topthink/think-trace/src/Html.php ( 4.42 KB )
  1. CONNECT:[ UseTime:0.000599s ] mysql:host=127.0.0.1;port=3306;dbname=no_67808;charset=utf8mb4
  2. SHOW FULL COLUMNS FROM `fenlei` [ RunTime:0.000979s ]
  3. SELECT * FROM `fenlei` WHERE `fid` = 0 [ RunTime:0.000334s ]
  4. SELECT * FROM `fenlei` WHERE `fid` = 63 [ RunTime:0.000296s ]
  5. SHOW FULL COLUMNS FROM `set` [ RunTime:0.000534s ]
  6. SELECT * FROM `set` [ RunTime:0.000197s ]
  7. SHOW FULL COLUMNS FROM `article` [ RunTime:0.000520s ]
  8. SELECT * FROM `article` WHERE `id` = 482534 LIMIT 1 [ RunTime:0.001210s ]
  9. UPDATE `article` SET `lasttime` = 1776696852 WHERE `id` = 482534 [ RunTime:0.008904s ]
  10. SELECT * FROM `fenlei` WHERE `id` = 65 LIMIT 1 [ RunTime:0.000337s ]
  11. SELECT * FROM `article` WHERE `id` < 482534 ORDER BY `id` DESC LIMIT 1 [ RunTime:0.001375s ]
  12. SELECT * FROM `article` WHERE `id` > 482534 ORDER BY `id` ASC LIMIT 1 [ RunTime:0.000448s ]
  13. SELECT * FROM `article` WHERE `id` < 482534 ORDER BY `id` DESC LIMIT 10 [ RunTime:0.000752s ]
  14. SELECT * FROM `article` WHERE `id` < 482534 ORDER BY `id` DESC LIMIT 10,10 [ RunTime:0.010732s ]
  15. SELECT * FROM `article` WHERE `id` < 482534 ORDER BY `id` DESC LIMIT 20,10 [ RunTime:0.002428s ]
0.099434s