当前位置:首页>学习笔记>电源学习笔记:MOSFET 应用(2)

电源学习笔记:MOSFET 应用(2)

  • 2026-04-17 19:17:17
电源学习笔记:MOSFET 应用(2)
电源学习笔记:开关器件Mosfet的应用。2026/4/15

MOSFET 开通过程知识点总结(寄生电容影响)

一、问题根源:寄生电容导致开通不理想

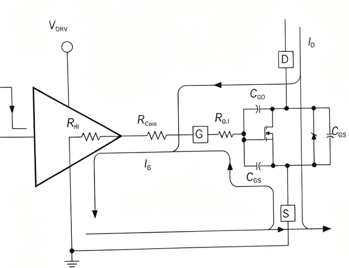
  • • MOSFET 内部存在三个主要寄生电容:
    • • (栅-源电容)
    • • (栅-漏电容,也称米勒电容)
    • • (漏-源电容)
  • • 这些电容使得栅极电压  不能瞬间跳变,开关波形出现明显的米勒平台(上升过程中的台阶)。

二、MOSFET 开通的四个阶段(从截止到完全导通)

阶段
名称
关键现象
初始 RC 充电
 从 0 按 RC 曲线上升,,MOSFET 完全截止。
电流上升区
 超过阈值电压  线性上升(压控电流源特性), 仍保持约 
米勒平台区
 被钳位在米勒平台电压  基本不变;驱动电流转向给  充电, 快速下降至接近 0。
完全导通区
 降至  继续上升至驱动电压,MOSFET 进入线性电阻区。
图1: MOSFET 开通仿真波形

一、MOSFET关断过程(与开通步骤相反,顺序相反)

区间
名称
关键现象
t1
 放电
驱动电路将栅极电压拉低, 从驱动电压下降至  和  尚未变化。
t2
米勒平台区(关断)
 保持在  附近基本不变。 通过上升的  充电, 开始减小并转移到钳位电路。关断速度受  限制。
t4
栅极继续放电
 达到钳位电压后, 充电停止, 继续线性下降至 0,器件完全关断。

与开通的对称关系

  • • 开通: 充电 → 米勒平台( 放电, 下降) →  继续上升
  • • 关断: 放电 → 米勒平台( 充电, 上升) →  继续下降
图2: MOSFET 关断仿真波形
理想波形:

核心概念:米勒平台是由  的充放电以及  的剧烈变化引起的,是 MOSFET 开关中最具特征的现象。


三、重要参数定义

参数
含义
栅-源阈值电压,形成导电沟道所需的最小 
米勒平台电压,开关过程中  保持稳定的电压值
MOSFET 关断时漏-源之间施加的电压
输入电容,
栅极总电阻,(内部电阻 + 外部串联电阻)

四、开关时间的估算公式(感性负载下)

时间
名称
估算公式
开通延时
电流上升时间
电压下降时间
总开通时间

说明: 为栅极驱动电流, 为驱动电压。以上为近似估算,实际需结合仿真或测量。


五、米勒平台仿真

  • 这是用LTSPICE 搭建的仿真,为了体现MOS 米勒电容的影响,在MOS 的外部并联了电容,并通过参数设置为10n ~ 200nF, 进行仿真,图上可以看到电容越大,米勒平台持续时间越久,平台越宽。
  • 所以,设计中都应尽量减少寄生电容,以减轻米勒平台的影响。

四、相关英文词汇

Miller Plateau : 米勒平台

Parasitic Capacitance : 寄生电容

Gate Driver :栅极驱动器

电源学习笔记:MOSFET 应用(1)

最新文章

随机文章

基本 文件 流程 错误 SQL 调试
  1. 请求信息 : 2026-04-18 02:07:01 HTTP/2.0 GET : https://67808.cn/a/481279.html
  2. 运行时间 : 0.208956s [ 吞吐率:4.79req/s ] 内存消耗:5,224.95kb 文件加载:140
  3. 缓存信息 : 0 reads,0 writes
  4. 会话信息 : SESSION_ID=a31c9db90cfd6840be10fb5d9355a142
  1. /yingpanguazai/ssd/ssd1/www/no.67808.cn/public/index.php ( 0.79 KB )
  2. /yingpanguazai/ssd/ssd1/www/no.67808.cn/vendor/autoload.php ( 0.17 KB )
  3. /yingpanguazai/ssd/ssd1/www/no.67808.cn/vendor/composer/autoload_real.php ( 2.49 KB )
  4. /yingpanguazai/ssd/ssd1/www/no.67808.cn/vendor/composer/platform_check.php ( 0.90 KB )
  5. /yingpanguazai/ssd/ssd1/www/no.67808.cn/vendor/composer/ClassLoader.php ( 14.03 KB )
  6. /yingpanguazai/ssd/ssd1/www/no.67808.cn/vendor/composer/autoload_static.php ( 4.90 KB )
  7. /yingpanguazai/ssd/ssd1/www/no.67808.cn/vendor/topthink/think-helper/src/helper.php ( 8.34 KB )
  8. /yingpanguazai/ssd/ssd1/www/no.67808.cn/vendor/topthink/think-validate/src/helper.php ( 2.19 KB )
  9. /yingpanguazai/ssd/ssd1/www/no.67808.cn/vendor/topthink/think-orm/src/helper.php ( 1.47 KB )
  10. /yingpanguazai/ssd/ssd1/www/no.67808.cn/vendor/topthink/think-orm/stubs/load_stubs.php ( 0.16 KB )
  11. /yingpanguazai/ssd/ssd1/www/no.67808.cn/vendor/topthink/framework/src/think/Exception.php ( 1.69 KB )
  12. /yingpanguazai/ssd/ssd1/www/no.67808.cn/vendor/topthink/think-container/src/Facade.php ( 2.71 KB )
  13. /yingpanguazai/ssd/ssd1/www/no.67808.cn/vendor/symfony/deprecation-contracts/function.php ( 0.99 KB )
  14. /yingpanguazai/ssd/ssd1/www/no.67808.cn/vendor/symfony/polyfill-mbstring/bootstrap.php ( 8.26 KB )
  15. /yingpanguazai/ssd/ssd1/www/no.67808.cn/vendor/symfony/polyfill-mbstring/bootstrap80.php ( 9.78 KB )
  16. /yingpanguazai/ssd/ssd1/www/no.67808.cn/vendor/symfony/var-dumper/Resources/functions/dump.php ( 1.49 KB )
  17. /yingpanguazai/ssd/ssd1/www/no.67808.cn/vendor/topthink/think-dumper/src/helper.php ( 0.18 KB )
  18. /yingpanguazai/ssd/ssd1/www/no.67808.cn/vendor/symfony/var-dumper/VarDumper.php ( 4.30 KB )
  19. /yingpanguazai/ssd/ssd1/www/no.67808.cn/vendor/topthink/framework/src/think/App.php ( 15.30 KB )
  20. /yingpanguazai/ssd/ssd1/www/no.67808.cn/vendor/topthink/think-container/src/Container.php ( 15.76 KB )
  21. /yingpanguazai/ssd/ssd1/www/no.67808.cn/vendor/psr/container/src/ContainerInterface.php ( 1.02 KB )
  22. /yingpanguazai/ssd/ssd1/www/no.67808.cn/app/provider.php ( 0.19 KB )
  23. /yingpanguazai/ssd/ssd1/www/no.67808.cn/vendor/topthink/framework/src/think/Http.php ( 6.04 KB )
  24. /yingpanguazai/ssd/ssd1/www/no.67808.cn/vendor/topthink/think-helper/src/helper/Str.php ( 7.29 KB )
  25. /yingpanguazai/ssd/ssd1/www/no.67808.cn/vendor/topthink/framework/src/think/Env.php ( 4.68 KB )
  26. /yingpanguazai/ssd/ssd1/www/no.67808.cn/app/common.php ( 0.03 KB )
  27. /yingpanguazai/ssd/ssd1/www/no.67808.cn/vendor/topthink/framework/src/helper.php ( 18.78 KB )
  28. /yingpanguazai/ssd/ssd1/www/no.67808.cn/vendor/topthink/framework/src/think/Config.php ( 5.54 KB )
  29. /yingpanguazai/ssd/ssd1/www/no.67808.cn/config/app.php ( 0.95 KB )
  30. /yingpanguazai/ssd/ssd1/www/no.67808.cn/config/cache.php ( 0.78 KB )
  31. /yingpanguazai/ssd/ssd1/www/no.67808.cn/config/console.php ( 0.23 KB )
  32. /yingpanguazai/ssd/ssd1/www/no.67808.cn/config/cookie.php ( 0.56 KB )
  33. /yingpanguazai/ssd/ssd1/www/no.67808.cn/config/database.php ( 2.48 KB )
  34. /yingpanguazai/ssd/ssd1/www/no.67808.cn/vendor/topthink/framework/src/think/facade/Env.php ( 1.67 KB )
  35. /yingpanguazai/ssd/ssd1/www/no.67808.cn/config/filesystem.php ( 0.61 KB )
  36. /yingpanguazai/ssd/ssd1/www/no.67808.cn/config/lang.php ( 0.91 KB )
  37. /yingpanguazai/ssd/ssd1/www/no.67808.cn/config/log.php ( 1.35 KB )
  38. /yingpanguazai/ssd/ssd1/www/no.67808.cn/config/middleware.php ( 0.19 KB )
  39. /yingpanguazai/ssd/ssd1/www/no.67808.cn/config/route.php ( 1.89 KB )
  40. /yingpanguazai/ssd/ssd1/www/no.67808.cn/config/session.php ( 0.57 KB )
  41. /yingpanguazai/ssd/ssd1/www/no.67808.cn/config/trace.php ( 0.34 KB )
  42. /yingpanguazai/ssd/ssd1/www/no.67808.cn/config/view.php ( 0.82 KB )
  43. /yingpanguazai/ssd/ssd1/www/no.67808.cn/app/event.php ( 0.25 KB )
  44. /yingpanguazai/ssd/ssd1/www/no.67808.cn/vendor/topthink/framework/src/think/Event.php ( 7.67 KB )
  45. /yingpanguazai/ssd/ssd1/www/no.67808.cn/app/service.php ( 0.13 KB )
  46. /yingpanguazai/ssd/ssd1/www/no.67808.cn/app/AppService.php ( 0.26 KB )
  47. /yingpanguazai/ssd/ssd1/www/no.67808.cn/vendor/topthink/framework/src/think/Service.php ( 1.64 KB )
  48. /yingpanguazai/ssd/ssd1/www/no.67808.cn/vendor/topthink/framework/src/think/Lang.php ( 7.35 KB )
  49. /yingpanguazai/ssd/ssd1/www/no.67808.cn/vendor/topthink/framework/src/lang/zh-cn.php ( 13.70 KB )
  50. /yingpanguazai/ssd/ssd1/www/no.67808.cn/vendor/topthink/framework/src/think/initializer/Error.php ( 3.31 KB )
  51. /yingpanguazai/ssd/ssd1/www/no.67808.cn/vendor/topthink/framework/src/think/initializer/RegisterService.php ( 1.33 KB )
  52. /yingpanguazai/ssd/ssd1/www/no.67808.cn/vendor/services.php ( 0.14 KB )
  53. /yingpanguazai/ssd/ssd1/www/no.67808.cn/vendor/topthink/framework/src/think/service/PaginatorService.php ( 1.52 KB )
  54. /yingpanguazai/ssd/ssd1/www/no.67808.cn/vendor/topthink/framework/src/think/service/ValidateService.php ( 0.99 KB )
  55. /yingpanguazai/ssd/ssd1/www/no.67808.cn/vendor/topthink/framework/src/think/service/ModelService.php ( 2.04 KB )
  56. /yingpanguazai/ssd/ssd1/www/no.67808.cn/vendor/topthink/think-trace/src/Service.php ( 0.77 KB )
  57. /yingpanguazai/ssd/ssd1/www/no.67808.cn/vendor/topthink/framework/src/think/Middleware.php ( 6.72 KB )
  58. /yingpanguazai/ssd/ssd1/www/no.67808.cn/vendor/topthink/framework/src/think/initializer/BootService.php ( 0.77 KB )
  59. /yingpanguazai/ssd/ssd1/www/no.67808.cn/vendor/topthink/think-orm/src/Paginator.php ( 11.86 KB )
  60. /yingpanguazai/ssd/ssd1/www/no.67808.cn/vendor/topthink/think-validate/src/Validate.php ( 63.20 KB )
  61. /yingpanguazai/ssd/ssd1/www/no.67808.cn/vendor/topthink/think-orm/src/Model.php ( 23.55 KB )
  62. /yingpanguazai/ssd/ssd1/www/no.67808.cn/vendor/topthink/think-orm/src/model/concern/Attribute.php ( 21.05 KB )
  63. /yingpanguazai/ssd/ssd1/www/no.67808.cn/vendor/topthink/think-orm/src/model/concern/AutoWriteData.php ( 4.21 KB )
  64. /yingpanguazai/ssd/ssd1/www/no.67808.cn/vendor/topthink/think-orm/src/model/concern/Conversion.php ( 6.44 KB )
  65. /yingpanguazai/ssd/ssd1/www/no.67808.cn/vendor/topthink/think-orm/src/model/concern/DbConnect.php ( 5.16 KB )
  66. /yingpanguazai/ssd/ssd1/www/no.67808.cn/vendor/topthink/think-orm/src/model/concern/ModelEvent.php ( 2.33 KB )
  67. /yingpanguazai/ssd/ssd1/www/no.67808.cn/vendor/topthink/think-orm/src/model/concern/RelationShip.php ( 28.29 KB )
  68. /yingpanguazai/ssd/ssd1/www/no.67808.cn/vendor/topthink/think-helper/src/contract/Arrayable.php ( 0.09 KB )
  69. /yingpanguazai/ssd/ssd1/www/no.67808.cn/vendor/topthink/think-helper/src/contract/Jsonable.php ( 0.13 KB )
  70. /yingpanguazai/ssd/ssd1/www/no.67808.cn/vendor/topthink/think-orm/src/model/contract/Modelable.php ( 0.09 KB )
  71. /yingpanguazai/ssd/ssd1/www/no.67808.cn/vendor/topthink/framework/src/think/Db.php ( 2.88 KB )
  72. /yingpanguazai/ssd/ssd1/www/no.67808.cn/vendor/topthink/think-orm/src/DbManager.php ( 8.52 KB )
  73. /yingpanguazai/ssd/ssd1/www/no.67808.cn/vendor/topthink/framework/src/think/Log.php ( 6.28 KB )
  74. /yingpanguazai/ssd/ssd1/www/no.67808.cn/vendor/topthink/framework/src/think/Manager.php ( 3.92 KB )
  75. /yingpanguazai/ssd/ssd1/www/no.67808.cn/vendor/psr/log/src/LoggerTrait.php ( 2.69 KB )
  76. /yingpanguazai/ssd/ssd1/www/no.67808.cn/vendor/psr/log/src/LoggerInterface.php ( 2.71 KB )
  77. /yingpanguazai/ssd/ssd1/www/no.67808.cn/vendor/topthink/framework/src/think/Cache.php ( 4.92 KB )
  78. /yingpanguazai/ssd/ssd1/www/no.67808.cn/vendor/psr/simple-cache/src/CacheInterface.php ( 4.71 KB )
  79. /yingpanguazai/ssd/ssd1/www/no.67808.cn/vendor/topthink/think-helper/src/helper/Arr.php ( 16.63 KB )
  80. /yingpanguazai/ssd/ssd1/www/no.67808.cn/vendor/topthink/framework/src/think/cache/driver/File.php ( 7.84 KB )
  81. /yingpanguazai/ssd/ssd1/www/no.67808.cn/vendor/topthink/framework/src/think/cache/Driver.php ( 9.03 KB )
  82. /yingpanguazai/ssd/ssd1/www/no.67808.cn/vendor/topthink/framework/src/think/contract/CacheHandlerInterface.php ( 1.99 KB )
  83. /yingpanguazai/ssd/ssd1/www/no.67808.cn/app/Request.php ( 0.09 KB )
  84. /yingpanguazai/ssd/ssd1/www/no.67808.cn/vendor/topthink/framework/src/think/Request.php ( 55.78 KB )
  85. /yingpanguazai/ssd/ssd1/www/no.67808.cn/app/middleware.php ( 0.25 KB )
  86. /yingpanguazai/ssd/ssd1/www/no.67808.cn/vendor/topthink/framework/src/think/Pipeline.php ( 2.61 KB )
  87. /yingpanguazai/ssd/ssd1/www/no.67808.cn/vendor/topthink/think-trace/src/TraceDebug.php ( 3.40 KB )
  88. /yingpanguazai/ssd/ssd1/www/no.67808.cn/vendor/topthink/framework/src/think/middleware/SessionInit.php ( 1.94 KB )
  89. /yingpanguazai/ssd/ssd1/www/no.67808.cn/vendor/topthink/framework/src/think/Session.php ( 1.80 KB )
  90. /yingpanguazai/ssd/ssd1/www/no.67808.cn/vendor/topthink/framework/src/think/session/driver/File.php ( 6.27 KB )
  91. /yingpanguazai/ssd/ssd1/www/no.67808.cn/vendor/topthink/framework/src/think/contract/SessionHandlerInterface.php ( 0.87 KB )
  92. /yingpanguazai/ssd/ssd1/www/no.67808.cn/vendor/topthink/framework/src/think/session/Store.php ( 7.12 KB )
  93. /yingpanguazai/ssd/ssd1/www/no.67808.cn/vendor/topthink/framework/src/think/Route.php ( 23.73 KB )
  94. /yingpanguazai/ssd/ssd1/www/no.67808.cn/vendor/topthink/framework/src/think/route/RuleName.php ( 5.75 KB )
  95. /yingpanguazai/ssd/ssd1/www/no.67808.cn/vendor/topthink/framework/src/think/route/Domain.php ( 2.53 KB )
  96. /yingpanguazai/ssd/ssd1/www/no.67808.cn/vendor/topthink/framework/src/think/route/RuleGroup.php ( 22.43 KB )
  97. /yingpanguazai/ssd/ssd1/www/no.67808.cn/vendor/topthink/framework/src/think/route/Rule.php ( 26.95 KB )
  98. /yingpanguazai/ssd/ssd1/www/no.67808.cn/vendor/topthink/framework/src/think/route/RuleItem.php ( 9.78 KB )
  99. /yingpanguazai/ssd/ssd1/www/no.67808.cn/route/app.php ( 1.72 KB )
  100. /yingpanguazai/ssd/ssd1/www/no.67808.cn/vendor/topthink/framework/src/think/facade/Route.php ( 4.70 KB )
  101. /yingpanguazai/ssd/ssd1/www/no.67808.cn/vendor/topthink/framework/src/think/route/dispatch/Controller.php ( 4.74 KB )
  102. /yingpanguazai/ssd/ssd1/www/no.67808.cn/vendor/topthink/framework/src/think/route/Dispatch.php ( 10.44 KB )
  103. /yingpanguazai/ssd/ssd1/www/no.67808.cn/app/controller/Index.php ( 4.81 KB )
  104. /yingpanguazai/ssd/ssd1/www/no.67808.cn/app/BaseController.php ( 2.05 KB )
  105. /yingpanguazai/ssd/ssd1/www/no.67808.cn/vendor/topthink/think-orm/src/facade/Db.php ( 0.93 KB )
  106. /yingpanguazai/ssd/ssd1/www/no.67808.cn/vendor/topthink/think-orm/src/db/connector/Mysql.php ( 5.44 KB )
  107. /yingpanguazai/ssd/ssd1/www/no.67808.cn/vendor/topthink/think-orm/src/db/PDOConnection.php ( 52.47 KB )
  108. /yingpanguazai/ssd/ssd1/www/no.67808.cn/vendor/topthink/think-orm/src/db/Connection.php ( 8.39 KB )
  109. /yingpanguazai/ssd/ssd1/www/no.67808.cn/vendor/topthink/think-orm/src/db/ConnectionInterface.php ( 4.57 KB )
  110. /yingpanguazai/ssd/ssd1/www/no.67808.cn/vendor/topthink/think-orm/src/db/builder/Mysql.php ( 16.58 KB )
  111. /yingpanguazai/ssd/ssd1/www/no.67808.cn/vendor/topthink/think-orm/src/db/Builder.php ( 24.06 KB )
  112. /yingpanguazai/ssd/ssd1/www/no.67808.cn/vendor/topthink/think-orm/src/db/BaseBuilder.php ( 27.50 KB )
  113. /yingpanguazai/ssd/ssd1/www/no.67808.cn/vendor/topthink/think-orm/src/db/Query.php ( 15.71 KB )
  114. /yingpanguazai/ssd/ssd1/www/no.67808.cn/vendor/topthink/think-orm/src/db/BaseQuery.php ( 45.13 KB )
  115. /yingpanguazai/ssd/ssd1/www/no.67808.cn/vendor/topthink/think-orm/src/db/concern/TimeFieldQuery.php ( 7.43 KB )
  116. /yingpanguazai/ssd/ssd1/www/no.67808.cn/vendor/topthink/think-orm/src/db/concern/AggregateQuery.php ( 3.26 KB )
  117. /yingpanguazai/ssd/ssd1/www/no.67808.cn/vendor/topthink/think-orm/src/db/concern/ModelRelationQuery.php ( 20.07 KB )
  118. /yingpanguazai/ssd/ssd1/www/no.67808.cn/vendor/topthink/think-orm/src/db/concern/ParamsBind.php ( 3.66 KB )
  119. /yingpanguazai/ssd/ssd1/www/no.67808.cn/vendor/topthink/think-orm/src/db/concern/ResultOperation.php ( 7.01 KB )
  120. /yingpanguazai/ssd/ssd1/www/no.67808.cn/vendor/topthink/think-orm/src/db/concern/WhereQuery.php ( 19.37 KB )
  121. /yingpanguazai/ssd/ssd1/www/no.67808.cn/vendor/topthink/think-orm/src/db/concern/JoinAndViewQuery.php ( 7.11 KB )
  122. /yingpanguazai/ssd/ssd1/www/no.67808.cn/vendor/topthink/think-orm/src/db/concern/TableFieldInfo.php ( 2.63 KB )
  123. /yingpanguazai/ssd/ssd1/www/no.67808.cn/vendor/topthink/think-orm/src/db/concern/Transaction.php ( 2.77 KB )
  124. /yingpanguazai/ssd/ssd1/www/no.67808.cn/vendor/topthink/framework/src/think/log/driver/File.php ( 5.96 KB )
  125. /yingpanguazai/ssd/ssd1/www/no.67808.cn/vendor/topthink/framework/src/think/contract/LogHandlerInterface.php ( 0.86 KB )
  126. /yingpanguazai/ssd/ssd1/www/no.67808.cn/vendor/topthink/framework/src/think/log/Channel.php ( 3.89 KB )
  127. /yingpanguazai/ssd/ssd1/www/no.67808.cn/vendor/topthink/framework/src/think/event/LogRecord.php ( 1.02 KB )
  128. /yingpanguazai/ssd/ssd1/www/no.67808.cn/vendor/topthink/think-helper/src/Collection.php ( 16.47 KB )
  129. /yingpanguazai/ssd/ssd1/www/no.67808.cn/vendor/topthink/framework/src/think/facade/View.php ( 1.70 KB )
  130. /yingpanguazai/ssd/ssd1/www/no.67808.cn/vendor/topthink/framework/src/think/View.php ( 4.39 KB )
  131. /yingpanguazai/ssd/ssd1/www/no.67808.cn/vendor/topthink/framework/src/think/Response.php ( 8.81 KB )
  132. /yingpanguazai/ssd/ssd1/www/no.67808.cn/vendor/topthink/framework/src/think/response/View.php ( 3.29 KB )
  133. /yingpanguazai/ssd/ssd1/www/no.67808.cn/vendor/topthink/framework/src/think/Cookie.php ( 6.06 KB )
  134. /yingpanguazai/ssd/ssd1/www/no.67808.cn/vendor/topthink/think-view/src/Think.php ( 8.38 KB )
  135. /yingpanguazai/ssd/ssd1/www/no.67808.cn/vendor/topthink/framework/src/think/contract/TemplateHandlerInterface.php ( 1.60 KB )
  136. /yingpanguazai/ssd/ssd1/www/no.67808.cn/vendor/topthink/think-template/src/Template.php ( 46.61 KB )
  137. /yingpanguazai/ssd/ssd1/www/no.67808.cn/vendor/topthink/think-template/src/template/driver/File.php ( 2.41 KB )
  138. /yingpanguazai/ssd/ssd1/www/no.67808.cn/vendor/topthink/think-template/src/template/contract/DriverInterface.php ( 0.86 KB )
  139. /yingpanguazai/ssd/ssd1/www/no.67808.cn/runtime/temp/6df755f970a38e704c5414acbc6e8bcd.php ( 12.06 KB )
  140. /yingpanguazai/ssd/ssd1/www/no.67808.cn/vendor/topthink/think-trace/src/Html.php ( 4.42 KB )
  1. CONNECT:[ UseTime:0.001142s ] mysql:host=127.0.0.1;port=3306;dbname=no_67808;charset=utf8mb4
  2. SHOW FULL COLUMNS FROM `fenlei` [ RunTime:0.001519s ]
  3. SELECT * FROM `fenlei` WHERE `fid` = 0 [ RunTime:0.000743s ]
  4. SELECT * FROM `fenlei` WHERE `fid` = 63 [ RunTime:0.000643s ]
  5. SHOW FULL COLUMNS FROM `set` [ RunTime:0.001273s ]
  6. SELECT * FROM `set` [ RunTime:0.000559s ]
  7. SHOW FULL COLUMNS FROM `article` [ RunTime:0.001408s ]
  8. SELECT * FROM `article` WHERE `id` = 481279 LIMIT 1 [ RunTime:0.001011s ]
  9. UPDATE `article` SET `lasttime` = 1776449221 WHERE `id` = 481279 [ RunTime:0.012909s ]
  10. SELECT * FROM `fenlei` WHERE `id` = 65 LIMIT 1 [ RunTime:0.000752s ]
  11. SELECT * FROM `article` WHERE `id` < 481279 ORDER BY `id` DESC LIMIT 1 [ RunTime:0.001103s ]
  12. SELECT * FROM `article` WHERE `id` > 481279 ORDER BY `id` ASC LIMIT 1 [ RunTime:0.001602s ]
  13. SELECT * FROM `article` WHERE `id` < 481279 ORDER BY `id` DESC LIMIT 10 [ RunTime:0.001675s ]
  14. SELECT * FROM `article` WHERE `id` < 481279 ORDER BY `id` DESC LIMIT 10,10 [ RunTime:0.011455s ]
  15. SELECT * FROM `article` WHERE `id` < 481279 ORDER BY `id` DESC LIMIT 20,10 [ RunTime:0.004506s ]
0.213185s