有点点忙但是吐血也要继续学习啊~
围护结构怎么算,30章这么打开才对
| 1、适用范围 2、一般规定 3、独立实体墙及独立实体标志 4、其他结构 5、女儿墙 6、屋檐悬挑 7、最小设计风荷载 8、共识标准和其他引用文件 |
29章主要是针对建筑附属物和其他结构的风荷载计算规定,我理解就是构筑物或者一些屋顶附属物,如建筑铭牌啊、屋面光伏系统、屋顶设备基础、独立墙体、烟囱、储罐、筒仓这些的风荷载计算规定。ASCE 风荷载的每个章节都给出了完整的计算流程(table 29.1-1~2),table 29.1-1用来计算屋面设备基础和附属结构,table 29.1-2用来计算圆形筒料仓、储罐。我用的不太多,我不做展开,有计算需求的,大家可以直接搜索29章,针对不同的建筑功能,有不同的小节。
|
|
30章就比较重要了,前面都是针对主要抗风系统的计算方法,30章就是如何计算围护结构(C&C),下图是30章节的目录,其中30.3~30.5就是不同的building type
| |
30.1章节适用范围 30.2一般规定 30.3建筑类型(part1:h≤60ft低层建筑) 30.4建筑类型(part2:h>60ft高层建筑) 30.5建筑类型(part3:开放建筑) 30.6女儿墙 30.7屋顶挑檐 30.8屋顶构筑物和设备 30.9建筑外挑雨棚 30.10圆形筒仓、料仓和储罐 30.11屋顶光伏板 |
|
30.1.2规定了可以使用本节进行围护计算的情况,形状规则的建筑、屋面形状标准的,不能有大的敞开面才能使用30章进行计算,如果存在大的动力反应(可能大共振,或许是特大跨度的柔性屋面,结构非常细长或者存在风险共振的结构)需要通过风洞试验来进行计算。
(一)PART 1:LOW-RISE BUILDINGS
|
PART1的适用范围就是低矮建筑(同26.2章节的规定),并且高度不超过18.3m的建筑。
PART1的七步流程如下:
| 1、判断风险类别; 2、查表确定基本风速; 3、确定风荷载计算参数(都在26章); 4、通过高度h、暴露等级查表26.10-1确定Kh; 5、计算风压(公式26.10-1); 6、计算外压系数GCp(不同的屋面形式查不同的表); 7、计算风压,公式30.3-1; |
其中qh就是屋面平均高度处的风压值 |
l不同的屋面形式,对于风压系数的图表查找是不一样的,图表太多了,
外墙Wall:see Figure 30.3.1 | |
|
|
平屋面、双坡屋面:Flat roofs, gable roofs, hip roofs; see Figure 30.3-2A~2G | |
根据不同屋面坡度: 双坡屋面≤7°see Figure 30.3-2A; 双坡屋面7~20°see Figure 30.3-2B; 双坡屋面20~27°see Figure 30.3-2C; 双坡屋面27~45°see Figure 30.3-2D; 四坡屋面7~20°see Figure 30.3-2E; 四坡屋面20~27°see Figure 30.3-2F; 四坡屋面45°see Figure 30.3-2G; | |
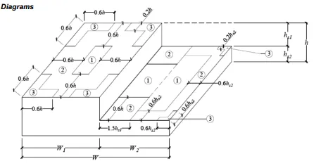
阶梯式屋顶(高低跨):Stepped roofs; see Figure 30.3-3 | |
|
|
多跨双坡屋面:Multispan gable roofs; see Figure 30.3-4 | |
|
|
单坡屋面:Monoslope roofs; see Figure 30.3-5A~B | |
单坡屋面3~10°see Figure 30.3-5A | 单坡屋面10~30°see Figure 30.3-5B |
锯齿形屋顶:Sawtooth roofs; see Figure 30.3-6 | |
|
|
穹顶屋面:Domed roofs; see Figure 30.3-7 | |
|
|
拱形屋面:Arched roofs; see Figure 30.3-8 | |
|
|
(二)PART 2:BUILDINGS WITH h>60ft(18.3m)
|
|
Part2计算围护结构的时候对应的就是方向性方法计算主抗风结构,和包络法part1相似,不同的屋面形式读取不同的图表压力系数,part2方法计算是figure 30.4-1和部分part1的图表。坡屋面和四坡屋面见表30.3-2,拱形屋面见表30.3-8,圆顶屋面见表30.3-7,平屋面和小角度坡屋面见表30.4-1所示。
|
|
设计风压计算公式:
|
l对比part1和part2的计算公式:
|
|
包络法统一使用平均高度的qh | 方向性法计算迎风墙的时候用qz,即随高度变化,其他仍然同包络法一样使用qh |
图表:figure 30.3-1~30.3-8 | 图表:figure30.4-1+part1图表 |
在计算part的时候,怎么读表呢?
外墙Wall和角度小于10°的平屋面:see Figure 30.4.1 | |
|
|
双坡屋面、四坡屋面:see Figure 30.4.1和部分30.3-2的参数图表 | |
根据不同屋面坡度:不超过7°查30.4-1,超过7°查30.3-2的相关图表 | |
多跨双坡屋面:Multispan gable roofs; see Figure 30.3-4 | |
|
|
单坡屋面:Monoslope roofs; see Figure 30.3-5A~B | |
单坡屋面3~10°see Figure 30.3-5A | 单坡屋面10~30°see Figure 30.3-5B |
穹顶屋面:Domed roofs; see Figure 30.3-7 | |
|
|
拱形屋面:Arched roofs; see Figure 30.3-8 | |
|
|
(三)PART3:开敞式建筑open buildings(其实就是没有墙的建筑)使用于所有高度
|
这一部分不展开,其中图标figure30.5-1是单坡自由屋顶,其中图标figure30.5-2是双坡自由屋顶,其中图标figure30.5-3是槽型自由屋顶,计算公式也与part1和part2不同,使用net pressure coefficient:CN,需要同时考虑屋顶上下表面的风压贡献净值:
|
|
(四)PART4:建筑附属物(有突出部分的墙建筑),使用于所有高度。

这一部分主要是女儿墙如何计算和屋檐挑出部分和屋顶设备如何计算,使用于所有高度。
l女儿墙
|
|
女儿墙需要抵抗双向风压,外侧直接承受风压(可以类似迎风面),内侧则受到屋面边缘涡流的影响,qp取女儿墙最高点计算,公式中的GCp是外部压力系数,GCpi是内部压力系数,女儿墙风荷载计算时,分两种不同的工况且都要计算,迎风女儿墙工况CASE A和背风女儿墙工况CASE B:
|
→简单来说,就是case A内侧按屋顶边缘取值,case B内侧按墙体背风取值,通常计算下来是Case A控制,即外侧压力和内侧屋顶吸力是控制工况。女儿墙在进行风荷载计算时,如果满足note 5(figure 30.3-2A)和note7(figure 30.5-1)可以进行压力折减。
l屋檐悬挑Roof Overhang
屋檐挑檐即屋顶延伸出墙体的水平挑出部分,下面没有支撑,女儿墙是竖向的,overhang是水平受风荷载,适用于所有高度的封闭、部分封闭和部分开发建筑,风压计算公式是:
|
其中qh取平均高度,与主结构屋面一致,不随着悬挑深度变化,与女儿墙计算公式的区别就在于这个高度取值不同。GCp同样查表格,其中不超过7°的双坡屋面查figure30.3-2A的overhand曲线,大于7°的和非双坡屋面不同的屋面形式和坡度系数查表如下所示:
|
l屋面设备基础
30.8节屋面设备基础适用屋面上的小型结构(HVAC机组、设备基础等),不通过30章的围护计算,而是选取29章的计算值,分配到围护表面。
| 墙体p=29章计算的侧向力/墙体表面积(内外双向作用); 屋顶p=29章垂直力/屋顶投影面积(向上吸力) |
l建筑附属雨棚(Attached Canopies)
30.9节就是适用于向外悬挑的遮阳/挡雨棚
|
|
从step6可以看出,在计算雨棚的时候,要计算上下两面的压力差,所以公式里的GCp其实应该是GCpn即净压力系数,要包含上下表面的叠加:
1)低层建筑h≤60ft
Fig 30.9-1A上下表面分别计算: | Fig 30.9-1B上下表面合并净压计算: |
|
|
2)高层建筑h>60ft
Fig 30.9-2A上下表面分别计算: | Fig 30.9-2B上下表面合并净压计算: |
|
|
不论是低矮建筑还是高层建筑,都可以通过直接查净值或者分别算上下面再叠加,但是当然更推荐直接查压力值计算,方便快捷。
30.10~12就不展开了,30.10主要是算圆形筒仓、料仓和储罐;30.11主要是算屋面太阳能板;30.12是防止屋面石板或者砖,避免被风掀起来。这些都是特殊的工业结构设计和新兴特殊屋面构造,条款很简略,复杂的项目还是建议结合风洞试验来确定风荷载。
有需要加群一起交流的可以关注公众号并私信
获取群二维码
其他内容导航:
持续更新的SAP2000实例笔记:美标SAP2000实例笔记
持续更新的ASCE 7笔记:AISC 7-22学习笔记
持续更新的AISC 360笔记:AISC 360-22钢结构设计笔记
结构英语笔记:记一个是一个(谁说不是呢