
[分值:80分]
1、2、4题每题6分,3题9分,5题10分,6题12分,7题15分,8题16分,共80分
1.(2023·佛山市高二期末)以下关于多用电表的说法中,正确的是( )
A.在测电流和电压时,都必须把多用电表串联到电路中
B.在测电流时,若指针偏角过小,则需换更大的量程
C.多用电表作为欧姆表使用时,每次更换倍率都必须进行欧姆调零
D.多用电表作为欧姆表使用时,若指针偏角太大,则需选择更大的倍率进行测量
2.一个用满偏电流为3 mA的电流表改装成的欧姆表,调零后用它测量500 Ω的标准电阻时,指针恰好指在刻度盘的正中间。用它测量一个未知电阻时,指针指在1 mA处,则被测电阻的阻值为( )
A.1 000 ΩB.5 000 Ω
C.1 500 ΩD.2 000 Ω
3.(9分)如图为一正在测量中的多用电表表盘:

(1)(3分)如果是用直流10 V挡测量电压,则读数为________ V;
(2)(3分)如果是用直流5 mA挡测量电流,则读数为________ mA;
(3)(3分)如果是用“×100”挡测量电阻,则读数为________ Ω。
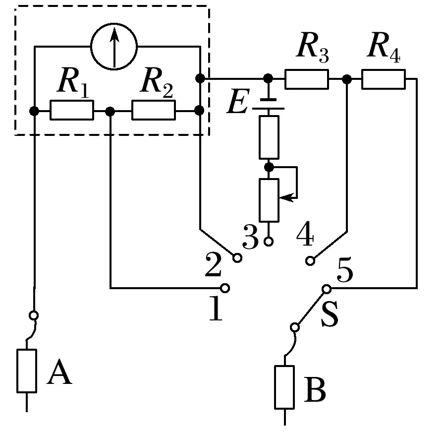
4.(2023·广州华南师大附中高二期末)如图是一个多用电表的简化电路图。S为单刀多掷开关,通过操作开关,接线柱可以接通1、2、3、4或5。下列说法正确的是( )

A.当S接1或2时,测量的是电流,接1时的量程小
B.当S接3时,测量的是电阻,其中A是红表笔
C.当S接3时,测量的电阻越大,指针偏角越大
D.当S接4或5时,测量的是电压,接4和接5时的最大测量值之比为R3∶(R3+R4)
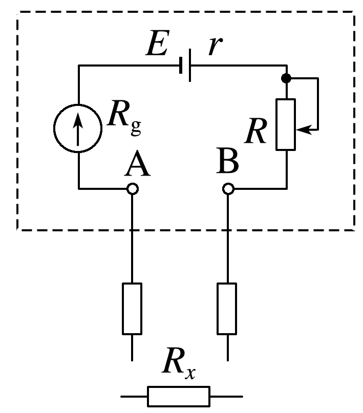
5.(多选)如图所示为简易欧姆表的原理示意图,其中电流表的满偏电流Ig =300 μA,内阻Rg =100 Ω,可变电阻R的最大阻值为10kΩ,电池的电动势E=1.5 V,内阻r =0.5 Ω,下列说法正确的是( )

A.与接线柱A相连的是红表笔
B.按正确使用方法测量电阻Rx时,指针指在刻度盘的正中央,则Rx =10 kΩ
C.若该欧姆表使用一段时间后,电池电动势变小,但此表仍能调零,测量Rx的阻值时,则测量值比真实值大
D.测量电阻时,如果指针偏转角度过大,应将选择开关拨至倍率较小的挡位,重新欧姆调零后测量
6.(12分)(2024·广州市高二月考)如图甲所示为在“练习使用多用电表”实验中某多用电表示意图;如图乙所示为欧姆表测电阻Rx的原理示意图;用多用电表直接测量电阻约为1 300 Ω的电灯泡的电阻,其电路连接图如图丙所示,回答下列问题:


(1)(4分)对甲图,在测量电阻前需要将红、黑表笔短接,进行________调零,需要调整________(选填“A”“B”或“C”)。
(2)(4分)对乙图,若电源的电动势为E,满偏电流为Im,当接上待测电阻Rx后,表头的示数为I,则欧姆表的内阻为________,待测电阻Rx的阻值为________。
(3)(4分)对丙图,实验时选择开关所处的挡位是____________(选填“×10”“×100”或“×1 000”),灯泡阻值的读数为________ Ω。
7.(15分)(2024·汕头市高二期末)如图甲所示,4节干电池串联,小灯泡A和B的规格均为“5 V 0.5 A”,合上开关,无论怎样移动滑动变阻器的滑片,A和B都不亮。

甲
(1)(3分)现用多用电表的电压挡检查故障,则选择开关置于下列________量程较为合适;
A.2.5 VB.10 V
C.50 VD.250 V
(2)(3分)测得a、b间电压为5.8 V,c、d间电压为0,则故障可能是________;
A.A灯丝断开
B.B灯丝断开
C.B灯短路
D.4节干电池电压太低,无法使两灯亮起
(3)(9分)将B灯泡从电路中拆除,将欧姆表打到电阻“×1”挡,欧姆表经过欧姆调零后,测量灯泡的电阻,某次测量结果如图乙所示,读数为________ Ω,根据小灯泡的规格计算出电阻为________ Ω,它不等于测量值,原因是灯泡未正常工作时,温度低,其电阻________(选填“大”或“小”)。

乙
8.(16分)(2024·广州市高二期末)某同学手边没有电流表,有一个电压表(量程0~5 V,内阻为5×103 Ω),电池(电动势为8 V、内阻为10 Ω)、总电阻足够大的滑动变阻器R0,他利用以上器材制成一个可以直接测量电阻的欧姆表,如图甲所示。图乙是电压表的刻度盘。

(1)(4分)图甲中,d为__________(选填“红”或“黑”)表笔。
通过网盘分享的文件:word讲义
链接: https://pan.baidu.com/s/1JYC12PUPGPNazMlYWE5hgQ?pwd=4321 提取码: 4321
--来自百度网盘超级会员v8的分享